Нужна помощь - совет...

Всё что связано с аппаратурой и антеннами
Ответить
  • Автор
  • Сообщение
Не в сети
Сообщения: 66
Зарегистрирован: 06 май 2017 17:05
Откуда: KO33RV

Нужна помощь - совет...

Сообщение EU1ADJ »

Доброго всем!
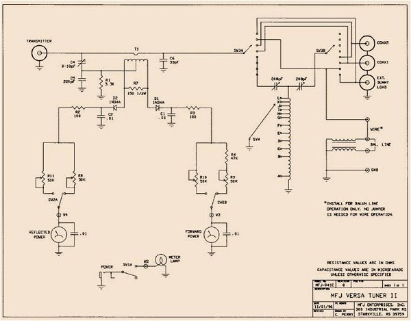
Приобрел (ооочень не дорого - скупой платит дважды)... внешне новый тьюнер MFJ 941E - при вскрытии оказалось, что как минимум не хватает 1 разъема антенны и не распаяна катушка :sh_ok:
Параллельно были прикуплены 4 коннектора (потренироваться и ради интереса)... но по-итогу пришла небольшая куча... СР-50, но новых, с хранения (г-образные 161ПВ, 357 ФВ и 811ФВ)... отсюда вопрос (только в личку, pse!): прошу отозваться того, кто поможет в Минске и окрестностях распаять катушку (фото приложу - это ЖАХ!) и определиться - можно поменять (раз уж его нет) на COAX-2 - поставить СР-50 розетку? Кмк так будет проще в полевых выходах... (эт куда я собрался...?!).
Мысль вот в чем: пока трансивер в пути, а позывной на оформлении... подзаняться антенной...
Последний раз редактировалось EU1ADJ 07 июл 2017 17:56, всего редактировалось 1 раз.

Не в сети
Сообщения: 407
Зарегистрирован: 11 янв 2013 19:17

Re: Нужна помощь - совет...

Сообщение EU1U »

ba43df654f351e164fa2edbe510a7d74.jpg
MFJ-941E.JPG
62506683.jpg
_________________
73! Виктор ( ex EW1CQ )

Не в сети
Аватара пользователя
Сообщения: 65
Зарегистрирован: 16 апр 2015 02:23

Re: Нужна помощь - совет...

Сообщение EW1OM »

Эта стеклотекстолитовая галета легко (100 Вт) прогорает от ближайших контактов к заземленной стойке крепления. Поэтому совет - заменить переключатель на керамический, потными руками его не трогать. А до тех пор, ближайшие к двум гайкам 4 контакта не распаивать вообще, соответственно распаять только те отводы катушки которые реально нужны для настройки на диапазонах. Между 40 и 80 м несколько отводов неиспользуемых, а на 160 эта штука не строится, если я правильно помню. Разъемы выгодно иметь одинаковыми, чтобы менять антенны. СР-50 на большую мощность не расчитан.

Не в сети
Аватара пользователя
Сообщения: 148
Зарегистрирован: 07 июл 2009 19:58

Re: Нужна помощь - совет...

Сообщение EU1ME »

EW1OM писал(а):СР-50 на большую мощность не расчитан.
Указанные в первом сообщении СР50 расчитаны на 5кВт
_________________
Belka

Не в сети
Сообщения: 66
Зарегистрирован: 06 май 2017 17:05
Откуда: KO33RV

Re: Нужна помощь - совет...

Сообщение EU1ADJ »

Благодаря камраду Олег127 (моя глубокая благодарность!!!) (с Онлайнер бай) пациент реанимирован в состояние "готов к проверке" - катушка распаяна, галетник приведен в нормальное состояние... разъемы перепаяны.
Могу предложить проверить в деле тюнер, если кому интересно - пишите в личку...
С уважением, Дмитрий

Не в сети
Сообщения: 66
Зарегистрирован: 06 май 2017 17:05
Откуда: KO33RV

Re: Нужна помощь - совет...

Сообщение EU1ADJ »

Дабы не плодить лишних тем...

Имеется VNA по схеме EU1KY... вопрос (только не бить тапками)... калибровка OSL... делается (желательно) тремя разъемами одинаковыми (один "пустой", второй 50 ом, третий закорочен)? Вопрос вот к чему: есть ли разница, если я откалибрую разъемами разных производителей? ...

Не в сети
Аватара пользователя
Сообщения: 1444
Зарегистрирован: 09 ноя 2009 17:34
Откуда: KO13WP

Re: Нужна помощь - совет...

Сообщение EW4VX »

Следуйте инструкциям на тачскрине анализатора. Вроде 500 - 50 - 5 Ом. По паре SMDшных резисторов в каждый и готово,три калибровочных коннектора.
_________________
EW4VX-Иван-73! ew4vxc@mail.ru / ew4vxc@gmail.com

Не в сети
Сообщения: 66
Зарегистрирован: 06 май 2017 17:05
Откуда: KO33RV

Re: Нужна помощь - совет...

Сообщение EU1ADJ »

С неделю назад на своем лучике (42,5 м из ПВ-3 4 мм2) получил "щелчок" по тюнеру... LW теперь не настраивается - показатели пляшут в разные стороны, VNA норовит показать закорот... изучил вопрос защиты от статики (молниезащита пока не актуальна по причине осени) - намотал балунчик 1:9 из ПВ-3 1 мм на 2 -х колечках М30ВН, подпаял последовательно 4 резистора 10W 51 кОм... эфир стал более "гладким" что-ли... на прием еще ничего, но вот с корреспондентами минус 2-3 балла получил... т.е. ранее было (в лучшем случае) 9, то теперь, если на той стороне шумы, сплошное QRN+QRP... и предложение QRO.
Вопрос - балун - перебрать (пересобрать на других кольцах?)? Не совсем понял на счет резисторов - 240 кОм - много? Есть на примете приспособа - молниезащита CA-35RS (от Dimond), но не уверен, что она поможет от статики...
:nez-nayu: В общем, прошу подсказать....

Не в сети
Аватара пользователя
Сообщения: 107
Зарегистрирован: 09 июл 2013 05:22

Re: Нужна помощь - совет...

Сообщение ew1hf »

Скорее всего пострадала измерительная часть вашего тюнера,праверить диоды,конденсаторы,или резисторы. Просто он стал мерить "что попало". Включите внешний КСВ-метр между трансивером и тюнером и увидите,что все строится. В самом согласующем ломаться нечему. Если "прошило катушку или КПЕ-это видно визуально. 100к-200к на корпус от центрального контакта антенного разъема,если ваш корпус заземлен,чтобы избежать щелчков в будущем.

Не в сети
Сообщения: 66
Зарегистрирован: 06 май 2017 17:05
Откуда: KO33RV

Re: Нужна помощь - совет...

Сообщение EU1ADJ »

Доброго всем!
Подскажите по применимости... есть вариант полевка 268 и биметалл 4 мм... что интереснее?

Не в сети
Сообщения: 407
Зарегистрирован: 11 янв 2013 19:17

Re: Нужна помощь - совет...

Сообщение EU1U »

EW6765414 писал(а):Доброго всем!
Подскажите по применимости... есть вариант полевка 268 и биметалл 4 мм... что интереснее?
смотря для чего...
_________________
73! Виктор ( ex EW1CQ )

Не в сети
Сообщения: 66
Зарегистрирован: 06 май 2017 17:05
Откуда: KO33RV

Re: Нужна помощь - совет...

Сообщение EU1ADJ »

EU1U писал(а):
EW6765414 писал(а):Доброго всем!
Подскажите по применимости... есть вариант полевка 268 и биметалл 4 мм... что интереснее?
смотря для чего...
Доброго!
Писал с телефона целый список вопросов... но глюк... и вот (в сухом остатке):
- широкополосность?
- долговечность (в смысле ледяной дождь, ветер и т.д. и т.п.)?
- вопрос мощности пока не стоит, но на будущее...
- малозаметность?

Вопрос вот к чему - есть мысль сделать большой квадрат (на 160/80 и(или) дельту 40....10)... но смущают некоторые моменты... такие как:
Дома вокруг QTH стоят буквой П - соответственно шек находится в левом внутреннем угле (этажность домов практически одинаковая), расположение домов - практически строго север-юг
ставить мачту (одну или пару)... или поднять над шеком на дельту мачту (или дабл дельту - где-то в интернете видел) и сориентировать плоскость для максимального излучения (скажем) по азимуту 325 :st_ruskiy: ? Вопрос монстро-яги на НЧ не стоит по причине всего (финансов, знаний, и умений)...
С уважением, Дмитрий
73!

Не в сети
Сообщения: 66
Зарегистрирован: 06 май 2017 17:05
Откуда: KO33RV

Re: Нужна помощь - совет...

Сообщение EU1ADJ »

Надеюсь, Вы не думали что я успокоюсь...

Раскрутил я, таки, полевку 274 - была дельта 40 метров стала 80... соседи стали опасаться резать оттяжки - порезали - размеры антенны растут ( ;;-))) ... расплетение - протяжка - скоро так научусь сети вязать...

Вопрос вот в чем... заметил - 80 метровая дельта из одинарной (однониточной) полевки заметнее узкополоснее...? или я что-то намудрил?

Балун 1 к 1 намотал на колечке 1000НН - 6+6 оборотов (+обратных) 58U кабелем - для симметрирования..., но вот при применении балуна 1 к 4 - все настройки рассыпались... и ничего не заработало... или я не правильно намотал балун... возможно у кого-то есть толковая ссылка по балунам?

Читаю вопросы квадрата на 160 метров из 268 провода... по причине того, что надоело антенну в "колодец" опускать - сделаю стационарный вариант (за разрешениями поеду подаваться) на небольших 2 -х метровых мачтах над 12 этажками. С направленностью - никакой - в зенит (потому как мачты для направленности - нужны как минимум 10 метровые... с крепежом и прочими расходами...

интересно почитать реальные истории и "ноу-хау" построения проволочной полноволновой антенны...

получился мини-блог...

Не в сети
Сообщения: 407
Зарегистрирован: 11 янв 2013 19:17

Re: Нужна помощь - совет...

Сообщение EU1U »

_________________
73! Виктор ( ex EW1CQ )

Не в сети
Аватара пользователя
Сообщения: 388
Зарегистрирован: 26 ноя 2011 16:15
Откуда: KO33GH

Re: Нужна помощь - совет...

Сообщение EW2RS »

В разделе АНТЕННЫ КВ есть ветка --Трансформатор для Дельты на ферритовых кольцах Там все об изготовлении балуна - разжовано и в рот положено Удачи в постройке антенны 73!
_________________
ex EW2AAK Stanislau

Не в сети
Сообщения: 66
Зарегистрирован: 06 май 2017 17:05
Откуда: KO33RV

Re: Нужна помощь - совет...

Сообщение EU1ADJ »

EW2RS писал(а):В разделе АНТЕННЫ КВ есть ветка --Трансформатор для Дельты на ферритовых кольцах Там все об изготовлении балуна - разжовано и в рот положено Удачи в постройке антенны 73!
Доброго!
Большое спасибо за ссылку...

Однако не хватает мне знаний и доступа на высоту... удачи, наверное, так же...

Прием на дельту однозначно лучше, но вот передача... 5:3...5, а на лучик... 8-9...
Влияние близстоящих домов? От земли до крайней точки - метров 5-6... от полотна антенны (верхней точки - запитка) метра 1,5...2...до стены... да и "колодец" открыт только на юг...
По минимуму КСВ подогнал длину полотна... попробую сегодня извратиться и сделать открытую 120 омную линию - подключу к тюнеру - посмотрю что будет... но предполагаю - лучше не будет...
Ответить