Доработка LNB

  • Автор
  • Сообщение
Не в сети
Аватара пользователя
Site Admin
Сообщения: 906
Зарегистрирован: 06 июн 2014 17:31
Откуда: Молодечно
Контактная информация:

Доработка LNB

Сообщение EU2AA »

Доработка LNB с целью повышения стабильности частоты
-
Известен факт, что наилучшие Фазовые Шумы (ФШ) у кварцевого генератора.
ВНЕШНИЙ Опорный Генератор (ОГ) совершает ЗАХВАТ ЧАСТОТЫ кварцевого генератора LNB без ухудшения его ФШ.
-
EW2GG писал(а):Сегодня пришла LNB... Какие нибудь полезные переделки надо делать внутри?
Голова такая - https://aliexpress.ru/item/32869631207. ... 2d9dBMXf7n
Вот, как раз почти про такую, но только на ЧЕТЫРЕ выхода IT-4077.
У таких ДВЕ крышки и доступ к выводам разъемов легкий.
IT-4077l.png
-
Метод 1.
IT4077aa.jpg
IT4077bb.jpg
Cxema.png
IT4077d.jpg
При использовании LNB, имеющей 2 или 4 выхода все значительно упрощается.
Центральный штырь одного из разъемов отпаивается и туда подаются ВНЕШНИЕ высокостабильные по частоте 25МГц.
-
На фото виден МЛТ-0,125 200 Ом, как нагрузка,
и конденсатор 1206-33пФ - на вывод кварца.
Ничего выпаивать не нужно.
Попробовал и с левого разъема и с правого, оба рабочие. Но не ОБА сразу!
-
Испытал с кабелем RG58C/U длиной 25 метров.
*Оставлять разъем 25МГц ненагруженным не нужно, кабель (хотя бы 1 метр!!!) обязательно должен быть привинчен,
даже если работаем на ВНУТРЕННЕМ кварце, а ВНЕШНИЙ выключен,
Вместо кабеля можно навинтить заглушку 50 Ом.
-
Если бросить разъем открытым, то у кварца наблюдается паразитный возбуд.
IT-4077.jpg
Удобный вариант,
если не подавать ВНЕШНИЕ 25МГц, то работает кварц самой головки.
При подаче ВНЕШНИХ 25МГц с высокой стабильностью, частота приема смещается ВНИЗ примерно на 700кГц.
Происходит ЗАХВАТ частоты внутреннего генератора от ВНЕШНИХ 25МГц.
-
Проверено на работоспособность при ИЗМЕНЕНИИ уровня 25МГц от +2dBm до +10dBm.
IT-4077a.jpg
На кабеле RG58C/U длиной 25 метров уровень 25МГц упал на 1,7dB.

ПРИМЕЧАНИЕ. Если у Вашей LNB кварц далеко от разъема, то провести сигнал 25МГц внутри до кварца проще всего скруткой двух проводов. Это будет витая пара с волновым сопротивлением около 100 Ом.
Обычно беру ПЭЛШО-0,2 и ПЭВ-0,2, чтобы различить корпус и центральный проводник.
Можно сечение от 0,1 до 0,6, ляжет в любой зазор. Проследите, чтобы не передавило крышкой.
Вложения
25MHz_LNA.png
_________________
Владимир,
ex UC2CED, EU2CED, RC2CA, EU2CA
2019 год - https://observablehq.com/@eu2aa
2017 год - http://eu2aa.com
1992 год - http://eu2aa.qrz.ru

Не в сети
Аватара пользователя
Site Admin
Сообщения: 906
Зарегистрирован: 06 июн 2014 17:31
Откуда: Молодечно
Контактная информация:

Re: Доработка LNB

Сообщение EU2AA »

Если у Вас LNB с одним выходом, то самый простой путь,
привинтить на уголке второй разъем, сбоку, куда и завести ВНЕШНИЕ 25МГц.
-
Фазовые Шумы этих ВНЕШНИХ 25МГц
og25f.gif
легко портятся:
- фоном и шумами по питанию +12В,
- подвозбудами внутренних стабилизаторов 7806, китайцы "забывают" ставить 2шт. 0,1мкФ около 7806,
- мощными ПРИНИМАЕМЫМИ сигналами от 300 до 1900 МГц, ...
- если 25МГц - выдает КМОП-уровни, то это "забор" до 3ГГц и выше, там присутствуют паразитные колебания в т.ч. 10500МГц,
Минус у Варианта 1 - всего один: нужно протянуть ВТОРОЙ кабель, хоть какой, самый тонкий подойдет.
-
После шестимесячных НЕУДАЧНЫХ экспериментов,
(когда я, начитавшись разных форумов, гонял по ЕДИНСТВЕННОМУ кабелю
- 739МГц на ПРИЕМ,
- +12В 120мА с пульсациями туда,
- 25МГц с гармониками туда,
а потом это все расфильтровывал, как выяснилось - БЕЗУСПЕШНО,
и на столе,
и в головках,
)
прокладка дополнительного кабеля RG58C/U 25 метров показалась мне сущим пустяком.
-
*повторюсь, после полугода ненужной возни.
_________________
Владимир,
ex UC2CED, EU2CED, RC2CA, EU2CA
2019 год - https://observablehq.com/@eu2aa
2017 год - http://eu2aa.com
1992 год - http://eu2aa.qrz.ru

Не в сети
Аватара пользователя
Сообщения: 169
Зарегистрирован: 04 июл 2017 18:48

Re: Доработка LNB

Сообщение EW1LN »

EU2AA писал(а): При подаче ВНЕШНИХ 25МГц от модуля GNSS32 с высокой точностью, частота приема смещается ВНИЗ
GNSS32 - не найден у китайцев, поподробнее можно ?

Не в сети
Аватара пользователя
Site Admin
Сообщения: 906
Зарегистрирован: 06 июн 2014 17:31
Откуда: Молодечно
Контактная информация:

Re: Доработка LNB

Сообщение EU2AA »

Как сегодня сказал DB2OS:"DK1KQ Да, точно ... если вы хотите сделать и то и другое одновременно, вам нужен «настоящий» LNB - NB вертикально поляризован, WB горизонтально поляризован .."
NB - узкополосный режим,
WB - широкополосный режим.
_________________
Владимир,
ex UC2CED, EU2CED, RC2CA, EU2CA
2019 год - https://observablehq.com/@eu2aa
2017 год - http://eu2aa.com
1992 год - http://eu2aa.qrz.ru

Не в сети
Аватара пользователя
Site Admin
Сообщения: 906
Зарегистрирован: 06 июн 2014 17:31
Откуда: Молодечно
Контактная информация:

Re: Доработка LNB

Сообщение EU2AA »

EW1LN писал(а): GNSS32 - не найден у китайцев
странно, у китайцев ведь все есть.
_________________
Владимир,
ex UC2CED, EU2CED, RC2CA, EU2CA
2019 год - https://observablehq.com/@eu2aa
2017 год - http://eu2aa.com
1992 год - http://eu2aa.qrz.ru

Не в сети
Аватара пользователя
Сообщения: 894
Зарегистрирован: 26 май 2013 10:07
Откуда: Минск, KO33

Re: Доработка LNB

Сообщение eu1aq »

EU2AA писал(а):
EW1LN писал(а): GNSS32 - не найден у китайцев
странно, у китайцев ведь все есть.
Не удивлюсь, если у них уже есть и GNSS 3.2 ...
:-)
Последний раз редактировалось eu1aq 11 май 2020 06:21, всего редактировалось 1 раз.
_________________
73! EW1Q
ex EU1AQ, UC2AAQ

Не в сети
Аватара пользователя
Сообщения: 420
Зарегистрирован: 07 июл 2010 14:06
Откуда: KO34RC

Re: Доработка LNB

Сообщение EW1CD »

_________________
Радио-Волна:
http://radio-wave.ru/
QO100 Dx Club № 153

Не в сети
Аватара пользователя
Сообщения: 894
Зарегистрирован: 26 май 2013 10:07
Откуда: Минск, KO33

Re: Доработка LNB

Сообщение eu1aq »

EW1CD писал(а):GNSS на али

https://m.aliexpress.ru/item/32919348146.html
Валера, GNSS - это просто букафки ( https://ru.wikipedia.org/wiki/%D0%A1%D0 ... 0%B8%D0%B8 ). Речь идёт о разных девайсах ... К этому ещё и обвеску трампов на 50-60 нужно строить ...
_________________
73! EW1Q
ex EU1AQ, UC2AAQ

Не в сети
Аватара пользователя
Сообщения: 420
Зарегистрирован: 07 июл 2010 14:06
Откуда: KO34RC

Re: Доработка LNB

Сообщение EW1CD »

может и буковоооочки.
Так та конструкция и была сделана на GNSS32, хотя можно было и на NEO-6M или NEO-8m что есть дешевле.
Ну а остальное обвязка.
Леша ищет GNSS32 возможно и не для того изделия.
_________________
Радио-Волна:
http://radio-wave.ru/
QO100 Dx Club № 153

Не в сети
Аватара пользователя
Сообщения: 894
Зарегистрирован: 26 май 2013 10:07
Откуда: Минск, KO33

Re: Доработка LNB

Сообщение eu1aq »

EW1CD писал(а):Так та конструкция и была сделана на GNSS32, хотя можно было и на NEO-6M или NEO-8m что есть дешевле.
Та конструкция была принципиально сделана на NEO-M8N. Теоретически, можно было бы попробовать NEO-M7N, более ранние версии не обеспечивают требуемые параметры...
:-):
_________________
73! EW1Q
ex EU1AQ, UC2AAQ

Не в сети
Аватара пользователя
Site Admin
Сообщения: 906
Зарегистрирован: 06 июн 2014 17:31
Откуда: Молодечно
Контактная информация:

Стабильный опорный генератор 25МГц

Сообщение EU2AA »

Стабильный опорный генератор 25МГц
-
Вариант сделал на базе термостатированного генератора 100МГц AOCJ-100MHz, доставшегося мне по случаю.
Сделал быстро, "на коленке", схема от руки, фото сборки из обрезков плат
AOCJ44.jpg
Abraco - AOCJY-XXXXX.pdf
(875.42 КБ) 696 скачиваний
Опорная частота имеет фазовые шумы (ФШ) минус 130dBc/Hz в полосе 100гц.
После деления на 4 двумя D-триггерами 74LVC74PW имеем 25МГц,
при этом ФШ улучшаются на 12dB, т.е. уже минус 142dBc/Hz.
Выходной прямоугольный сигнал содержит кроме ПЕРВОЙ, также НЕЧЕТНЫЕ гармоники, целый "забор".
ФНЧ эффективно их все подавил на 55dB и более.
Чистая синусоида идет на LNB.
Генератор AOCJ в первый момент при +3,45В потребляет ток более 3А, поэтому пришлось скомбинировать стабилизатор на большой ток и преобразователь. Можно все запитать и по другому.
-
Практически сигналы что CW, что SSB - совершенно чистые.
Время установления частоты составляет около 2 минут.
Я остался доволен, так и работаю с лета 2020 года.
_________________
Владимир,
ex UC2CED, EU2CED, RC2CA, EU2CA
2019 год - https://observablehq.com/@eu2aa
2017 год - http://eu2aa.com
1992 год - http://eu2aa.qrz.ru

Не в сети
Аватара пользователя
Site Admin
Сообщения: 906
Зарегистрирован: 06 июн 2014 17:31
Откуда: Молодечно
Контактная информация:

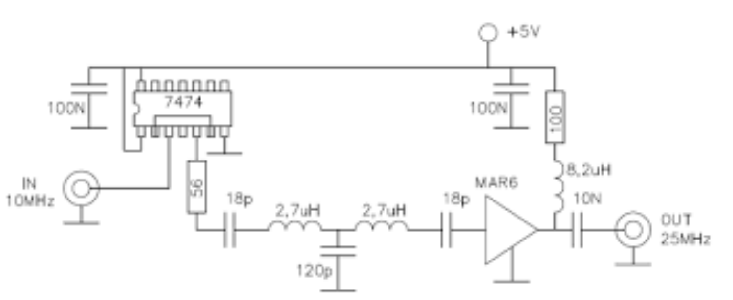
10МГц ---> 25МГц

Сообщение EU2AA »

10МГц ---> 25МГц
-
Если у Вас есть стабильный генератор 10МГц, то из него можно получить достаточно просто 25МГц для LNB,
не ухудшая ФШ.
10MHz --> 25MHz.jpg
10MHz -> 25MHz.png
10МГц делим триггером на 2, получаем 5МГц. Применяю широко распространенный 74LVC74APW - одну половинку.
Затем умножаем 5МГц на 5 и получаем искомые 25МГц.
Полосовой филтр 25МГц даст такую АЧХ:
BPF25MHz.png
Нужно ставить точные номиналы дросселей и конденсаторов.
Если скрупулезно посчитать изменения ФШ, то при делении на 2 мы выигрываем 6dB, а при умножении на 5 - теряем 14dB.
Итого - мы потеряем 8db.
Например, если ФШ опорного генератора 10МГц - минус 130dBc/Hz, то ФШ на частоте 25МГц составят минус 122dBc/Hz, что есть ПРЕКРАСНЫЙ результат.
PE1CKK привел даже фото монтажа:
25MHz out 10MHz.pdf
(155.76 КБ) 932 скачивания
Mmic MAR6 можно заменить на AG604-89, Gali-6, Gali5, SBB5089Z, ERA ....
_________________
Владимир,
ex UC2CED, EU2CED, RC2CA, EU2CA
2019 год - https://observablehq.com/@eu2aa
2017 год - http://eu2aa.com
1992 год - http://eu2aa.qrz.ru

Не в сети
Аватара пользователя
Site Admin
Сообщения: 906
Зарегистрирован: 06 июн 2014 17:31
Откуда: Молодечно
Контактная информация:

TCXO 4-10ppb

Сообщение EU2AA »

Термостатированный кварцевый генератор 4-10ppb
-
1.Идею мне подали UA4LCF http://forum.vhfdx.ru/prijomnoe-oborudo ... #msg393818 и UR5EIN http://forum.vhfdx.ru/prijomnoe-oborudo ... #msg393862
Работать не в ключевом режиме, а использовать аналоговый PNP-транзистор и держать его частично открытым с малым током.
Схема UA4LCF содержала как нагреватель, так и вентилятор. Сложно и габаритно.

-
2.Подобные схемы описаны в книге Альтшуллера Г.Б., Елфимова Н.Н., Шакулина В.Г. Кварцевые генераторы, Москва Радио и связь, 1984, стр.114. Пропорциональный регулятор температуры. Однако там требовался дефицитный позисторный нагревательный элемент, что усложняло реализацию.

-
3.Исследуя фирменные TCXO, я обратил внимание на их ПОСТОЯННО горячий корпус.
Теплоизоляции там нет вообще!
TCXO2.jpeg
Выходило, что если не усердствовать с теплоизоляцией, то можно обойтись без вентилятора.

-
4.Сняв ТЧХ (Температурно Частотную Характеристику) исходного генератора 40ppm, обнаружил как крутые участки, так и пологие.
Наиболее удобные пологие участки располагались в районе температур от 32 до 45 градЦ. Для разных генераторов при разной температуре.

-
5.Ввиду отсутствия камеры тепла, для снятия индивидуальных ТЧХ пришлось воспользоваться возможностями самого генератора в корпусе. Вывел R2 наружу, вращая ось подстроечного сопротивления, выставлял любую температуру от 25 до 70 градЦ.

-
6.Остальные принципы повышения стабильности опорного генератора
- внешнее стабилизированное напряжение питания +8В, стабилизатор 7808.
- внутренний дополнительный стабилизатор +5В только для генератора.
- термостатирование ВСЕХ элементов генератора.
- умеренный теплоизоляционный материал: 3мм депрон. Потолочная плитка из депрона.
- NTC-термистор посажен на нагреватель через термопасту.
_________________
Владимир,
ex UC2CED, EU2CED, RC2CA, EU2CA
2019 год - https://observablehq.com/@eu2aa
2017 год - http://eu2aa.com
1992 год - http://eu2aa.qrz.ru

Не в сети
Аватара пользователя
Site Admin
Сообщения: 906
Зарегистрирован: 06 июн 2014 17:31
Откуда: Молодечно
Контактная информация:

TCXO 10ppb

Сообщение EU2AA »

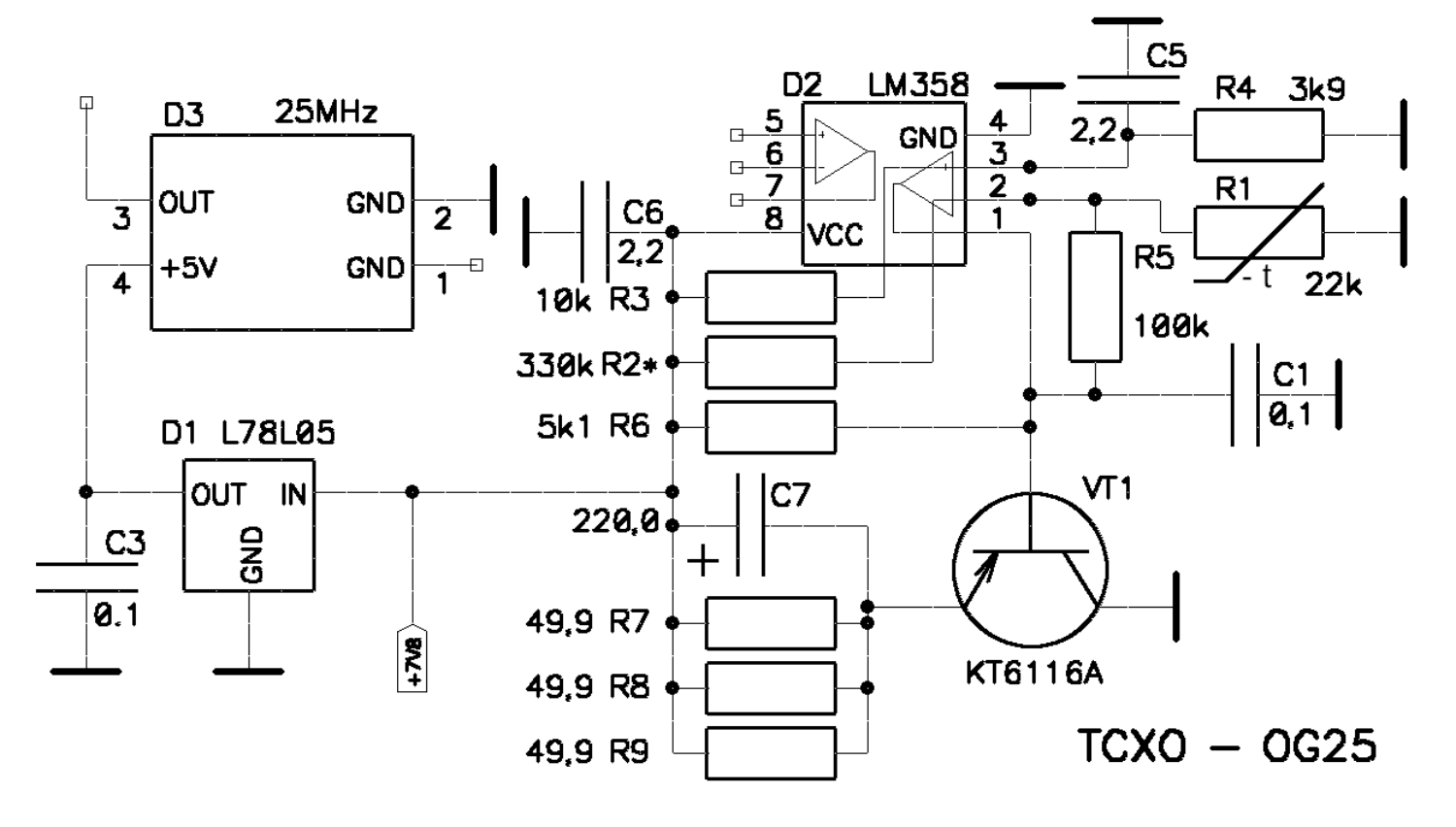
Электрическая принципиальная схема
og25s.png
Перечень элементов
-
Конденсаторы
C1,C3 - X7R - 0603 - 0,1 мкФ ±10 % - 2шт.
C5,C6 - X7R - 0603 - 16V - 2,2 мкФ ±10 % - 2шт.
C7 - Тантал Тип D, но лучше электролит - 10V-220,0мкФ ±10 % - 1шт.
-
Микросхемы
D1 — ST L78L05 или IN78L05- 1шт.
D2 - LM358D или LM2904M — 1шт.
D3 — MMD-генератор 40х10-6 , либо другой, в т.ч. на навесных элементах - 1шт.
D4 - 7808 или КР1180ЕН8 - 1шт. внешний стабилизатор, на схеме не показан
-
Резисторы
R1 — NTC-термистор B57891-M891-22k - 1шт., можно иной номинал, пропорционально изменив R5.
R2* - 0603 – 110 kОм ±5 % - 1шт.
R3 - 0603 – 10 kОм ±5 % - 1шт.
R4 - 0603 – 3,9 kОм ±5 % - 1шт.
R5 - 0603 – 100 kОм ±5 % - 1шт.
R6 - 0603 – 5,1 kОм ±5 % - 1шт.
R7-R9 — P1-3-10-49,9 Ом ±1 % - 3шт. *болт отпаян, резистивные элементы использованы как нагреватели
og14d.jpeg
Резисторы Р1-3 тонкопленочные, основание у них не соединено с выводами резистивной части.
Берем резистор Р1-3, поворачиваем болтом вверх и греем мощным паяльником, пока не брызнет припой и не отслоится сам резистор от пятки-болта. Припой там обычный, ПОС61, температура плавления +(290-310)градС.
Затем переворачиваем, отпаиваем лепестки и очищаем от краски.
-
Транзистор
VT1 - KT6116A - 1шт.
-
Ничего дефицитного, только свое собственное время и усердие.
_________________
Владимир,
ex UC2CED, EU2CED, RC2CA, EU2CA
2019 год - https://observablehq.com/@eu2aa
2017 год - http://eu2aa.com
1992 год - http://eu2aa.qrz.ru

Не в сети
Аватара пользователя
Site Admin
Сообщения: 906
Зарегистрирован: 06 июн 2014 17:31
Откуда: Молодечно
Контактная информация:

Монтаж и регулировка TCXO 10ppb

Сообщение EU2AA »

Монтажная схема
og25t.png
og_10MHz.jpg
GERBER-файл платы можно транслировать в формат LAY для ЛУТ-технологии.
--
Обратная сторона платы освобождена от маски для распайки нагревательных элементов R7-R9.
Резисторы, расположив все три бортом к борту, напаивают мощным паяльником на пустую плату.
Выводы всех трех резисторов R7-R9 соединяют тонкой луженкой параллельно. Общее сопротивление будет 17 Ом.
Общие выводы заводят на обратную сторону МГТФ-0,5.
После распайки всех остальных элементов, последним припаивают термистор, отформовав его выводы с таким расчетом, чтобы он лежал на одном из нагревательных элементов через теплопроводящую пасту КПТ-8 и ПЛОТНО касался поверхности нагревателя.
Выводы термистора пружинят и если его отогнуть для нанесения пасты, то потом его уже никогда не прижать.
Поэтому: отформовать, нанести пасту, прижать и припаять! Только так.
-
Пример от EW1Q:
EW1Q_545.jpg
Под термистор EW1Q сделал отверстие напротив площадки D2/2-R5-C4:
EW1Q_736.jpg
Регулировка
1.Припаять все элементы, кроме R2*.
2.Вместо R2 подключить ВНЕШНИЙ потенциометр 470к двумя проводками.
3.Выставить МАКСИМАЛЬНОЕ значение R2.
4.Поместить ОГ в коробочку из депрона, не заклеивая верхней крышки, просто придав молотком.
5.В отверстие Ø0,8мм ставить датчик термометра
31C.jpg
6.Прогреть частотомер и подключить к выходу генератора.
7.Включить ОГ и снять ТЧХ (Температурно Частотную Характеристику) генератора.
8.При МАКСИМАЛЬНОМ положении R2 термостат будет держать МИНИМАЛЬНУЮ температуру.
Вести записи в виде таблицы: температура/частота (единицы Гц, десятые и сотые доли Герц)/приращение частоты.
3,75Hz.jpg
*пример записи 375 ---- 3,75Гц
Требования к частотомеру: видеть единицы Гц, десятые и сотые доли Герц. Высокая стабильность - 1х10-9 и лучше, хотя бы кратковременная.
9.Уменьшить значение R2 вращением ручки. Нагрев включится и температура термостата увеличится.
10.Повторить пп.8,9 до достижения температуры +70градС.
11. Изучить записи.соответствует
Пример: 22градС/145 (соответствует 1,45Гц)/-; 23/133/-12; 24/115/-18; 25/100/-15; 26/088/-12; 27/082-6/; 28/079/-3; 29/078/-1; 30/077/-1; 31/077,8/-0,8/; 32/078,3/-0,5; 33/079/+0,7; 34/081/+2; 35/085/+4; 36/091/+6; 37/100/+9; 38/114/+14; 39/135/+21; 40/155/+20; 41/190/+35; 42/235/+45; 43/295/+60; 44/363/+68; 45/453/+90; 46/573/+120; 47/708/+138; 48/868/+160; 49/1098/+230; 50/1376/+278; 51/1698/+322; 52/2025/+345; 53/2405/+380; 54/2828/+423; 55/2273/+445; 56/2743/+470; 57/2244/+501; 58/2779/+535; 59/3339/+560; 60/3930/+591; 61/4531/+601; 62/5151/+620; 63/6031/+680; 64/6821/+790; 65/7641/+820; 66/8473/+832; 67/9274/+801; 68/9978/+704; 69/759/+781; 70/1569/+810; 71/2430/+861; 72/3310/+880; 73/4231/+921; 74/5162/+933; 75/6115/+953; 76/7055/+940; 77/7855/+800
Можно изобразить графически, но в линейном масштабе график ненаглядный, это именно тот случай, когда и безо всякого графика видно, где высокая стабильность.
12.ТЧХ до 32градС имеет ОТРИЦАТЕЛЬНЫЙ участок, а после 35градС - ярко выраженный ПОЛОЖИТЕЛЬНЫЙ участок.
13. Наиболее стабильна частота в районе 32градС. Виден переход с ОТРИЦАТЕЛЬНОЙ ТЧХ к ПОЛОЖИТЕЛЬНОЙ. Уплощение ТЧХ. Дрейф =0,5Гц/градС.
Здесь лучше и остановиться.
14.Многие "умные" книжки рекомендуют температур термостата делать равной +60градС.
Что у нас там? Дрейф=591Гц/градС. Хуже в ТЫСЯЧУ раз. А это ТРИ порядка по стабильности!
По-моему, достаточно сделать выше летней температуры в нашей местности.
15..Кварц - природный материал, происхождение его покрыто мраком неизвестности. Поэтому для других генераторов или кварцевых резонаторов ТЧХ может быть совсем другой.
16.При небольшой сноровке, расположив табло частотомера и термометра мультиметра рядом, можно снять за ОДИН раз всю ТЧХ.
17.Прогретый частотомер дает высокую КРАТКОВРЕМЕННУЮ стабильность частоты, поэтому при быстрой работе будет хороший результат.
18.Для обретения уверенности лучше повторить измерения несколько раз. Можно - при УВЕЛИЧЕНИИ температуры, можно - при СНИЖЕНИИ.
19.Главное - заметить температуру ПЕРЕГИБА ТЧХ.
Она повторяется для группы генераторов/кварцев из одной партии. *происхождение обязывает!
20.Получив приемлемый результат заклеиваем генератор в ноную депроновую коробочку и перепроверяем его согласно п.10.
21.Измерительное отверстие затыкаем депроновой стружкой.
22.Обклеивает TCXO алюминиевой самоклейкой.
-
Результаты испытаникй
1.Было изготовлено 6 генераторов, используя термокомпенсированный SMD-генератор MMD с исходной нестабильностью 40*10-6.
Пять на частоту 14,7456МГц и один на 25МГц.
2.Достигнута относительная нестабильность: 8,2ppb, 8,3ppb, 4,1ppb, 8,8ppb, 11,6ppb, 8,7ppb.
3.Температура термостата: +37градС, +34градС, +30градС, +34градС, +33градС, +32градС соответственно.
4.Точных измерений при отрицательных температурах не проводил, ограничился заоконными минус 10 градЦ, потребление тока стабилизировалось около 120мА.
5. В комнатных условиях от стабилизированного источника (7808) потребление при первом включении было около 0,22А, через 2 минуты падало и стабилизировалось в районе (55-64)мА.
6.Для измерений частоты использовал частотомер Agilent Technologies 53181A с опцией дополнительного опорного генератора стабильностью 1х10-10 или 0,1ppb.
-
7.Фазовые шумы
og25f.gif
Генератор в депроновой коробочке
og14b.jpeg
склеенной клеем TITAN или МАСТЕР
-
8.Заклеенные TCXO
og14h.jpeg
Синий ПЭЛШО-0,31 - корпус. синих может быть ДВА,
ПЭВ-0,31 - выход 25МГц,
Красный - +8В СТАБИЛИЗИРОВАННЫЕ. Нужен отдельный стабилизатор типа 7805 с парой конденсаторов 0,1мкФ.
--
Ток потребления сразу после включения - около 90мА,
через несколько минут падает до (20-40)мА и плавно изменяется в этих пределах.
Имеется в виду, что сам генератор находится при комнатной температуре.
--
Если вынести генератор наружу, то при морозе ток будет выше,
подробно этот процесс не исследовал, из-за отсутствия камеры холода.
--
Если поехать в жаркую страну, например в ОАЭ, летом, то днем, когда температура достигает +47 град Цельсия,
нагреватель включаться просто не будет. Из-за того, что точка стабилизации ниже по температуре. Обычно - от +32 до 40 град.Цельсия. Но работать будет, однако стабильность немного снизится.


*если кого-то пугает сложность регулировки и нет высокостабильного частотомера, то это не беда.
Смысл настройки - поймать точку перегиба.
Когда с нагревом частота падает, а потом начинает возрастать.
Вот там и нужно остановиться.
А для этого подойдет ЛЮБОЙ частотомер и временная замена резистора R2* на подстроечный.

Да, Вы не будете знать точное значение стабильности своего ОГ, но высокую стабильность Вы точно получите!
_________________
Владимир,
ex UC2CED, EU2CED, RC2CA, EU2CA
2019 год - https://observablehq.com/@eu2aa
2017 год - http://eu2aa.com
1992 год - http://eu2aa.qrz.ru

Не в сети
Аватара пользователя
Site Admin
Сообщения: 906
Зарегистрирован: 06 июн 2014 17:31
Откуда: Молодечно
Контактная информация:

Генератор 25МГц для LNB

Сообщение EU2AA »

Генератор 25МГц для LNB
Один из изготовленных генераторов приспособил для LNB
og25a.jpeg
og25m.jpeg
Плата изготовлена резаком и из обрезков подходящих плат.
В LNB по отдельному кабелю RG-58CU длиной 25 метров подается аналоговый сигнал, очищенный от всех гармоник,
уровнем (5-10)dBm.
IT4077.jpg
IT4077.jpg (25.17 КБ) 18738 просмотров
Если пустить прямоугольник в кабель, то в головке он засорит 29-й гармоникой спектр частоты 739МГц, а 419-й гармоникой - 10489МГц, нужен именно ФНЧ! Чтобы вычистил ВСЁ выше 25МГц!
Посмотрел анализатором спектра цифровой сигнал - это сумма нечетных гармоник 25МГц. До 3ГГц с вполне солидными уровнями.
_________________
Владимир,
ex UC2CED, EU2CED, RC2CA, EU2CA
2019 год - https://observablehq.com/@eu2aa
2017 год - http://eu2aa.com
1992 год - http://eu2aa.qrz.ru

Не в сети
Аватара пользователя
Site Admin
Сообщения: 906
Зарегистрирован: 06 июн 2014 17:31
Откуда: Молодечно
Контактная информация:

Re: Доработка LNB

Сообщение EU2AA »

Описал процесс регулировки,
если имеется хоть какой частотомер.
Для удобства чтения в том же порядке изложения.
_________________
Владимир,
ex UC2CED, EU2CED, RC2CA, EU2CA
2019 год - https://observablehq.com/@eu2aa
2017 год - http://eu2aa.com
1992 год - http://eu2aa.qrz.ru

Не в сети
Аватара пользователя
Сообщения: 87
Зарегистрирован: 20 мар 2015 16:27
Откуда: г.Слуцк

Re: Доработка LNB

Сообщение EW2AAA »

Достал из сусеков термостат от "Р-154" с целью изготовить на его основе стабильный,опорный генератор 25 мгц для LNB.Есть кварц на 100 мгц гармониковый,наверняка, но в в схеме где он работал возбуждался на 10-й гармонике.Дальше делитель на 4 и ФНЧ.Интересно, разместить в термостате один резонатор,или весь блок генератора.Размеры позволяют.На лампе такой вопрос бы не стоял.Лампы вообще стабильнее в этом отношении.
Вложения
IMG_20210326_091002.jpg
Image 2.png

Не в сети
Аватара пользователя
Site Admin
Сообщения: 906
Зарегистрирован: 06 июн 2014 17:31
Откуда: Молодечно
Контактная информация:

Re: Доработка LNB

Сообщение EU2AA »

VERN писал(а):Достал из сусеков термостат от "Р-154" с целью изготовить на его основе стабильный,опорный генератор 25 мгц для LNB.Есть кварц на 100 мгц гармониковый,наверняка, но в в схеме где он работал возбуждался на 10-й гармонике.
Кварцы возбуждаются на НЕЧЕТНЫХ механических гармониках: 1-й, 3-й, 5-й.... и.т.д. У Вас, скорее всего 5-я, либо 7-я.
VERN писал(а):Дальше делитель на 4 и ФНЧ.
74LVC74APW 10 штук на Али за $1 с доставкой, сам покупал
VERN писал(а):Интересно, разместить в термостате один резонатор,или весь блок генератора.Размеры позволяют.
Весь генератор. Однозначно.
VERN писал(а):На лампе такой вопрос бы не стоял.Лампы вообще стабильнее в этом отношении.
Согласен, лампа или полевой транзистор, как здесь
схема
_________________
Владимир,
ex UC2CED, EU2CED, RC2CA, EU2CA
2019 год - https://observablehq.com/@eu2aa
2017 год - http://eu2aa.com
1992 год - http://eu2aa.qrz.ru

Не в сети
Аватара пользователя
Сообщения: 87
Зарегистрирован: 20 мар 2015 16:27
Откуда: г.Слуцк

Re: Доработка LNB

Сообщение EW2AAA »

EU2AA писал(а):Кварцы возбуждаются на НЕЧЕТНЫХ механических гармониках: 1-й, 3-й, 5-й.... и.т.д. У Вас, скорее всего 5-я, либо 7-я.
Действительно,что это я.Стыдно. :-(Сбило с толку то,что заводской генератор,от которого использовался кварц, выдавал две частоты 10 и 100 мгц.
Последний раз редактировалось EW2AAA 05 янв 2022 14:01, всего редактировалось 1 раз.

Не в сети
Аватара пользователя
Сообщения: 894
Зарегистрирован: 26 май 2013 10:07
Откуда: Минск, KO33

Re: Доработка LNB

Сообщение eu1aq »

EU2AA писал(а):Описал процесс регулировки,
если имеется хоть какой частотомер.
Владимир Ильич, а как же: "Требования к частотомеру: видеть единицы Гц, десятые и сотые доли Герц. Высокая стабильность - 1х10-9 и лучше, хотя бы кратковременная." ?
Как бы обычный народный хоть какой частотомер показывает тока единицы герц ... В лучшем случае ...
:-):
Последний раз редактировалось eu1aq 26 мар 2021 19:25, всего редактировалось 1 раз.
_________________
73! EW1Q
ex EU1AQ, UC2AAQ

Не в сети
Аватара пользователя
Site Admin
Сообщения: 906
Зарегистрирован: 06 июн 2014 17:31
Откуда: Молодечно
Контактная информация:

Re: Доработка LNB

Сообщение EU2AA »

eu1aq писал(а):Владимир Ильич, а как же: "Требования к частотомеру: видеть единицы Гц, десятые и сотые доли Герц. Высокая стабильность - 1х10-9 и лучше, хотя бы кратковременная." ?
Как бы обычный народный частотомер показывает тока единицы герц ... В лучшем случае ...
:-):
Народный частотомер должен показывать СОТЫЕ ДОЛИ Герца!
Иначе, какой же он "народный"?
_________________
Владимир,
ex UC2CED, EU2CED, RC2CA, EU2CA
2019 год - https://observablehq.com/@eu2aa
2017 год - http://eu2aa.com
1992 год - http://eu2aa.qrz.ru

Не в сети
Аватара пользователя
Site Admin
Сообщения: 906
Зарегистрирован: 06 июн 2014 17:31
Откуда: Молодечно
Контактная информация:

Термостаты из Прошлого

Сообщение EU2AA »

Термостаты из Прошлого
-
Обращаю внимание на существенные моменты.
1.Термостаты в прошлом были, как правило КЛЮЧЕВЫЕ.
2.Температура термостатирования была, как правило - +60град Цельсия.
3.Стабильность - 1х10-6 - 1ppm (1000ppb) - считалась высоким достижением.
Нагрелся до +60градЦ - выключился, остыл - включился и т.д.
Частота из-за включения/выключения нагрева "рыскала" в пределах +-0,5х10-6 - 0,5ppm (500ppb),
в Прошлом это было нормально.
-
Для 10ГГц такой не подойдет.
При приеме QO-100 на 10489МГц такое "рыскание" частоты соответствует +-5,250кГц!
Что на CW, что на SSB полная потеря сигнала!
Не говоря уже про FT4, FT8 и прочая и прочая ...
-
Даже "рыскание" частоты в пределах +-50Гц раздражает! Был корреспондент, а тут "прыгнул" в сторону.
Это он же или кто-то другой? И так каждые несколько секунд!
Вроде бы достигнута высокая стабильность, +-50Гц соответствует 0,05ppm (50ppb), а работа через спутник превращается в муку!
-
Поэтому, как ни грустно, но с идеями применить термостат из Прошлого лучше расстаться.
-
Каковы новые требования к термостату?
1.Режим КЛЮЧЕВОЙ, как непригодный, должен быть заменен на АНАЛОГОВЫЙ.
Транзистор, задающий ток через нагреватель, должен быть ВСЕГДА ОТКРЫТ.
Ток меняется плавно, в зависимости от температуры внутри.
В целом идет два встречных процесса:
- отдача тепла наружу,
- подогрев изнутри.
Баланс этих двух процессов и определяет ток потребления.
*на минусе, зимой, этот ток выше. Летом, в жару - ниже.
-
2.Утеплитель, как ни странно, особо и не нужен.
Гораздо важнее минимизировать внутренний объем термостата.
-
Подозреваю, что для больших, бочкообразных термостатов такой режим вообще неподъемный.
-
3.Исследование ТЧХ (Термо Частотной Характеристики) позволит найти участок с МИНИМАЛЬНЫМ дрейфом частоты. Как правило - это точка ПЕРЕГИБА ТЧХ с ПОЛОЖИТЕЛЬНОГО участка на ОТРИЦАТЕЛЬНЫЙ или наоборот.
4.Температура внутри термостата - не догма. Главное, чтобы она была выше окружающей среды в Вашей местности!
-
Ранее, в этой же Теме про это уже писал, повторяю, чтобы обратить внимание!
_________________
Владимир,
ex UC2CED, EU2CED, RC2CA, EU2CA
2019 год - https://observablehq.com/@eu2aa
2017 год - http://eu2aa.com
1992 год - http://eu2aa.qrz.ru

Не в сети
Аватара пользователя
Сообщения: 894
Зарегистрирован: 26 май 2013 10:07
Откуда: Минск, KO33

Re: Доработка LNB

Сообщение eu1aq »

EU2AA писал(а):Народный частотомер должен показывать СОТЫЕ ДОЛИ Герца!
Иначе, какой же он "народный"?
Гы! Народ народу ... Мы-ж не в эуропах, а тем более - не за океаном ... Нам и один герц - в радость ...
Было бы свободных 3К денех, обзавелся бы таким:
photo_2021-03-26_19-04-45.jpg
Pendulumt_1.jpg
pendulum_20180410_CNT-90_SK.jpg
:-):
_________________
73! EW1Q
ex EU1AQ, UC2AAQ

Не в сети
Аватара пользователя
Site Admin
Сообщения: 906
Зарегистрирован: 06 июн 2014 17:31
Откуда: Молодечно
Контактная информация:

Re: Доработка LNB

Сообщение EU2AA »

eu1aq писал(а):Гы! :-):
А слабо без 3К евро сделать частотомер на ОДНОМ PICе,
хотя бы до 30МГц, но
с ДВУМЯ-ТРЕМЯ знаками после 1Гц?
Опорник с 10ppb (0,01ppm) и Предварительный делитель до 13ГГц уже не проблема.
-
*помнится, Сергей EW2AH в 1999-м делал такие с ЖКИ от телефонного аппарата
_________________
Владимир,
ex UC2CED, EU2CED, RC2CA, EU2CA
2019 год - https://observablehq.com/@eu2aa
2017 год - http://eu2aa.com
1992 год - http://eu2aa.qrz.ru
Ответить