Помогите, пожалуйста, прочитать схему.
Помогите прочитать схему (с шумовыми диодами)
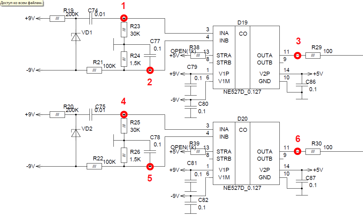
Это две одинаковые схемы с шумовыми диодами. Шумовой диод - это КГ401А
Каким образом происходит сравнение на компараторе? Что с чем?
Какие напряжения там в точках?
Предлагают убрать R21 и R22 - что изменится? И какие могут быть опасности?
Например, конденсатор С77 (С78) окажется напрямую подключён к питающему напряжению - чем это плохо?
Заранее благодарен за ответ.
Помогите прочитать схему (с шумовыми диодами)
- Автор
- Сообщение
-
Не в сети
- Сообщения: 3
- Зарегистрирован: 18 ноя 2014 14:57
-
Не в сети
- Сообщения: 73
- Зарегистрирован: 15 дек 2013 15:54
Re: Помогите прочитать схему (с шумовыми диодами)
U1 = U4 = 0Vlukril писал(а):... Какие напряжения там в точках?...
U2 = U5 = 1.5k*(-9V)/(100+1.5)= -0.133V (точка сравнения)
U3 = U6 = 0V | 5V
Работать не будет, т.к. точка сравнения упрётся в -9V, а должна быть в половине шумового напряжения, который вырабатывает диод.lukril писал(а):... Предлагают убрать R21 и R22 - что изменится? И какие могут быть опасности? ...
Ничем не плохо, просто компаратор не работает, если один из его входов подключить к питанию.lukril писал(а):... Например, конденсатор С77 (С78) окажется напрямую подключён к питающему напряжению - чем это плохо? ...
-
Не в сети
- Сообщения: 3
- Зарегистрирован: 18 ноя 2014 14:57
Re: Помогите прочитать схему (с шумовыми диодами)
Вот я тоже так посчитал!!!
Спасибо за чёткий и очень полезный расчёт!!!
Но парадокс в том, что... с чего начался вопрос.
Такая схема (точнее половина 1-2-3) перестала выдавать случайную последовательность, шум то есть.
Выпаяли эти резисторы и схема ожила.
Промеряли обычным мультиметром
Точка Напряжение, В (с резисторами) Напряжение, В (без резисторов)
1 0,04 0,03
2=INB 0,13 0,0027
3 2,62 1,38
4 0,04 0,03
5 =INB 0,13 0,0027
6 2,58 1,31
И как-то это не сходится с расчётами...
Читал ещё, что эти резисторы могут определять "остроту" зубьев пилы, меняющегося напряжения.
По поводу компаратора NE527
в даташите есть фраза
Input common-mode
range should be limited to values of 2V less than the supply voltages
(V1+ and V1-) up to a maximum of ±5V as supply voltages are
increased.
это как раз про то, что нельзя вход подключать к питающему напряжению?
Спасибо за чёткий и очень полезный расчёт!!!
Но парадокс в том, что... с чего начался вопрос.
Такая схема (точнее половина 1-2-3) перестала выдавать случайную последовательность, шум то есть.
Выпаяли эти резисторы и схема ожила.
Промеряли обычным мультиметром
Точка Напряжение, В (с резисторами) Напряжение, В (без резисторов)
1 0,04 0,03
2=INB 0,13 0,0027
3 2,62 1,38
4 0,04 0,03
5 =INB 0,13 0,0027
6 2,58 1,31
И как-то это не сходится с расчётами...
Читал ещё, что эти резисторы могут определять "остроту" зубьев пилы, меняющегося напряжения.
По поводу компаратора NE527
в даташите есть фраза
Input common-mode
range should be limited to values of 2V less than the supply voltages
(V1+ and V1-) up to a maximum of ±5V as supply voltages are
increased.
это как раз про то, что нельзя вход подключать к питающему напряжению?
-
Не в сети
- Сообщения: 73
- Зарегистрирован: 15 дек 2013 15:54
Re: Помогите прочитать схему (с шумовыми диодами)
Ерунда, никакого парадокса. Вы когда пишете "убрать" - пишите, что Вы лично подразумеваете под этим действием: в большинстве случаев подразумевается действие "закоротить". А что я там себе наподразумевал, видно из моего поста невооружённым глазомlukril писал(а): ... Но парадокс в том, что... с чего начался вопрос. ... Выпаяли эти резисторы и схема ожила.
Удалив R21, Вы удалили смещение (эдакий амплитудный селектор), т.е. перешли к классической схеме включения ОУ: чувствительность определяется приведённым входным смещением и гистерезисом компаратора; R24, C77 тоже надо удалить, подсоединив вход к земле.
Гы-гы, Вы умудрились свести 2 вопроса в один, Вам бы с гугль-переводчиком подружитьсяlukril писал(а): ... range should be limited to values of 2V less than the supply voltages ...
-
Не в сети
- Сообщения: 3
- Зарегистрирован: 18 ноя 2014 14:57
Re: Помогите прочитать схему (с шумовыми диодами)
С П А С И Б О !!!
Всё так и есть. Готов проставиться (допустим бутылочку хорошего напитка), реально помогло разобраться!
по итогу - удалось измерить всё осциллографом.
Точка сравнения действительно была в районе -0.133.
Я и сам не понял, что подразумевал под "убрать", действительно, наверное, замыкание, поэтому и не понимал.
Но подразумевалось, как выяснилось, вообще убрать и не закорачивать - тогда действительно точка сравнения становилась нулевой.
А дело было в том, если интересно, что шумовой диод шумел с малой амплитудой в районе нуля и не доходил даже до точки сравнения -0.133.
А предыдущий диод шумел ого-го! с какой амплитудой.
Решили на землю не замыкать, а поставить вместо 1.5КОм резистор 0.1 КОм.
Почти ноль, а схема не меняется.
и всё стало работать, как надо!
Ещё раз спасибо за объяснения!
Всё так и есть. Готов проставиться (допустим бутылочку хорошего напитка), реально помогло разобраться!
по итогу - удалось измерить всё осциллографом.
Точка сравнения действительно была в районе -0.133.
Я и сам не понял, что подразумевал под "убрать", действительно, наверное, замыкание, поэтому и не понимал.
А дело было в том, если интересно, что шумовой диод шумел с малой амплитудой в районе нуля и не доходил даже до точки сравнения -0.133.
А предыдущий диод шумел ого-го! с какой амплитудой.
Решили на землю не замыкать, а поставить вместо 1.5КОм резистор 0.1 КОм.
Почти ноль, а схема не меняется.
и всё стало работать, как надо!
Ещё раз спасибо за объяснения!
-
Не в сети
- Сообщения: 73
- Зарегистрирован: 15 дек 2013 15:54
Re: Помогите прочитать схему (с шумовыми диодами)
Да, нзчlukril писал(а):С П А С И Б О !!!...