Нужен совет по переключению фильтров

Всё что связано с аппаратурой и антеннами
Ответить
  • Автор
  • Сообщение
Не в сети
Аватара пользователя
Сообщения: 57
Зарегистрирован: 02 май 2015 06:51

Нужен совет по переключению фильтров

Сообщение igoryk »

filtry.jpg
Здравствуйте. Хочу сделать переключение фильтров
на 10.7Мгц с помощью герконового реле.
Приобрел узкополосные, чтобы лучше было
NFM. Как сделать коммутацию: у родных фильтров отсоединять
вход иливыход от м.сх. и отсоединять средние ножки от массы?
Или подпаять новые параллельно и коммутировать только
вход или выход?

Не в сети
Аватара пользователя
Сообщения: 271
Зарегистрирован: 08 дек 2013 17:59
Откуда: Гомель

Re: Нужен совет по переключению фильтров

Сообщение EW8B »

Я бы так сделал
Вложения
схем.jpg
_________________
Виктор EW8B (ex EW8BT; UC2OIQ)

Не в сети
Аватара пользователя
Сообщения: 57
Зарегистрирован: 02 май 2015 06:51

Re: Нужен совет по переключению фильтров

Сообщение igoryk »

Приемник питается от батареек(6V). Реле(если удастся такое найти)
минимум берет 50мА. В худшем случае 140 мА. АКБ хватит не надолго.
Может кто знает схему на полевиках (от МВ компьютера R канала 0.3 ом)
для этого случая (см. схему) или другую электронную с хорошими параметрами.

Не в сети
Сообщения: 78
Зарегистрирован: 23 апр 2013 20:44

Re: Нужен совет по переключению фильтров

Сообщение DimaS »

Ещё бывают поляризованые реле... :-). А дешевле и прще сделать на диодах.
_________________
73! EU1CC

Не в сети
Аватара пользователя
Сообщения: 271
Зарегистрирован: 08 дек 2013 17:59
Откуда: Гомель

Re: Нужен совет по переключению фильтров

Сообщение EW8B »

В реле можно ток удержания снизть до минимума, если обмотку включить последовательно с поралельно включенными резистором и конденсатором. Реле это лучший вариант но можно и переключать при помощи P-in диодов. Диоды можно выпаять из блоков СКМ-24 старых телевизоров.Черные прямоугольнички с двумя выпуклыми точьками, марку не помню. (КД409 по мойму) Странно что герконовые реле у вас потребляют такой ток.
_________________
Виктор EW8B (ex EW8BT; UC2OIQ)

Не в сети
Аватара пользователя
Сообщения: 57
Зарегистрирован: 02 май 2015 06:51

Re: Нужен совет по переключению фильтров

Сообщение igoryk »

Реле герконовые подходят только типа РЭС-55 надо 2 шт.
Габариты приемника не позволяют. Подходят РЭС 49,60, 80.
Вот про их ток срабатывания и пишу. А можете прикрепить
схему коммутации для (приведенного куска схемы)
с помощью КД409 их навалом.

Не в сети
Аватара пользователя
Сообщения: 271
Зарегистрирован: 08 дек 2013 17:59
Откуда: Гомель

Re: Нужен совет по переключению фильтров

Сообщение EW8B »

Это элементарно, только вот с телефона мне схему нарисовать будет проблема
тично. К вечеру доберусь до компа нарисую. А вообще вы и сами можете подсмотреть схему. Пример: Посмотрите как сделана комутация полосовиков в трансивере Mini Yes.
_________________
Виктор EW8B (ex EW8BT; UC2OIQ)

Не в сети
Сообщения: 120
Зарегистрирован: 03 ноя 2011 05:54
Контактная информация:

Re: Нужен совет по переключению фильтров

Сообщение raxp »

http://ra3ggi.qrz.ru/UZLY/300500.htm
...к тому же современных аналоговых ключей широкополосных сейчас полно, та же серия ADG у Analog Devices, и TI и файрчалды свои выпускают. Микросборка будет дешевле, чем ваять на дискретах.
_________________
Белорусский журнал «Радиолюбитель»
UR3QQJ https://qrz.com/db/UR3QQJ

Не в сети
Аватара пользователя
Сообщения: 271
Зарегистрирован: 08 дек 2013 17:59
Откуда: Гомель

Re: Нужен совет по переключению фильтров

Сообщение EW8B »

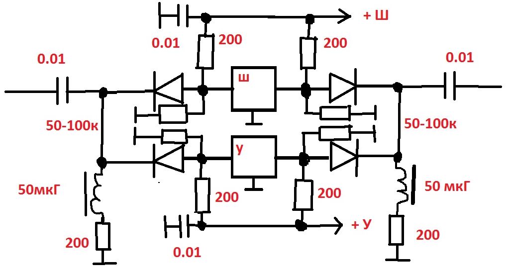
Вот набросал схему, извеняюсь за красоту. Номиналы проставлены приблизительно с учетом напряжения 6 вольт и частоты 10.7 мГц Возможно придется пересчитать.
Вложения
Безымянный2.jpg
_________________
Виктор EW8B (ex EW8BT; UC2OIQ)

Не в сети
Аватара пользователя
Сообщения: 271
Зарегистрирован: 08 дек 2013 17:59
Откуда: Гомель

Re: Нужен совет по переключению фильтров

Сообщение EW8B »

Но лучше и проще с реле
Вложения
Безымянный3.jpg
_________________
Виктор EW8B (ex EW8BT; UC2OIQ)

Не в сети
Аватара пользователя
Сообщения: 57
Зарегистрирован: 02 май 2015 06:51

Re: Нужен совет по переключению фильтров

Сообщение igoryk »

Здравствуйте. Спасибо всем за дельные советы !
Я попробую сделать на КД409. По поводу этой схемы:
я когда-то читал, что постоянное напряжение на
входах фильтра вредно. Может поставить еще
4 емкости 0.01 последовательно с фильтрами
до диодов ?

В сети
Аватара пользователя
Сообщения: 176
Зарегистрирован: 18 ноя 2015 18:36
Откуда: Новополоцк KO45im

Re: Нужен совет по переключению фильтров

Сообщение EW6FL »

igoryk писал(а):Здравствуйте. Спасибо всем за дельные советы !
Я попробую сделать на КД409. По поводу этой схемы:
я когда-то читал, что постоянное напряжение на
входах фильтра вредно. Может поставить еще
4 емкости 0.01 последовательно с фильтрами
до диодов ?
Фильтры будут в схеме соответствовать своим характеристикам при работе на определенную нагрузку, которая обычно указывается в технических характеристиках. При использовании диодов вносится комплексное сопротивление как по входу, так и по выходу. Будьте готовы к тому, что характеристики ухудшатся. Для таких вещей ставят специальные pin-диоды.
Ток через два диода на приведенной схеме составляет 30 мА при 6 В. С pin-диодами будет аналогично.
На реле проще. Схему с переводом реле в режим удержания вам привели.
А еще проще, если там у вас все малогабаритное, микропереключатель поставить.

Не в сети
Аватара пользователя
Сообщения: 271
Зарегистрирован: 08 дек 2013 17:59
Откуда: Гомель

Re: Нужен совет по переключению фильтров

Сообщение EW8B »

я когда-то читал, что постоянное напряжение на
входах фильтра вредно.

Я думаю что ничего страшного не произойдет, тем более по схеме которую вы привели в начале темы уже изначально с микросхемы будет присуствовать напряжение на фильтрах (я могу ошибаться) нужно померять. А если и поставите еще 4 кондера хуже не будет. Только мой вам совет: При перепайке старайтесь что бы все концы былы как можно короче иначе может появиться неприятная наводка по ПЧ
_________________
Виктор EW8B (ex EW8BT; UC2OIQ)

Не в сети
Аватара пользователя
Сообщения: 271
Зарегистрирован: 08 дек 2013 17:59
Откуда: Гомель

Re: Нужен совет по переключению фильтров

Сообщение EW8B »

:-):
_________________
Виктор EW8B (ex EW8BT; UC2OIQ)
Ответить