Не актуально
- Автор
- Сообщение
-
Не в сети
- Сообщения: 40
- Зарегистрирован: 26 фев 2017 17:51
Не актуально
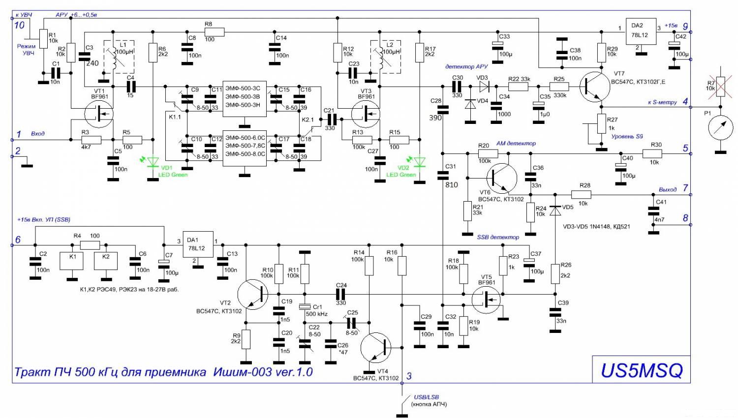
Валяется без дела тракт ПЧ 500кГц. Обменяю на что нибудь интересное, например недоделанный трансивер на лампах (возможно с моей доплатой) или набор комплектующих и материалов для изготовления оного. Кратко о моём прибамбасе: переключаемая полоса пропускания, АРУ и РРУ, SSB CW AM. Предварительно настроен. Делал когда то для модернизации ИШИМ003. Но до завершения,как правило, дело не дошло, пропала необходимость и интерес. Фото ниже
Последний раз редактировалось andresg 09 сен 2019 04:00, всего редактировалось 1 раз.
-
Не в сети
- Сообщения: 40
- Зарегистрирован: 26 фев 2017 17:51
Re: Тракт ПЧ 500кГц
Ниже схема которая была взята за основу (цельнотянутая из интернета). Есть некоторые несущественные отличия. Если будет интересный вариант готов сам подьехать в любой город Беларуси для обмена, куда ходит общественный транспорт.