Кварцевый генератор на mosfet.

Ответить
  • Автор
  • Сообщение
Не в сети
Аватара пользователя
Сообщения: 154
Зарегистрирован: 31 мар 2015 11:10
Откуда: Витебск
Контактная информация:

Кварцевый генератор на mosfet.

Сообщение android »

Не ругайте меня очень сильно. не могу найти схемку кварцевого ВЧ генератора на mosfet. Что то типа этого
6x1vC.jpg
Я и в гугле и в яндексе искал...
Люди добрыя, помогите кто чем может. :ps_ih:

На любом хоть на N хоть на P канальном
MOSFET.jpg
MOSFET.jpg (19.67 КБ) 16199 просмотров

Не в сети
Аватара пользователя
Сообщения: 154
Зарегистрирован: 31 мар 2015 11:10
Откуда: Витебск
Контактная информация:

Re: Кварцевый генератор на mosfet.

Сообщение android »

"Брат оставь покурить" - а в ответ тишина.
Только он не вернулся из боя. :-)

Не в сети
Аватара пользователя
Сообщения: 154
Зарегистрирован: 31 мар 2015 11:10
Откуда: Витебск
Контактная информация:

Re: Кварцевый генератор на mosfet.

Сообщение android »

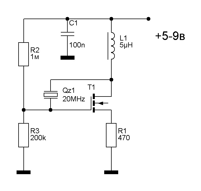
Коллеги, мною найдено "гениальное" (шутка, если че :-) ) решение, которое заставила МОП транзистор заработать в схеме генератора. Смещение на затвор господа, да да, всего лишь смещение..Гы :dan_ser:
моп генератор.jpg
вось оно мое детисче :-) работает

Да...транзистор ставил СМД мелкий такой BS870.
:k_i_n_g:

Не в сети
Аватара пользователя
Сообщения: 70
Зарегистрирован: 16 сен 2013 18:59
Откуда: Витебск

Re: Кварцевый генератор на mosfet.

Сообщение Uladimir »

android писал(а):Коллеги, мною найдено "гениальное" (шутка, если че :-) ) решение, которое заставила МОП транзистор заработать в схеме генератора. Смещение на затвор господа, да да, всего лишь смещение..Гы :dan_ser:
моп генератор.jpg
вось оно мое детисче :-) работает

Да...транзистор ставил СМД мелкий такой BS870.
:k_i_n_g:
ТАк разве это открытие, что на тр-р с изолированным затвором необходимо подавать смещение через делитель.

Не в сети
Аватара пользователя
Сообщения: 154
Зарегистрирован: 31 мар 2015 11:10
Откуда: Витебск
Контактная информация:

Re: Кварцевый генератор на mosfet.

Сообщение android »

Uladimir писал(а): ТАк разве это открытие, что на тр-р с изолированным затвором необходимо подавать смещение через делитель.
Как вам сказать, для меня это открытие.
Я неуч... :za_da_va_la: КП327 например могут уже при нулевом напряжении на затворе работать, а эти не могут. А один транзистор СМД выпаянный из "материнки" вообще не стал работать, у него напряжение отпирания оказалось 8 вольт

Почему же тогда пост посмотрели больше 100 человек и никто не подсказал?

Не в сети
Аватара пользователя
Сообщения: 70
Зарегистрирован: 16 сен 2013 18:59
Откуда: Витебск

Re: Кварцевый генератор на mosfet.

Сообщение Uladimir »

android писал(а):
Uladimir писал(а): ТАк разве это открытие, что на тр-р с изолированным затвором необходимо подавать смещение через делитель.
КП327 например могут уже при нулевом напряжении на затворе работать, а эти не могут. А один транзистор СМД выпаянный из "материнки" вообще не стал работать, у него напряжение отпирания оказалось 8 вольт
так тр-ры то разные і параметры разные, а тр-ры типа кп303 смещение задается через сопротивление в в цепи истока. и режимы тр-ра задаются не "от балды" а нужно взять справочник и посчитать ( пусть примерно) режим по постоянному и переменному току(напряжению).

Не в сети
Аватара пользователя
Сообщения: 154
Зарегистрирован: 31 мар 2015 11:10
Откуда: Витебск
Контактная информация:

Re: Кварцевый генератор на mosfet.

Сообщение android »

Ну допустим по постоянному току я могу приблизительно прикинуть что получится. А вот по перменному я не знаю...
В дополнение... У меня скопилось много транзисторов СМД которые не поддаются опознанию , ни о каких справочниках тут разговор не идет. Только метод ТЫКА.
Вот я и экспериментирую :nez-nayu:
Ответить