Усилитель на ги7б 144 МГц

  • Автор
  • Сообщение
Не в сети
Аватара пользователя
Сообщения: 625
Зарегистрирован: 25 дек 2015 08:48

Усилитель на ги7б 144 МГц

Сообщение EW8RX »

При подготовке к сборке усилителя возникло несколько вопросов:

- лампу стоит расположить горизонтально (как на чертеже) или вертикально
- допустимо применить фольгированный стеклотекстолит для экранирования вч части усилителя
- допустимо применить сталь 1мм на корпус вч части (можно достать бесплатно)
- для охлаждения лампы будет применен ВВФ-71М, его стоит расположить со стороны анода на вытяжку или с обратной стороны на нагнетание воздуха

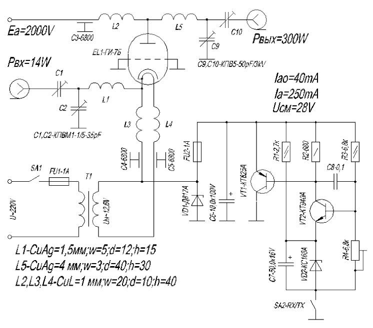
Схема и чертеж усилителя взяты с cqham http://www.cqham.ru/pa_ua1oj.htm
Вложения
Схема усилителя
Схема усилителя
Чертеж усилителя
Чертеж усилителя
_________________
https://vk.com/public119472661

Не в сети
Аватара пользователя
Сообщения: 414
Зарегистрирован: 07 июл 2010 14:06
Откуда: KO34RC

Re: Усилитель на ги7б 144 МГц

Сообщение EW1CD »

_________________
Радио-Волна:
http://radio-wave.ru/
QO100 Dx Club № 153

Не в сети
Аватара пользователя
Site Admin
Сообщения: 812
Зарегистрирован: 02 май 2009 17:29
Откуда: Grodno

Re: Усилитель на ги7б 144 МГц

Сообщение EW4BY »

EW8RX писал(а): - для охлаждения лампы будет применен ВВФ-71М, его стоит расположить со стороны анода на вытяжку или с обратной стороны на нагнетание воздуха
Вытяжная вентиляция самая эффективная.

Не в сети
Аватара пользователя
Сообщения: 271
Зарегистрирован: 08 дек 2013 17:59
Откуда: Гомель

Re: Усилитель на ги7б 144 МГц

Сообщение EW8B »

Лампу распологай как тебе вздумается стеклотекстолит не можно а нужно использовать при условии что перегородки будеш паять а не уголками скручивать. Сталь примеять не советую на таких частотах ( по таблице она млоэфективна) хотя допустимо (могут быть проблеммы. это тонкости) Ты не привел характеристики вентилятора а с моим инетом который сейчас поиски затруднительны. Но если твой вентиятор обеспечит поток воздуха больше чем нужно хотябы в два раза то ставь как хочешь только лампа должна продуваться полностью а не с боку.В кратце как то так (пишу с мобилы) Будет время звони расскажу поподробнее тем более опыт есть.
р.с. в данной конструкции дуй на кольца лампы вентилятором который обеспечит двойной поток. Если вентилятор малоэфективен ставить нужно два один на нагнетание воздуха второй на вытяжку
_________________
Виктор EW8B (ex EW8BT; UC2OIQ)

Не в сети
Аватара пользователя
Сообщения: 625
Зарегистрирован: 25 дек 2015 08:48

Re: Усилитель на ги7б 144 МГц

Сообщение EW8RX »

EW8B писал(а):Ты не привел характеристики вентилятора
Мощность, Вт .... 22 Производительность, м3/мин .... 0,75 Статическое давление, кгс/м.кв .... 1,2 Частота вращения, об/мин .... 2850 Потребляемый ток, А .... 0,15 Габаритные размеры, мм .... 42х80х80 Масса, кг .... 0,43

Значит стеклотекстолит, можно пропаять и обрабатывается легко.
_________________
https://vk.com/public119472661

Не в сети
Аватара пользователя
Сообщения: 271
Зарегистрирован: 08 дек 2013 17:59
Откуда: Гомель

Re: Усилитель на ги7б 144 МГц

Сообщение EW8B »

Данный вентилятор обеспечивает 45 кубов в час из положенных 24 куба для обдува лампы. Вполне хватит для работы SSB и CW но для работы в ЧМ или цифрой нужно на радиатор вытачивать конусную трубу или изгибать из тонкого стеклотексталита при этом конструктивно продумать и прорезать как можно побольше круговые прорези вокруг сетки лампы что бы уменьшить сопротивление проходящему потоку. Если лампу эксплуотировать за предельными режимами :-) как обычто я поступаю с ГИ-7Б :smu:sche_nie: то обдув нужно увеличить в трое ::yaz-yk:
ТО: EW8SA твоего усилителя это не касается :hi_hi_hi:
_________________
Виктор EW8B (ex EW8BT; UC2OIQ)

Не в сети
Аватара пользователя
Сообщения: 625
Зарегистрирован: 25 дек 2015 08:48

Re: Усилитель на ги7б 144 МГц

Сообщение EW8RX »

По вентилятору все ясно. Отмою кпе выходные и можно что то начинать.
_________________
https://vk.com/public119472661

Не в сети
Аватара пользователя
Сообщения: 189
Зарегистрирован: 25 окт 2011 07:26
Откуда: Вiцебск

Re: Усилитель на ги7б 144 МГц

Сообщение EV6DX »

Будучи в гостях у RZ3BA/1 сфоткал его усилитель на ги7б. Если интересно, посмотреть можно Здесь
Вложения
Изображение 300.jpg
_________________
73!Виктор -EV6DX RU-QRP# 197 AGB#112
Пойми, студент — теперь к людЯм надо помягше, а на вопросы смотреть — ширше

Не в сети
Аватара пользователя
Сообщения: 625
Зарегистрирован: 25 дек 2015 08:48

Re: Усилитель на ги7б 144 МГц

Сообщение EW8RX »

Спасибо за фото, анодное напряжение получено умножением?
_________________
https://vk.com/public119472661

Не в сети
Аватара пользователя
Сообщения: 189
Зарегистрирован: 25 окт 2011 07:26
Откуда: Вiцебск

Re: Усилитель на ги7б 144 МГц

Сообщение EV6DX »

EW8RX писал(а):Спасибо за фото, анодное напряжение получено умножением?
Нечего не скажу... Давно было, да и не спрашивал у Федоровича.
_________________
73!Виктор -EV6DX RU-QRP# 197 AGB#112
Пойми, студент — теперь к людЯм надо помягше, а на вопросы смотреть — ширше

Не в сети
Аватара пользователя
Сообщения: 625
Зарегистрирован: 25 дек 2015 08:48

Re: Усилитель на ги7б 144 МГц

Сообщение EW8RX »

Есть трансформатор около 1800 вольт, есть конденсаторы из поднебесной 220 мкф 400 вольт.
_________________
https://vk.com/public119472661

Не в сети
Аватара пользователя
Сообщения: 414
Зарегистрирован: 07 июл 2010 14:06
Откуда: KO34RC

Re: Усилитель на ги7б 144 МГц

Сообщение EW1CD »

При 1800В можно получить анодного 2540В. Для ги7б это много. Желательно около 1400 - 1500В переменки.
_________________
Радио-Волна:
http://radio-wave.ru/
QO100 Dx Club № 153

Не в сети
Аватара пользователя
Сообщения: 625
Зарегистрирован: 25 дек 2015 08:48

Re: Усилитель на ги7б 144 МГц

Сообщение EW8RX »

Если не ошибаюсь, то 1800 вольт уже постоянного напряжения. Измерим, посмотрим.
_________________
https://vk.com/public119472661

Не в сети
Аватара пользователя
Сообщения: 414
Зарегистрирован: 07 июл 2010 14:06
Откуда: KO34RC

Re: Усилитель на ги7б 144 МГц

Сообщение EW1CD »

На трансформаторе обычно переменное напряжение.
После выпрямления напряжение на конденсаторе. который стоит после диодного моста U= Uтр х 1,41
_________________
Радио-Волна:
http://radio-wave.ru/
QO100 Dx Club № 153

Не в сети
Аватара пользователя
Сообщения: 625
Зарегистрирован: 25 дек 2015 08:48

Re: Усилитель на ги7б 144 МГц

Сообщение EW8RX »

Обычно переменное :-): Не обычно тоже :hi_hi_hi:
Покупал когда то железо усилителя на гу34б, блок питания питал данную лампу, но хозяин говорил, что анодное меньше, чем необходимо. Вот если не ошибаюсь, то 1800 вольт и чуть более.
_________________
https://vk.com/public119472661

Не в сети
Аватара пользователя
Сообщения: 414
Зарегистрирован: 07 июл 2010 14:06
Откуда: KO34RC

Re: Усилитель на ги7б 144 МГц

Сообщение EW1CD »

Так это блок питания!, а не трансформатор :-):
1800 постоянки самое то. Еще какой ток. Желательно 0,5 - 0,6 А.
Можно получить при раскачке 15 Вт мощность на выходе усилителя 350 Вт.
Последний раз редактировалось EW1CD 01 фев 2016 17:30, всего редактировалось 1 раз.
_________________
Радио-Волна:
http://radio-wave.ru/
QO100 Dx Club № 153

Не в сети
Аватара пользователя
Сообщения: 271
Зарегистрирован: 08 дек 2013 17:59
Откуда: Гомель

Re: Усилитель на ги7б 144 МГц

Сообщение EW8B »

Будучи в гостях у RZ3BA/1 сфоткал его усилитель на ги7б.
А Вы уверенны что это ГИ-7Б ? Странный на ней радиатор, или это с другой лампы не родной?
_________________
Виктор EW8B (ex EW8BT; UC2OIQ)

Не в сети
Аватара пользователя
Сообщения: 414
Зарегистрирован: 07 июл 2010 14:06
Откуда: KO34RC

Re: Усилитель на ги7б 144 МГц

Сообщение EW1CD »

Там лампа ГИ46Б
_________________
Радио-Волна:
http://radio-wave.ru/
QO100 Dx Club № 153

Не в сети
Аватара пользователя
Сообщения: 271
Зарегистрирован: 08 дек 2013 17:59
Откуда: Гомель

Re: Усилитель на ги7б 144 МГц

Сообщение EW8B »

EW1CD писал(а):Там лампа ГИ46Б
Справочника нет под руками а инет 2G Напомните что за лампа? На сколько я помню она мало чем от ГИ-7Б отличаетс?
_________________
Виктор EW8B (ex EW8BT; UC2OIQ)

Не в сети
Аватара пользователя
Сообщения: 625
Зарегистрирован: 25 дек 2015 08:48

Re: Усилитель на ги7б 144 МГц

Сообщение EW8RX »

EW1CD писал(а):Так это блок питания!, а не трансформатор :-):
1800 постоянки самое то. Еще какой ток. Желательно 0,5 - 0,6 А.
Можно получить при раскачке 15 Вт мощность на выходе усилителя 350 Вт.
Да, дал ложную информацию :ny_tik: Блок питания.
Мощность трансформатора 1 кВт, провод навскидку 0,5мм.
_________________
https://vk.com/public119472661

Не в сети
Аватара пользователя
Сообщения: 625
Зарегистрирован: 25 дек 2015 08:48

Re: Усилитель на ги7б 144 МГц

Сообщение EW8RX »

ГИ-46Б - импульсный генераторный триод для генерирования и усиления высокочастотных колебаний в непрерывном и импульсном режимах работы при анодной модуляции в дециметровом диапазоне волн.
Оформление - металлокерамическое с цилиндрическими выводами катода, подогревателя и сетки.
Охлаждение - воздушное принудительное 24 м3/ч.
Масса с радиатором 620 г.

Основные параметры ГИ-46Б
при Uн=12,6 В, Uа=2 кВ, Iа=80 мА
Ток накала 2,45 ± 0,15 А
Рабочая точка отрицательная 7,05 ± 1,35 В
Крутизна характеристики 21,5 ± 4,5 мА/В
Ток сетки обратный 40 мкА
Ток эмиссии катода (при Uа=Uс=400 В) 24 А
Проницаемость (при изменении Uа на 200 В) 0,6 ± 0,2 %
Полезная мощность в режиме непрерывной генерации (при Uн=8,5 В,
Uа=1,5 кВ, Iа=350 мА, l=29 см) 120 Вт
Время готовности 100 с
Междуэлектродные емкости, пФ:
входная 16,5 ± 2
проходная 5,75 ± 0,65
Долговечность 500 ч
Критерии долговечности:
полезная мощность 96 Вт
рабочая точка отрицательная 7 ± 3 В
_________________
https://vk.com/public119472661

Не в сети
Аватара пользователя
Сообщения: 414
Зарегистрирован: 07 июл 2010 14:06
Откуда: KO34RC

Re: Усилитель на ги7б 144 МГц

Сообщение EW1CD »

ГИ46Б немного больше по размерам от ГИ7Б, да и мощность у нее поболее.
с одной можно снять 0.5 кВт.
Вот только нет их в РБ.
_________________
Радио-Волна:
http://radio-wave.ru/
QO100 Dx Club № 153

Не в сети
Аватара пользователя
Сообщения: 271
Зарегистрирован: 08 дек 2013 17:59
Откуда: Гомель

Re: Усилитель на ги7б 144 МГц

Сообщение EW8B »

Да уж...... лампа получше будет чем ги-7б
Вот бы парочку таких. :smu:sche_nie: Не очень хочется заморачиваться больше на ги-7б :ny_tik:
_________________
Виктор EW8B (ex EW8BT; UC2OIQ)

Не в сети
Аватара пользователя
Сообщения: 625
Зарегистрирован: 25 дек 2015 08:48

Re: Усилитель на ги7б 144 МГц

Сообщение EW8RX »

В закромах нашелся корпус 280х340х180мм (дшв) дюраль, верхняя крышка сталь. Высота верхего отсека 110мм, выходит 25мм расстояние от анода лампы до корпуса, это нормально расстояние? Конструктивно возможно его увеличить. Где то в сети встречал, что расстояние должно быть не менее 40мм.
_________________
https://vk.com/public119472661

Не в сети
Аватара пользователя
Сообщения: 271
Зарегистрирован: 08 дек 2013 17:59
Откуда: Гомель

Re: Усилитель на ги7б 144 МГц

Сообщение EW8B »

Если разместить лампу по центру то растояние получится по 12.5 мм
_________________
Виктор EW8B (ex EW8BT; UC2OIQ)
Ответить