Здравствуйте. Может не много не по теме.
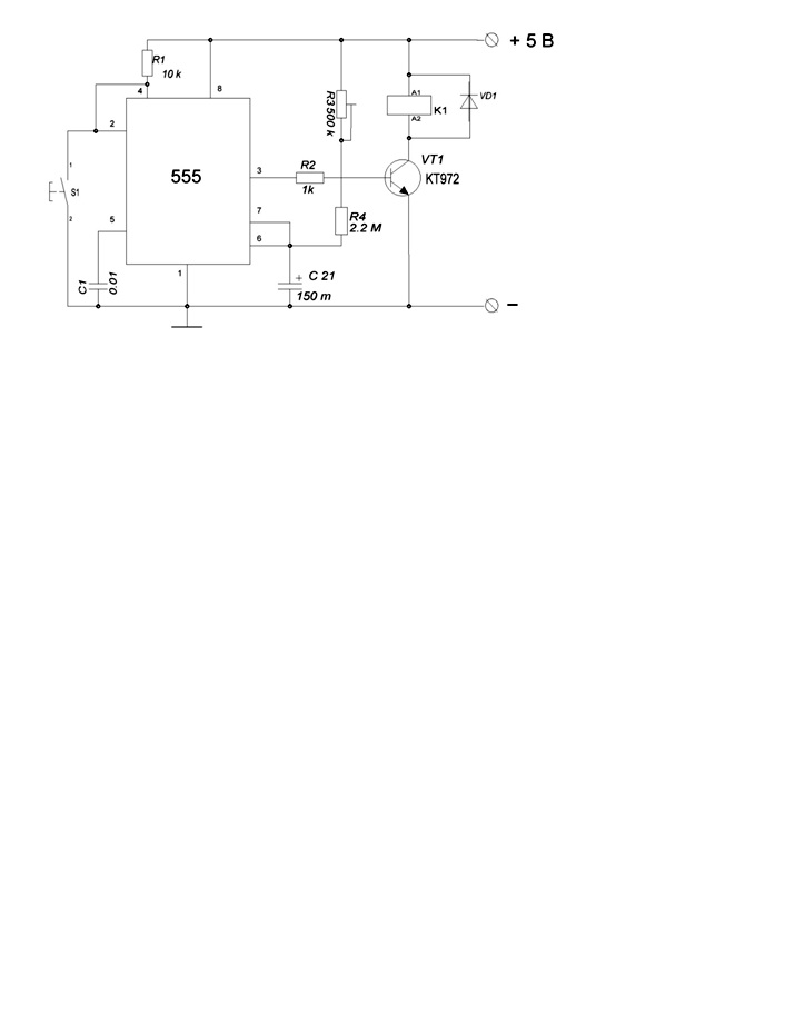
Собрал таймер по схеме на 4 мин.
Схема четко срабатывает
при замыкании выв. 2(4) м.сх. на массу. Подключаю
к этим выводам выход реле датчика движения (второй вывод реле на
массу). Датчик Crown.... При срабатывании датчика (там вкл.светодиод) реле
щелкает(сработка), после погасания через 1 сек. светодиода реле
отпускает. Почему так происходит? Может нужен формирователь
чтобы пропустил только один перепад с датчика с 1 на 0?
Может кто приведет схему как это сделать. Или в схеме таймера
что подобрать? Хотя резистор с выводов 2(4) на плюс питания
убирал то же самое, на один из выводов реле датчика вместо
массы подавал плюс- вообще нет срабатывания реле таймера.
Таймер на LM555
- Автор
- Сообщение
-
Не в сети
- Сообщения: 57
- Зарегистрирован: 02 май 2015 06:51
Re: Таймер на LM555
Замерил тестером, что выдает датчик на вывод 2(4) LM555.
При сработке датчика(вкл. светодиод) с 0 на 12 вольт(напряжение
питания) через 1 сек.(откл.светодиод) с 12 на 0 вольт. Пробовал
ставить делитель на вывод 2(4) ничего не дает. Подскажите
что сделать для нормальной выдержки времени.
При сработке датчика(вкл. светодиод) с 0 на 12 вольт(напряжение
питания) через 1 сек.(откл.светодиод) с 12 на 0 вольт. Пробовал
ставить делитель на вывод 2(4) ничего не дает. Подскажите
что сделать для нормальной выдержки времени.
-
Не в сети
- Сообщения: 582
- Зарегистрирован: 11 июл 2012 19:09
- Откуда: Витебск
- Контактная информация:
Re: Таймер на LM555
Добрый день!
Для запуска таймера достаточно кратковременного нажатия кнопки со 2 ноги на общий, правильно?? Я просто не помню, давно с ними возился... Есть такая микросхема - одновибратор или ждущий мультивибратор. В КМОП серии - это КР1561АГ1, в ТТЛ вроде бы К155АГ1. Я чаще использую КР1561АГ1 - большой диапазон напряжений питания от 3 до 15 В и больше времена формируемого импульса. Так вот с помощью одновибратора, вы можете сформировать прямоугольный импульс заданной длительности ( длительность задается навесной RC цепочкой) из + или - перепада, в зависимости от схемы включения.Посмотрите в любом советском справочнике как ее включить...а также можно сформировать красивый прямоугольный импульс из любой формы "грязного" импульса по его фронту или спаду. Ну и еще посмотрите , у Вас таймер запитан от + 5 В. А вы подаете на него перепад с 12 В потенциалом - это не правильно. Я думаю, что лучше сделать так - после датчика ставьте КР1561АГ1 и ее нужно запитать от 12 Вольт. Она сформирует короткий импульс из + или - перепада , например длительностью 0,5 сек. На ее выходе транзистор - ключик, который открытым коллектором управляет таймером который запитан от +5 вольт. Все должно нормально получиться. Удачи!
С уважением, Виталий 73!
Для запуска таймера достаточно кратковременного нажатия кнопки со 2 ноги на общий, правильно?? Я просто не помню, давно с ними возился... Есть такая микросхема - одновибратор или ждущий мультивибратор. В КМОП серии - это КР1561АГ1, в ТТЛ вроде бы К155АГ1. Я чаще использую КР1561АГ1 - большой диапазон напряжений питания от 3 до 15 В и больше времена формируемого импульса. Так вот с помощью одновибратора, вы можете сформировать прямоугольный импульс заданной длительности ( длительность задается навесной RC цепочкой) из + или - перепада, в зависимости от схемы включения.Посмотрите в любом советском справочнике как ее включить...а также можно сформировать красивый прямоугольный импульс из любой формы "грязного" импульса по его фронту или спаду. Ну и еще посмотрите , у Вас таймер запитан от + 5 В. А вы подаете на него перепад с 12 В потенциалом - это не правильно. Я думаю, что лучше сделать так - после датчика ставьте КР1561АГ1 и ее нужно запитать от 12 Вольт. Она сформирует короткий импульс из + или - перепада , например длительностью 0,5 сек. На ее выходе транзистор - ключик, который открытым коллектором управляет таймером который запитан от +5 вольт. Все должно нормально получиться. Удачи!
С уважением, Виталий 73!
_________________
73!!! Виталий (EW6D ex EW6BA)
73!!! Виталий (EW6D ex EW6BA)
-
Не в сети
- Сообщения: 192
- Зарегистрирован: 20 мар 2013 20:47
Re: Таймер на LM555
На 555 таймере всё должно получиться. 4-ю ногу на "+", ко 2-й - коллектор доп. транзистора, эммитер -общий, а базу через сопротивление от 5 до 50 кОм к датчику. Для выдержки 4 мин. скорее всего надо конденсатор микрофарад на 100.
А вообще, для начала, что вы igoryk хотите получить?
А вообще, для начала, что вы igoryk хотите получить?
_________________
МТС +375 29 276-6276
Vel +375 44 576-6276 Сергей
МТС +375 29 276-6276
Vel +375 44 576-6276 Сергей
-
Не в сети
- Сообщения: 203
- Зарегистрирован: 23 ноя 2014 17:24
- Откуда: Республика Мордовия, село Ельники
Re: Таймер на LM555
Здравствуйте Игорек! Я конечное не разработчик конструкций и советовать не могу, но если Вы посмотрите пожалуйста тему посвященную Альбатросу страница 24, то там схема блока питания данного трансивера и есть схема таймера на NE555 / КР1006 ВИ1 /. Данная схема у меня применена уже в трех конструкциях и отлично работает. Правда напряжение питания 12 Вольт. Время задержки включения реле у меня выставлено 2 минуты, но можно и больше.
С уважением Григорий R4UAC.
С уважением Григорий R4UAC.
_________________
С уважением Григорий R4UAC.
С уважением Григорий R4UAC.
-
Не в сети
- Сообщения: 57
- Зарегистрирован: 02 май 2015 06:51
Re: Таймер на LM555
Поставил еще одно маломощное реле(якорь
через резистор с электролитом для уменьшения
потребляемого тока)
на контакты датчика, а уже это реле подает
массу на таймер. Все стало OK.
через резистор с электролитом для уменьшения
потребляемого тока)
на контакты датчика, а уже это реле подает
массу на таймер. Все стало OK.