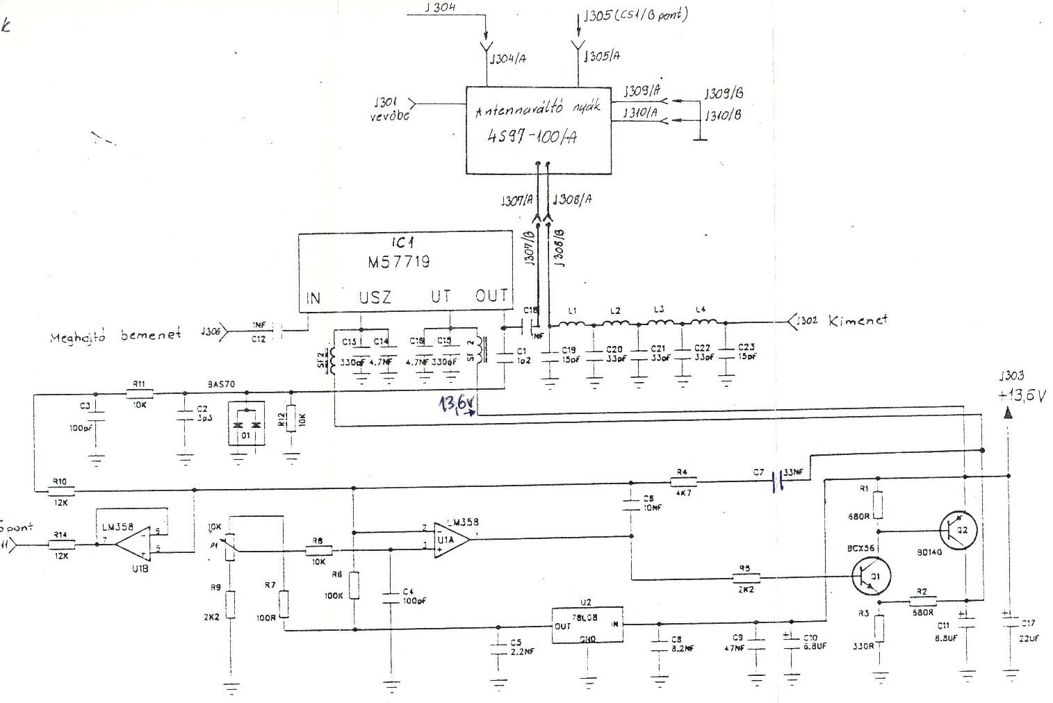
Есть м/сх M57719 Mitsubishi (145-175MHz 12.5V,14W,FM MOBILE RADIO) за 20р
http://pdf1.alldatasheet.com/datasheet- ... 57719.html
Есть блок УМ в сборе на этой м/сх, но на частоты 170 МГЦ – надо перестраивать. за 30р
(от рст TR-331 http://ew7as.narod.ru/tr331.html)
Выходной усилитель мощности M57719
Правила форума
1. Сообщения/Темы без цен будут удалены без предупреждений
2. Запрещается флуд в темах (малосодержательные и не тематические сообщения)
3. Запрещается указывать стоимость в иностранное валюте: в у.е, баксы, евро. Используем ТРАМПЫ, байдены и прочие замены. Нарушители будут удалены!
1. Сообщения/Темы без цен будут удалены без предупреждений
2. Запрещается флуд в темах (малосодержательные и не тематические сообщения)
3. Запрещается указывать стоимость в иностранное валюте: в у.е, баксы, евро. Используем ТРАМПЫ, байдены и прочие замены. Нарушители будут удалены!
- Автор
- Сообщение
-
Не в сети
- Сообщения: 9
- Зарегистрирован: 16 мар 2015 06:47
- Откуда: Жлобин
-
Не в сети
- Сообщения: 9
- Зарегистрирован: 16 мар 2015 06:47
- Откуда: Жлобин
Re: Выходной усилитель мощности M57719
можно и за 10р