Датчик кода морзе Р-010

Информация, так или иначе связанная с радио, но не подходящая в существующие разделы
Ответить
  • Автор
  • Сообщение
Не в сети
Аватара пользователя
Сообщения: 485
Зарегистрирован: 07 апр 2014 16:28

Датчик кода морзе Р-010

Сообщение EU2CC »

Ищу схему датчика и описание для ремонта.Хочу восстановить работоспасобность.Буду рад любой информации.73 МИХАИЛ.
_________________
Ex UC2AHC#RC2CKD#UC2CEK#R2PEK#EU2CEK#EU50CC#4X4/EU2CC...МС-СССР.

Не в сети
Аватара пользователя
Сообщения: 650
Зарегистрирован: 10 июл 2009 16:50
Откуда: Grodno KO13WP

Re: Датчик кода морзе Р-010

Сообщение exEW4CJ »

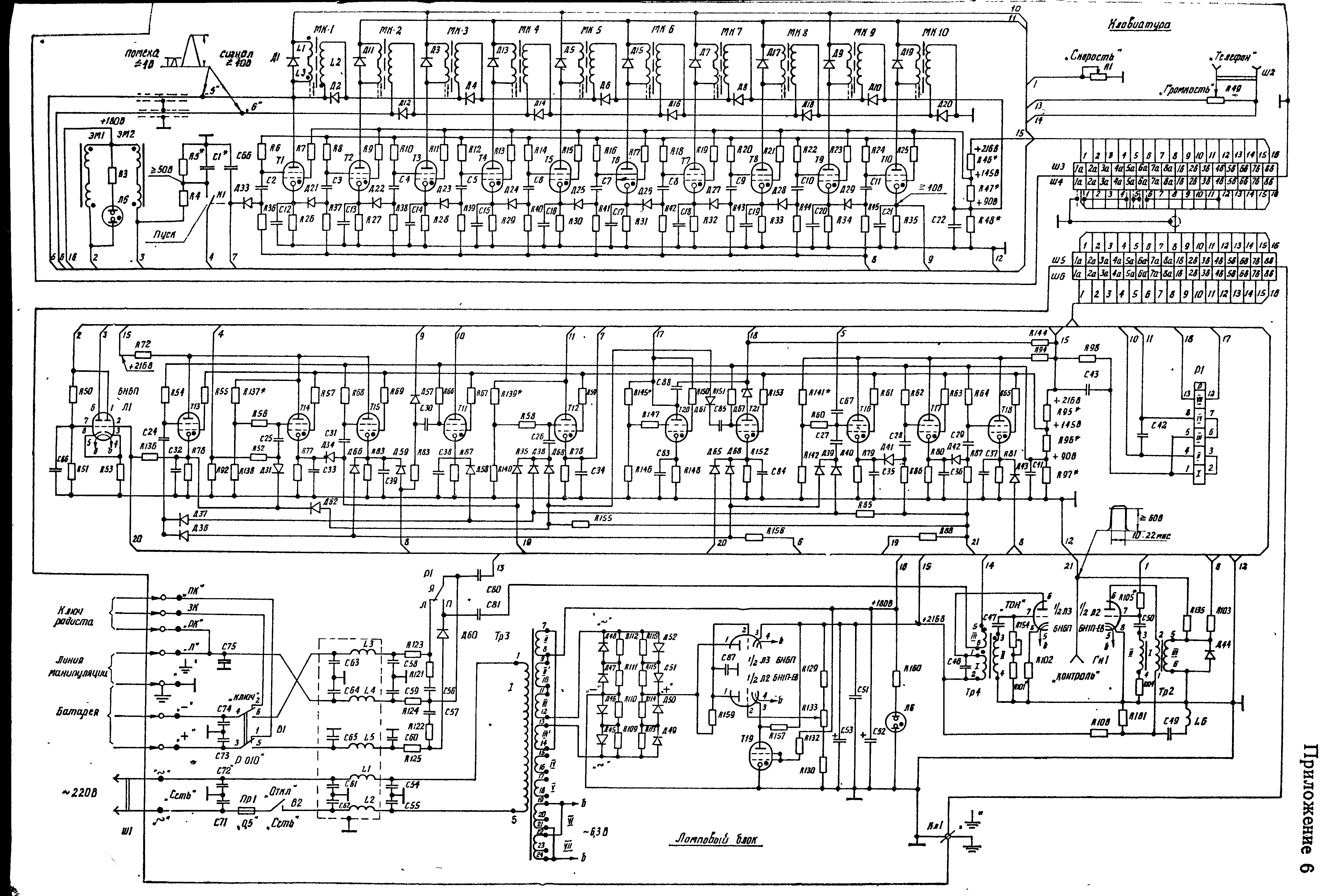
Вложения
R_010_sch.gif
_________________
UC2-008-231(UC1IWI), UC2ICJ(UC1IWR), EW4CJ.

Не в сети
Аватара пользователя
Сообщения: 485
Зарегистрирован: 07 апр 2014 16:28

Re: Датчик кода морзе Р-010

Сообщение EU2CC »

Суть неисправности постоянный дребезг реле......В клавиатуре реле 4 обмотки и стоит 1 пружина но есть отверстия для второй пружины.Выпуск 67\68г.Может кто то знает как должно быть????
_________________
Ex UC2AHC#RC2CKD#UC2CEK#R2PEK#EU2CEK#EU50CC#4X4/EU2CC...МС-СССР.

Не в сети
Аватара пользователя
Сообщения: 941
Зарегистрирован: 26 май 2013 10:07
Откуда: Минск, KO33

Re: Датчик кода морзе Р-010

Сообщение eu1aq »

EU2CC писал(а):Суть неисправности постоянный дребезг реле......В клавиатуре реле 4 обмотки и стоит 1 пружина но есть отверстия для второй пружины.Выпуск 67\68г.Может кто то знает как должно быть????
Легкая дискуссия по Р-010 :-): :
http://forum.qrz.ru/7-voennoe-radio-sno ... 010-a.html
http://forum.qrz.ru/7-voennoe-radio-sno ... 010-a.html
http://forum.qrz.ru/member/277-rw3vz
_________________
73! EW1Q
ex EU1AQ, UC2AAQ

Не в сети
Аватара пользователя
Сообщения: 485
Зарегистрирован: 07 апр 2014 16:28

Re: Датчик кода морзе Р-010

Сообщение EU2CC »

Спосибо!Полезно.....
_________________
Ex UC2AHC#RC2CKD#UC2CEK#R2PEK#EU2CEK#EU50CC#4X4/EU2CC...МС-СССР.
Ответить