Цифровой индикатор мощности и КСВ
- Автор
- Сообщение
-
Не в сети
- Site Admin
- Сообщения: 923
- Зарегистрирован: 06 июн 2014 17:31
- Откуда: Молодечно
- Контактная информация:
Re: Цифровой индикатор мощности и КСВ
Расположение элементов с обеих сторон
_________________
Владимир,
ex UC2CED, EU2CED, RC2CA, EU2CA, EV78C, EV79C, EV80NG
2019 год - https://observablehq.com/@eu2aa
2017 год - http://eu2aa.com
1992 год - http://eu2aa.qrz.ru
Владимир,
ex UC2CED, EU2CED, RC2CA, EU2CA, EV78C, EV79C, EV80NG
2019 год - https://observablehq.com/@eu2aa
2017 год - http://eu2aa.com
1992 год - http://eu2aa.qrz.ru
-
Не в сети
- Site Admin
- Сообщения: 923
- Зарегистрирован: 06 июн 2014 17:31
- Откуда: Молодечно
- Контактная информация:
Изготовление датчика мощности
1. Две латунные гайки М4 обточил с помощью шуруповерта.
В шуруповерт зажимаю шпильку М4, с контрагайкой, и обтачиваю до внутреннего диаметра трубки-корпуса.
Нарезал резьбу М2 с торца для фиксации трубки-корпуса.
2. Плата на Roger 4360 непрочная, потому после монтажа и проверки работоспособности между втулками
запаял две проволочки из биметалла Ø0,8мм, они жесткость обеспечили.
3. Шнур, выходящий из датчика нужно жестко закрепить, чтобы не вырвался и не вращался.
В шуруповерт зажимаю шпильку М4, с контрагайкой, и обтачиваю до внутреннего диаметра трубки-корпуса.
Нарезал резьбу М2 с торца для фиксации трубки-корпуса.
2. Плата на Roger 4360 непрочная, потому после монтажа и проверки работоспособности между втулками
запаял две проволочки из биметалла Ø0,8мм, они жесткость обеспечили.
3. Шнур, выходящий из датчика нужно жестко закрепить, чтобы не вырвался и не вращался.
_________________
Владимир,
ex UC2CED, EU2CED, RC2CA, EU2CA, EV78C, EV79C, EV80NG
2019 год - https://observablehq.com/@eu2aa
2017 год - http://eu2aa.com
1992 год - http://eu2aa.qrz.ru
Владимир,
ex UC2CED, EU2CED, RC2CA, EU2CA, EV78C, EV79C, EV80NG
2019 год - https://observablehq.com/@eu2aa
2017 год - http://eu2aa.com
1992 год - http://eu2aa.qrz.ru
-
Не в сети
- Сообщения: 950
- Зарегистрирован: 26 май 2013 10:07
- Откуда: Минск, KO33
Re: Цифровой индикатор мощности и КСВ
В субботу, 7 декабря, благодаря неслыханной щедрости Владимира Ильича (за что ему огромное спасибо !), стал счастливым обладателем комплекта плат на индикатор ... Ручки, естессно, зачесались и, отложив в сторону текущие дела, занялся сборкой.
Первым делом, сделал обрезание плате, отделив мух (основная плата) от котлет (платы кнопок) ...
Оказалось удобным сделать это при помощи металлической линейки и острого канцелярского (или строительного) ножа. Несколько глубоких надрезов с каждой стороны - и платы легко разделяются. Пару движений торцами по шлифбумаге - и можно готовиться к пайке. Сразу замечу, что плата сделана качественно - можно устанавливать компоненты как типоразмера 1206, так и 0805. Единственно, желательно использовать резисторы R9, R10 типоразмера 1206. Компоненты паяются легко (в отличие от некоторых китайских плат с покрытием твердоплавким припоем).
Примечания по компонентам.
Стабилизатор можно использовать любой из серии 7805, предварительно проверив по даташиту назначение выводов ( в семье не без героя - встречаются и с отклонениями). При желании, можно использовать LDO версии, в частности LM2940. У меня в закромах обнаружился SPX2940-5000, который и был злостно установлен ... Можно использовать, также, SMD вариант 2940, расчистив для земляного вывода окно в маске.
Раз'ем питания. Долго гадал, что такое S928, пока Владимир Ильич не сжалился и не подсказал, что это - старый бесшнуровой телефон от Sanyo. У меня такого никогда не было, поэтому пришлось заглянуть в ЧипДип, где обнаружился подходящий раз'ем: https://www.chipdip.by/product/ds-261a . Также, там можно обзавестись и кнопками (если нет в запасах), например, такими: https://www.chipdip.by/product/tyco-1-1825910-4-fsm8jh .
Индикатор. Желательно, приобретать индикатор именно той модели, которая указана в ВОМ'е. Другие модификации могут иметь другое расположение выводов или другие габаритные размеры, что потребует внесения изменений в конструкцию. Сразу замечу, что имеется прошивка и под индикатор формата 1602, поэтому, у кого он есть или кто хочет потрудиться, можно использовать и их, предварительно проверив по даташиту совместимость контроллеров. У меня как раз такой случай, под руками оказался индикатор WH1602L https://office.promelec.ru/upload/datas ... h1602l.pdf , имеющий другой габаритный размер, другое размещение выводов и отличающийся распиновкой. Правильный индикатор я заказал, но этот буду использовать для отладки прибора и экспериментов ...
Перемычки. Для того, чтобы качественно запаять перемычки, придется предварительно очистить контактные площадки от маски. Других особенностей нет, за исключением ПЧ1 - в качестве нее удобнее использовать 2-х контактный джампер.
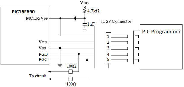
Ну, и самое интересное - программирование контроллера. Начнем с того, распиновка раз'ема на плате отличается от стандартной для ICSP программирования, соответственно - и наименование сигналов на схеме.
Приведем к стандартным:
VD. --> VDD (5V)
RST. --> Vpp или MCLR
SCL --> CLK или PGC
SDA --> Data или PGD
GND - ну, он и в Африке GND ..
Обращаем внимание, что расположение выводов на раз'еме платы также отличается от стандартного, при этом, для стандартных программаторов придется делать переходной кабель или подпаиваться непосредственно к выводам раз'ема платы.
Программатор. При использовании стандартных программаторов, поддерживаемых IC-Prog, все происходит легко и элегантно, в соответствии с инструкцией Владимира Ильича. У меня, к сожалению, с этим вышел облом - я давно и успешно использую старый добрый PicKit2 , доставшийся в давние времена в качестве подарка от Microchip , который программой IC-Prog не поддерживается. По крайней мере, мне их под W7 x64 подружить не удалось. При программировании с помощью PicKit ( http://labkit.ru/userfiles/file/project ... ru_1_0.pdf) возникает одна особенность - в окне штатной программы нет поля для установки битов конфигурации в мнемоническое форме, а в файле прошивки, к сожалению, конфигурация не сохранена. Поэтому пришлось устанавливать биты конфигурации ручками, в двоичной форме, благо такая возможность в штатной программе PicKit предусмотрена - окно, открывающееся при нажатии на неподсвеченную ссылку Configuration (справа от Device).
Чтобы упростить народу жизнь, сделал вариант прошивок (для индикаторов 2002 - MAIN_WH2_New.hex и 1602 - MAIN_HY1_New.hex). Теперь их можно заливать напрямую, контролируя, на всякий случай, значение байта конфигурации: 3F75h.
Плату пока не запускал - в процессе изготовления переходного шлейфа под свой индикатор. Думаю, до завтра закончу это муторное занятие и отчитаюсь о первом включении ...

Первым делом, сделал обрезание плате, отделив мух (основная плата) от котлет (платы кнопок) ...
Оказалось удобным сделать это при помощи металлической линейки и острого канцелярского (или строительного) ножа. Несколько глубоких надрезов с каждой стороны - и платы легко разделяются. Пару движений торцами по шлифбумаге - и можно готовиться к пайке. Сразу замечу, что плата сделана качественно - можно устанавливать компоненты как типоразмера 1206, так и 0805. Единственно, желательно использовать резисторы R9, R10 типоразмера 1206. Компоненты паяются легко (в отличие от некоторых китайских плат с покрытием твердоплавким припоем).
Примечания по компонентам.
Стабилизатор можно использовать любой из серии 7805, предварительно проверив по даташиту назначение выводов ( в семье не без героя - встречаются и с отклонениями). При желании, можно использовать LDO версии, в частности LM2940. У меня в закромах обнаружился SPX2940-5000, который и был злостно установлен ... Можно использовать, также, SMD вариант 2940, расчистив для земляного вывода окно в маске.
Раз'ем питания. Долго гадал, что такое S928, пока Владимир Ильич не сжалился и не подсказал, что это - старый бесшнуровой телефон от Sanyo. У меня такого никогда не было, поэтому пришлось заглянуть в ЧипДип, где обнаружился подходящий раз'ем: https://www.chipdip.by/product/ds-261a . Также, там можно обзавестись и кнопками (если нет в запасах), например, такими: https://www.chipdip.by/product/tyco-1-1825910-4-fsm8jh .
Индикатор. Желательно, приобретать индикатор именно той модели, которая указана в ВОМ'е. Другие модификации могут иметь другое расположение выводов или другие габаритные размеры, что потребует внесения изменений в конструкцию. Сразу замечу, что имеется прошивка и под индикатор формата 1602, поэтому, у кого он есть или кто хочет потрудиться, можно использовать и их, предварительно проверив по даташиту совместимость контроллеров. У меня как раз такой случай, под руками оказался индикатор WH1602L https://office.promelec.ru/upload/datas ... h1602l.pdf , имеющий другой габаритный размер, другое размещение выводов и отличающийся распиновкой. Правильный индикатор я заказал, но этот буду использовать для отладки прибора и экспериментов ...
Перемычки. Для того, чтобы качественно запаять перемычки, придется предварительно очистить контактные площадки от маски. Других особенностей нет, за исключением ПЧ1 - в качестве нее удобнее использовать 2-х контактный джампер.
Ну, и самое интересное - программирование контроллера. Начнем с того, распиновка раз'ема на плате отличается от стандартной для ICSP программирования, соответственно - и наименование сигналов на схеме.
Приведем к стандартным:
VD. --> VDD (5V)
RST. --> Vpp или MCLR
SCL --> CLK или PGC
SDA --> Data или PGD
GND - ну, он и в Африке GND ..
Обращаем внимание, что расположение выводов на раз'еме платы также отличается от стандартного, при этом, для стандартных программаторов придется делать переходной кабель или подпаиваться непосредственно к выводам раз'ема платы.
Программатор. При использовании стандартных программаторов, поддерживаемых IC-Prog, все происходит легко и элегантно, в соответствии с инструкцией Владимира Ильича. У меня, к сожалению, с этим вышел облом - я давно и успешно использую старый добрый PicKit2 , доставшийся в давние времена в качестве подарка от Microchip , который программой IC-Prog не поддерживается. По крайней мере, мне их под W7 x64 подружить не удалось. При программировании с помощью PicKit ( http://labkit.ru/userfiles/file/project ... ru_1_0.pdf) возникает одна особенность - в окне штатной программы нет поля для установки битов конфигурации в мнемоническое форме, а в файле прошивки, к сожалению, конфигурация не сохранена. Поэтому пришлось устанавливать биты конфигурации ручками, в двоичной форме, благо такая возможность в штатной программе PicKit предусмотрена - окно, открывающееся при нажатии на неподсвеченную ссылку Configuration (справа от Device).
Чтобы упростить народу жизнь, сделал вариант прошивок (для индикаторов 2002 - MAIN_WH2_New.hex и 1602 - MAIN_HY1_New.hex). Теперь их можно заливать напрямую, контролируя, на всякий случай, значение байта конфигурации: 3F75h.
Плату пока не запускал - в процессе изготовления переходного шлейфа под свой индикатор. Думаю, до завтра закончу это муторное занятие и отчитаюсь о первом включении ...
- Вложения
-
MAIN_New.rar- (22.69 КБ) 751 скачивание
-
- ICSP-connector-pinout.png (7.51 КБ) 141508 просмотров
Последний раз редактировалось eu1aq 12 дек 2019 14:40, всего редактировалось 2 раза.
_________________
73! EW1Q
ex EU1AQ, UC2AAQ
73! EW1Q
ex EU1AQ, UC2AAQ
-
Не в сети
- Сообщения: 950
- Зарегистрирован: 26 май 2013 10:07
- Откуда: Минск, KO33
Re: Цифровой индикатор мощности и КСВ
И еще пара фоток ...
_________________
73! EW1Q
ex EU1AQ, UC2AAQ
73! EW1Q
ex EU1AQ, UC2AAQ
-
Не в сети
- Сообщения: 950
- Зарегистрирован: 26 май 2013 10:07
- Откуда: Минск, KO33
Re: Цифровой индикатор мощности и КСВ
Итак, свершилось ! Закончил эпопею со шлейфом, подключил индикатор и подал питание. И - ничего ... Экран светит, но не греет и ничего не говорит ...
Пара минут с осциллоскопом - и виновник установлен. Поскольку у меня контроллер PIC16F876A, пришлось изменить ёмкости в обвязке кварца - уменьшить до 15 пик (что соответствует рекомендациям производителя).
Результат - на ли ... фото ...
После включения выяснилось, что прошивка HY1 тоже, скорее всего, под 20 - символьный индикатор ...
Люди ! У кого тоже 16-символьный индикатор, не торопитесь пока шить HY1.hex Нужно разобраться. Хотя, для включения и предварительной настройки, тоже неплохо.
И ещё. Обратите внимание, что на центральный контакт раз'ема питания подаётся МИНУС !
Пара минут с осциллоскопом - и виновник установлен. Поскольку у меня контроллер PIC16F876A, пришлось изменить ёмкости в обвязке кварца - уменьшить до 15 пик (что соответствует рекомендациям производителя).
Результат - на ли ... фото ...
После включения выяснилось, что прошивка HY1 тоже, скорее всего, под 20 - символьный индикатор ...
Люди ! У кого тоже 16-символьный индикатор, не торопитесь пока шить HY1.hex Нужно разобраться. Хотя, для включения и предварительной настройки, тоже неплохо.
И ещё. Обратите внимание, что на центральный контакт раз'ема питания подаётся МИНУС !
_________________
73! EW1Q
ex EU1AQ, UC2AAQ
73! EW1Q
ex EU1AQ, UC2AAQ
-
Не в сети
- Site Admin
- Сообщения: 923
- Зарегистрирован: 06 июн 2014 17:31
- Откуда: Молодечно
- Контактная информация:
Re: Цифровой индикатор мощности и КСВ
+23dBm без датчика - это нормально. Соответствует НУЛЕВОМУ напряжению на входе, поскольку характеристика НИСПАДАЮЩАЯ.
Индикатор можно считать исправным и запрограммированным успешно.
Спасибо EW1AQ за подробную Инструкцию по программированию современным программатором!
*замечание: индикатор 16-разрядный, поэтому съедаются последние знаки.
Нужен 20-разрядный.
Должно выглядеть так:
Зато стоит диод, он при переполюсовке защитит.
*И Блок питания от Sanyo тоже такой - минус на среднем контакте.
Индикатор можно считать исправным и запрограммированным успешно.
Спасибо EW1AQ за подробную Инструкцию по программированию современным программатором!
*замечание: индикатор 16-разрядный, поэтому съедаются последние знаки.
Нужен 20-разрядный.
Должно выглядеть так:
Это стандарт Sanyo, схему с переключением от внутреннего/внешнего источников реализовать иначе нельзя!eu1aq писал(а):И ещё. Обратите внимание, что на центральный контакт раз'ема питания подаётся МИНУС !
Зато стоит диод, он при переполюсовке защитит.
*И Блок питания от Sanyo тоже такой - минус на среднем контакте.
_________________
Владимир,
ex UC2CED, EU2CED, RC2CA, EU2CA, EV78C, EV79C, EV80NG
2019 год - https://observablehq.com/@eu2aa
2017 год - http://eu2aa.com
1992 год - http://eu2aa.qrz.ru
Владимир,
ex UC2CED, EU2CED, RC2CA, EU2CA, EV78C, EV79C, EV80NG
2019 год - https://observablehq.com/@eu2aa
2017 год - http://eu2aa.com
1992 год - http://eu2aa.qrz.ru
-
Не в сети
- Сообщения: 950
- Зарегистрирован: 26 май 2013 10:07
- Откуда: Минск, KO33
Re: Цифровой индикатор мощности и КСВ
Таки, раскопал в закромах качественно заныканые 20-символьные индикаторы... Подключил, все стало на свои места. Правда, обе прошивки визуально, похоже, работают одинаково...
_________________
73! EW1Q
ex EU1AQ, UC2AAQ
73! EW1Q
ex EU1AQ, UC2AAQ
-
Не в сети
- Site Admin
- Сообщения: 923
- Зарегистрирован: 06 июн 2014 17:31
- Откуда: Молодечно
- Контактная информация:
Re: Цифровой индикатор мощности и КСВ
Поздравляю!
Теперь можно паять датчик мощности.
Теперь можно паять датчик мощности.
_________________
Владимир,
ex UC2CED, EU2CED, RC2CA, EU2CA, EV78C, EV79C, EV80NG
2019 год - https://observablehq.com/@eu2aa
2017 год - http://eu2aa.com
1992 год - http://eu2aa.qrz.ru
Владимир,
ex UC2CED, EU2CED, RC2CA, EU2CA, EV78C, EV79C, EV80NG
2019 год - https://observablehq.com/@eu2aa
2017 год - http://eu2aa.com
1992 год - http://eu2aa.qrz.ru
-
Не в сети
- Сообщения: 950
- Зарегистрирован: 26 май 2013 10:07
- Откуда: Минск, KO33
Re: Цифровой индикатор мощности и КСВ
Спасибо, Владимир Ильич.EU2AA писал(а):Поздравляю!
Осталось дождаться заказанные AD8317...eu2aa писал(а):Теперь можно паять датчик мощности.
_________________
73! EW1Q
ex EU1AQ, UC2AAQ
73! EW1Q
ex EU1AQ, UC2AAQ
-
Не в сети
- Сообщения: 950
- Зарегистрирован: 26 май 2013 10:07
- Откуда: Минск, KO33
Re: Цифровой индикатор мощности и КСВ
Осталась в запасе парочка индикаторов WH2002M-YGH-CT. Жаждущих прошу обращаться а ЛС.

_________________
73! EW1Q
ex EU1AQ, UC2AAQ
73! EW1Q
ex EU1AQ, UC2AAQ
-
Не в сети
- Сообщения: 94
- Зарегистрирован: 20 мар 2015 16:27
- Откуда: г.Слуцк
Re: Цифровой индикатор мощности и КСВ
Вчера китайские коллеги со второго захода наконец-то прислали процессор. Программа залилась с первого раза без проблем.У меня тоже "PIC-Kit-2",самодельный по упрощённой схеме, "студенческий".Хотя да,тоже выдал сообщение,что нет файла конфигурции.Но, спасибо EU1AQ,записал файл программы с его доработками.Программатор принял.Но у меня получилось другое число,хотя всё работает и запустилось сразу без манипуляций с кварцевым генератором и т.п.Только надо было подобрать яркость, применённый индикатор другого типа 20*4(резистор 2к на 3-ю ногу).Следующая проверка уже с ВЧ- мостом.
Интересно узнать что это за число файла конфигурации, из чего оно вытекает,можно ли его менять.Я так его не "сохранял",а просто оставил,что записалось т.к. какие-то смутные ассоциации с "залоченным" процессором.
Интересно узнать что это за число файла конфигурации, из чего оно вытекает,можно ли его менять.Я так его не "сохранял",а просто оставил,что записалось т.к. какие-то смутные ассоциации с "залоченным" процессором.
-
Не в сети
- Сообщения: 950
- Зарегистрирован: 26 май 2013 10:07
- Откуда: Минск, KO33
Re: Цифровой индикатор мощности и КСВ
"Магическое число" - это слово конфигурации, представляющее сумму значений битов конфигурации. Значения описаны в даташите на МК (https://ww1.microchip.com/downloads/en/ ... 39582b.pdf стр. 146). Менять значения можно, но осторожно, желательно представляя что, как и зачем. На крайнем скриншоте как раз и видно окно, где это делается. Изменяя значения битов конфигурации, можно видеть как меняется слово (в шестнадцатеричном представлении). При программировании МК можно в программаторе устанавливать конфигурацию как словом, так и побитно, при необходимости изменяя значения...VERN писал(а): Интересно узнать что это за число файла конфигурации, из чего оно вытекает,можно ли его менять.Я так его не "сохранял",а просто оставил,что записалось т.к. какие-то смутные ассоциации с "залоченным" процессором.
_________________
73! EW1Q
ex EU1AQ, UC2AAQ
73! EW1Q
ex EU1AQ, UC2AAQ
-
Не в сети
- Сообщения: 94
- Зарегистрирован: 20 мар 2015 16:27
- Откуда: г.Слуцк
Re: Цифровой индикатор мощности и КСВ
Это я и сам знаю.А где данные какая должна быть конфигурация в данном,конкретном случае? На стр.146 всего лишь,какой тактовый генератор использовать.Внешний, внутренний или RC?Наверное это и вся конфигурация?
-
Не в сети
- Сообщения: 359
- Зарегистрирован: 25 окт 2013 14:37
- Откуда: Кобрин
Re: Цифровой индикатор мощности и КСВ
Конфигурация в файле *.hexVERN писал(а):А где данные какая должна быть конфигурация в данном,конкретном случае?
Не нужно ее задавать вручную.
_________________
ex call EW3ABW
ex call EW3ABW
-
Не в сети
- Сообщения: 94
- Зарегистрирован: 20 мар 2015 16:27
- Откуда: г.Слуцк
Re: Цифровой индикатор мощности и КСВ
Спасибо!В какой проге открыто?
-
Не в сети
- Сообщения: 950
- Зарегистрирован: 26 май 2013 10:07
- Откуда: Минск, KO33
Re: Цифровой индикатор мощности и КСВ
Виноват, злобно вкралась ошибочка. 146 страница - это в pdf редкторе. В даташите - стр. 144. Полностью расписаны все биты конфигурации. .hex файл можно открыть в любом hex-редакторе, например: https://www.softportal.com/software-403 ... ditor.htmlVERN писал(а):Это я и сам знаю.А где данные какая должна быть конфигурация в данном,конкретном случае? На стр.146 всего лишь,какой тактовый генератор использовать.Внешний, внутренний или RC?Наверное это и вся конфигурация?
И да, насчет битов конфигурации ... В отличие от MK Atmega (http://easyelectronics.ru/avr-uchebnyj- ... e-bit.html), в МК от Microchip, как справедливо заметил EW3MM, конфигурация содержится в файле микропрограммы и не требует установки руками при прошивке МК ...
Последний раз редактировалось eu1aq 12 фев 2021 16:19, всего редактировалось 2 раза.
_________________
73! EW1Q
ex EU1AQ, UC2AAQ
73! EW1Q
ex EU1AQ, UC2AAQ
-
Не в сети
- Сообщения: 94
- Зарегистрирован: 20 мар 2015 16:27
- Откуда: г.Слуцк
Re: Цифровой индикатор мощности и КСВ
О.К. Спасибо!
-
Не в сети
- Сообщения: 19
- Зарегистрирован: 23 дек 2020 08:35
Re: Цифровой индикатор мощности и КСВ
Нет генератора, интересно, если откалибровать по NanoVna 2.2, по табличке как здесь: http://qrz.by/forum/viewtopic.php?f=50&t=10526 сильно точность пострадает?

-
Не в сети
- Site Admin
- Сообщения: 923
- Зарегистрирован: 06 июн 2014 17:31
- Откуда: Молодечно
- Контактная информация:
Re: Цифровой индикатор мощности и КСВ
не ясен Ваш вопрос, если генератора нет, то что Вы собираетесь калибровать и чему страдать?EW1AEL писал(а):Нет генератора, интересно, если откалибровать по NanoVna 2.2, по табличке как здесь: http://qrz.by/forum/viewtopic.php?f=50&t=10526 сильно точность пострадает?
--
здесь все описано в подробностях http://qrz.by/forum/viewtopic.php?f=50&t=10526#p84253
_________________
Владимир,
ex UC2CED, EU2CED, RC2CA, EU2CA, EV78C, EV79C, EV80NG
2019 год - https://observablehq.com/@eu2aa
2017 год - http://eu2aa.com
1992 год - http://eu2aa.qrz.ru
Владимир,
ex UC2CED, EU2CED, RC2CA, EU2CA, EV78C, EV79C, EV80NG
2019 год - https://observablehq.com/@eu2aa
2017 год - http://eu2aa.com
1992 год - http://eu2aa.qrz.ru
-
Не в сети
- Сообщения: 19
- Зарегистрирован: 23 дек 2020 08:35
Re: Цифровой индикатор мощности и КСВ
Вечер добрый!
Как я понял, откалибровать с датчиком AD8317 прибор не смогу.
Нашел в интернете исходники, там массивы с наборами поправок, видимо достаточно сложно уложить кривую реального датчика в соответствие с ними. Исходники с трудом собрал, но под современными "free" компиляторами уже не влазят в чип, нужно подбирать среду в которой компилировать.
На выложенной прошивке работает у меня канал A с ниспадающей характеристикой как и должно, B - не работает (возможно сжег вход чипа для канала B). Если на канале A использовать AD8307, то относительно верно показывает, учитывает аттенюаторы. Изначально хотел два датчика: AD8317 на канал A и на канал B прицепить датчик на AD8307, но для этого нужна другая прошивка похоже, если B все-таки сгорел.
Буду делать что-нибудь другое, этот ваттметр отложил до появления свободного времени.
Всем спасибо.
Как я понял, откалибровать с датчиком AD8317 прибор не смогу.
Нашел в интернете исходники, там массивы с наборами поправок, видимо достаточно сложно уложить кривую реального датчика в соответствие с ними. Исходники с трудом собрал, но под современными "free" компиляторами уже не влазят в чип, нужно подбирать среду в которой компилировать.
На выложенной прошивке работает у меня канал A с ниспадающей характеристикой как и должно, B - не работает (возможно сжег вход чипа для канала B). Если на канале A использовать AD8307, то относительно верно показывает, учитывает аттенюаторы. Изначально хотел два датчика: AD8317 на канал A и на канал B прицепить датчик на AD8307, но для этого нужна другая прошивка похоже, если B все-таки сгорел.
Буду делать что-нибудь другое, этот ваттметр отложил до появления свободного времени.
Всем спасибо.
-
Не в сети
- Site Admin
- Сообщения: 923
- Зарегистрирован: 06 июн 2014 17:31
- Откуда: Молодечно
- Контактная информация:
Re: Цифровой индикатор мощности и КСВ
Добрый день, Александр МихайловичEW1AEL писал(а):Вечер добрый! Как я понял, откалибровать с датчиком AD8317 прибор не смогу.
Откалибровать сможете.
4.4 Пример калибровки малого шага коррекции для HF (то же для ячеек памяти LF, VHF, UHF и SHF можно сделать независимо).
4.4.1 Включите индикатор.
4.4.2 Войдите в режим HF нажимая кнопку РЕЖИМ до загорания HF.
4.4.3 Подайте с генератора на вход датчика мощности немодулированный сигнал нужной Вам частоты уровнем 0dBm.
4.4.4 Перейдите в режим калибровки нажимая МЕНЮ/шаг=10/ВВОД.
4.4.5 Повторно выключите и включите индикатор в SHF. Показания должны быть 0.0dBm.
ВНИМАНИЕ! Предупредительная надпись «Not in range +10 -20» говорит о том, что Вы подаете уровень не 0dBm!!! Он больше +10dBm, либо ниже -20dBm.
-
Для калибровки генератор от VNA не подойдет.
Во-первых нужен уровень 0dBm.
Во-вторых чистая несущая (чистый аналоговый немодулированный сигнал).
-
Подойдет любой генератор, например Г4-107 на частоте 100МГц.
Выставьте колесом уровень 02dBv - это и будет 0dBm.
Если у Вас будет доступ к генератору на 1 минуту, то для калибровки своего прибора этого вполне достаточно
-
Погрешность на более высоких частотах определяется качеством исполнения датчика мощности.
Например, датчик - до 6ГГц даст незначительную погрешность при калибровке на 100МГц. Датчик такой, как описан здесь.
До 10ГГц появится погрешность, зависимо от качества монтажа.
Но если удастся откалибровать, например, на 10,368ГГц, используя другую ячейку памяти (скажем SHF), то там у Вас погрешность будет=0. Относительно того генератора- эталона. Такие платы на роджере для датчика у меня еше остались, вышлю кому нужно.
_________________
Владимир,
ex UC2CED, EU2CED, RC2CA, EU2CA, EV78C, EV79C, EV80NG
2019 год - https://observablehq.com/@eu2aa
2017 год - http://eu2aa.com
1992 год - http://eu2aa.qrz.ru
Владимир,
ex UC2CED, EU2CED, RC2CA, EU2CA, EV78C, EV79C, EV80NG
2019 год - https://observablehq.com/@eu2aa
2017 год - http://eu2aa.com
1992 год - http://eu2aa.qrz.ru
-
Не в сети
- Site Admin
- Сообщения: 923
- Зарегистрирован: 06 июн 2014 17:31
- Откуда: Молодечно
- Контактная информация:
КСВ-мост от 144МГц до 12Ггц
Еще раз про КСВ-мост от 144МГц до 12Ггц http://qrz.by/forum/viewtopic.php?f=50&t=2754#p25119
-
GERBER-файл выложен здесь: http://qrz.by/forum/download/file.php?id=26689
Файл в pcad2006: Упакованы:
6_mostov_12GHz.pcb - групповой файл, сразу на 6 мостов и
most_12GHz_v2.pcb - одиночный файл.
Материал - ROGER RO4350B 3,48 0,508mm 17/17um 10 x 22 mm для одиночной платы.
-
В установках слоя ТОР включено ЗЕРКАЛЬНОЕ отображение, поэтому распечатать рисунок можно из под просмотрщика, например, P-CAD 2006 Viewer v.19.02.9660.
Следует распечатывать на принтере именно слой ТОР для СВЧ-плат.
-
GERBER-файлы можно транслировать в формат LAY для ЛУТ-технологии.
-
Бесплатная программа для просмотра документов, созданных в P-CAD.
http://soft.sibnet.ru/soft/16983-p-cad- ... 9-02-9660/
Размер файла: 9,7Mb
Об самостоятельном изготовлении печатных плат по ЛУТ (Лазерно Утюжной Технологии) http://qrz.by/forum/viewtopic.php?f=50&t=2754#p25245
-
GERBER-файл выложен здесь: http://qrz.by/forum/download/file.php?id=26689
Файл в pcad2006: Упакованы:
6_mostov_12GHz.pcb - групповой файл, сразу на 6 мостов и
most_12GHz_v2.pcb - одиночный файл.
Материал - ROGER RO4350B 3,48 0,508mm 17/17um 10 x 22 mm для одиночной платы.
-
В установках слоя ТОР включено ЗЕРКАЛЬНОЕ отображение, поэтому распечатать рисунок можно из под просмотрщика, например, P-CAD 2006 Viewer v.19.02.9660.
Следует распечатывать на принтере именно слой ТОР для СВЧ-плат.
-
GERBER-файлы можно транслировать в формат LAY для ЛУТ-технологии.
-
Бесплатная программа для просмотра документов, созданных в P-CAD.
http://soft.sibnet.ru/soft/16983-p-cad- ... 9-02-9660/
Размер файла: 9,7Mb
Об самостоятельном изготовлении печатных плат по ЛУТ (Лазерно Утюжной Технологии) http://qrz.by/forum/viewtopic.php?f=50&t=2754#p25245
_________________
Владимир,
ex UC2CED, EU2CED, RC2CA, EU2CA, EV78C, EV79C, EV80NG
2019 год - https://observablehq.com/@eu2aa
2017 год - http://eu2aa.com
1992 год - http://eu2aa.qrz.ru
Владимир,
ex UC2CED, EU2CED, RC2CA, EU2CA, EV78C, EV79C, EV80NG
2019 год - https://observablehq.com/@eu2aa
2017 год - http://eu2aa.com
1992 год - http://eu2aa.qrz.ru
-
Не в сети
- Сообщения: 94
- Зарегистрирован: 20 мар 2015 16:27
- Откуда: г.Слуцк
Re: Цифровой индикатор мощности и КСВ
Вот такой прибор получился.Калибровал пока только на 100 мгц генератором Г4-116.Выставил аттанюатором вых.напр. 0,223 в эфф.Всё совпало.Все режимы прибора работают.
-
Не в сети
- Site Admin
- Сообщения: 923
- Зарегистрирован: 06 июн 2014 17:31
- Откуда: Молодечно
- Контактная информация:
Re: Цифровой индикатор мощности и КСВ
Поздравляю, Юрий Михайлович!VERN писал(а):Калибровал пока только на 100 мгц генератором Г4-116.Выставил аттанюатором вых.напр. 0,223 в эфф.Всё совпало.
Отличный дизайн!
Этой калибровки достаточно.
Выше по частоте начнет влиять частотная погрешность, всего-то.
Если попадется по случаю эталонный генератор, тогда можно сделать таблицу поправок.
_________________
Владимир,
ex UC2CED, EU2CED, RC2CA, EU2CA, EV78C, EV79C, EV80NG
2019 год - https://observablehq.com/@eu2aa
2017 год - http://eu2aa.com
1992 год - http://eu2aa.qrz.ru
Владимир,
ex UC2CED, EU2CED, RC2CA, EU2CA, EV78C, EV79C, EV80NG
2019 год - https://observablehq.com/@eu2aa
2017 год - http://eu2aa.com
1992 год - http://eu2aa.qrz.ru
-
Не в сети
- Site Admin
- Сообщения: 923
- Зарегистрирован: 06 июн 2014 17:31
- Откуда: Молодечно
- Контактная информация:
ЭНС 10Вт 20dB до 10ГГц
ЭНС 10Вт 20dB до 10ГГц
-
Как пример: глаза боятся, а руки делают.
-
Сделал пару штук нагрузок 10Вт до 10ГГц. На наклейках видны параметры. Левая от 144МГц до 10368МГц - почти идеальная, у правой - небольшой провал на 2,4 и 5,76.
-
Схема: Отрезал от профиля 40х20мм ножовкой, часть стенки вырезал, чтобы был доступ: Отверстия М3, чтобы привинтить П-образную крышку.
Еще пара отверстий Ø4,5мм, чтобы привинтить к радиатору.
С хорошим радиатором потянет и 30Вт до 5 минут,
а 100Вт - до 1 минуты.
-
Детали на основе сгоревшего транзистора КТ922Б:
SMA подготовил заранее, нарезал резьбу под гайку М4. Укорачивал по месту.
Важно поставить хорошие разъемы SMA, именно прямые (угловые завалят АЧХ!!!), распаивать ровно,не изгибая уже залуженную оплетку кабеля.
У ПРАВОЙ нагрузки с отверстием промахнулся, пришлось кабель с залуженной оплеткой подгибать, волновое сопротивление "поехало" выше 50 Ом, что немедленно отразилось на АЧХ.
-
Как пример: глаза боятся, а руки делают.
-
Сделал пару штук нагрузок 10Вт до 10ГГц. На наклейках видны параметры. Левая от 144МГц до 10368МГц - почти идеальная, у правой - небольшой провал на 2,4 и 5,76.
-
Схема: Отрезал от профиля 40х20мм ножовкой, часть стенки вырезал, чтобы был доступ: Отверстия М3, чтобы привинтить П-образную крышку.
Еще пара отверстий Ø4,5мм, чтобы привинтить к радиатору.
С хорошим радиатором потянет и 30Вт до 5 минут,
а 100Вт - до 1 минуты.
-
Детали на основе сгоревшего транзистора КТ922Б:
SMA подготовил заранее, нарезал резьбу под гайку М4. Укорачивал по месту.
Важно поставить хорошие разъемы SMA, именно прямые (угловые завалят АЧХ!!!), распаивать ровно,не изгибая уже залуженную оплетку кабеля.
У ПРАВОЙ нагрузки с отверстием промахнулся, пришлось кабель с залуженной оплеткой подгибать, волновое сопротивление "поехало" выше 50 Ом, что немедленно отразилось на АЧХ.
_________________
Владимир,
ex UC2CED, EU2CED, RC2CA, EU2CA, EV78C, EV79C, EV80NG
2019 год - https://observablehq.com/@eu2aa
2017 год - http://eu2aa.com
1992 год - http://eu2aa.qrz.ru
Владимир,
ex UC2CED, EU2CED, RC2CA, EU2CA, EV78C, EV79C, EV80NG
2019 год - https://observablehq.com/@eu2aa
2017 год - http://eu2aa.com
1992 год - http://eu2aa.qrz.ru