Эхо-репитер
- Автор
- Сообщение
-
Не в сети
- Сообщения: 4
- Зарегистрирован: 14 дек 2013 15:05
Re: Эхо-репитер
Большое спасибо создателям репитера. Очень кстати попалась Ваша конструкция. После сборки все прошилось и заработало. Есть маленькие вопросы.
Период между маяками указан до 10 минут. Более длинный период просто не рекомендуется или будет не правильно работать?
Никак не получается считать уровень тишины и громкого сигнала. Вообще никак, хотя программируется без каких либо сбоев и ошибок.
При этом не понятно какой уровень будет считываться, ведь по инструкции перемычка в режиме программирования замыкает вход на землю.
Пробовал перед считыванием перемычку убирать - не помогает :) Можно полный алгоритм считывания уровней записи?
Спасибо.
Период между маяками указан до 10 минут. Более длинный период просто не рекомендуется или будет не правильно работать?
Никак не получается считать уровень тишины и громкого сигнала. Вообще никак, хотя программируется без каких либо сбоев и ошибок.
При этом не понятно какой уровень будет считываться, ведь по инструкции перемычка в режиме программирования замыкает вход на землю.
Пробовал перед считыванием перемычку убирать - не помогает :) Можно полный алгоритм считывания уровней записи?
Спасибо.
-
Не в сети
- Сообщения: 73
- Зарегистрирован: 15 дек 2013 15:54
Re: Эхо-репитер
Калибровка никак не привязана к наличию или отсутствию внешней памяти (используется внутренняя память контроллера). Что значит "получается калиброваться"? На чём основан такой вывод? Из написанного ничего такого не вытекает.QWERY писал(а):Вместо новой M25P64,... подбросил MX25L3205 ... получается калиброваться и прочитать значение АЦП,но программирование параметров и звуков всё так же выдает "Syncronization lost". ...
И, на бис, калибровка не связана с наличием-отсутствием внешней памяти и со значением АЦП. Все операции, кроме записи сообщений, можно проводить без внешней памяти. После входа в режим программирования перемычку PRG надо снять. RTFM, с тем же старанием, что и билеты ПДД, слова в мануале подобраны тщательноQWERY писал(а):Выпаял spansion fl016a1f, ... при её подключении получается калиброваться и прочитать значение АЦП=0 ...

Не влияетQWERY писал(а):... Видимо как-то топология платы влияет на работу связки контроллер-память...
В программе можете установить любой период в диапазоне 1..255мин., однако, учитывая, что кварца нет, при больших периодах может получится так, что электробаба будет давать информационное сообщение раз в 40мин, а не 30, как отображается в софте. Т.е. циферки минут придётся подобрать, если важна точность периода.rz9yq писал(а):... Период между маяками указан до 10 минут. Более длинный период просто не рекомендуется или будет не правильно работать?
Что значит "не получается"? Понятно приблизительно также, как утверждение "не получается спрыгнуть с крыши"? Есть какие-то пояснения?rz9yq писал(а):...Никак не получается считать уровень тишины и громкого сигнала. Вообще никак...
Можно, чего ж нельзя: уровень считывается из регистра АЦП и передаётся по UART. Как бы всё.rz9yq писал(а):... Можно полный алгоритм считывания уровней записи?
P.S. Просьба вдумчиво прочесть мануал: там есть ответы на почти все вопросы. Документ написан академически правильно. Повторяемость и надёжность девайса - хорошие. Если что-то не работает - ошибка у Вас.
P.P.S. Для справки: существует ещё 4х диапазонный кроссбэнд вариант репитера, построенный по тому же принципу, что и обсуждаемая конструкция, но там надо 4 АЦП, и вопросов, видимо, будет в 4 раза больше

-
Не в сети
- Сообщения: 6
- Зарегистрирован: 11 дек 2013 16:18
Re: Эхо-репитер
Да уже понятно,что основная проблема была с разводкой конкретной печатной платы. Уже на ней же "по-колхозному проводами" набросал связь tiny13 с памятью,и всё работает вон лежит,плату рисую другую.
По поводу,что перемычку надо снять,написано это в мануале в подразделе "Настройка с помощью консольных утилит",в которую не каждый и заглянет.
А на стр. 8, где описывается эта процедура с помощью программы ERP, про это упоминания нет.
P.S. Хорошая конструкция с хорошим описанием,спасибо вам
По поводу,что перемычку надо снять,написано это в мануале в подразделе "Настройка с помощью консольных утилит",в которую не каждый и заглянет.
А на стр. 8, где описывается эта процедура с помощью программы ERP, про это упоминания нет.
P.S. Хорошая конструкция с хорошим описанием,спасибо вам

-
Не в сети
- Сообщения: 4
- Зарегистрирован: 14 дек 2013 15:05
Re: Эхо-репитер
Спасибо за ответ.
Уровень тишины не знаю почему не читает. Пишет что то вроде - wait device version (по памяти).
Связь с устройством стабильная, программируется четко без ошибок.
Запись активируется звуком, поэтому хотелось бы подстроить уровни. Завтра буду пробовать еще :)
Репитер в общем завелся сразу и уже неделю как обкатывается в эфире, за что огромное спасибо создателям.
Уровень тишины не знаю почему не читает. Пишет что то вроде - wait device version (по памяти).
Связь с устройством стабильная, программируется четко без ошибок.
Запись активируется звуком, поэтому хотелось бы подстроить уровни. Завтра буду пробовать еще :)
Репитер в общем завелся сразу и уже неделю как обкатывается в эфире, за что огромное спасибо создателям.
-
Не в сети
- Сообщения: 73
- Зарегистрирован: 15 дек 2013 15:54
Re: Эхо-репитер
Скорее всего, неправильно установлен BR. Надо менять. erp, при открытии окна калибровки АЦП, посылает запрос номера версии, который не повторяется, если получен хотя бы один верный ответ. Запросы значения АЦП следуют с периодом ~0.5с.rz9yq писал(а):... Уровень тишины не знаю почему не читает. Пишет что то вроде - wait device version (по памяти).
-
Не в сети
- Сообщения: 25
- Зарегистрирован: 17 окт 2013 20:30
Re: Эхо-репитер
Вопрос к эксплуатирующим эхо-репитер.
Какое качество записи у вас, при малых уровнях сигнала? Не хрипит ли звук?
Мне пришлось встроить компандер TA31101. На входе работает одна часть микросхемы (компрессор), а дальше другая часть (экпандер), для отсечения шумов. Только так добился качественной записи, при разном уровне сигнала.
Как у вас с этим делом?
Какое качество записи у вас, при малых уровнях сигнала? Не хрипит ли звук?
Мне пришлось встроить компандер TA31101. На входе работает одна часть микросхемы (компрессор), а дальше другая часть (экпандер), для отсечения шумов. Только так добился качественной записи, при разном уровне сигнала.
Как у вас с этим делом?
-
Не в сети
- Сообщения: 73
- Зарегистрирован: 15 дек 2013 15:54
Re: Эхо-репитер
Есть подозрение, что у Вас низкий уровень сигнала; для нормальной работы по входу нужен сигнал размахом 1Vp-p на выв.7 tiny13. Если уровень мал, а уменьшение R8 не помогает, то однотранзисторного усилителя должно хватить за глаза, но в таком случае, подобный факт работы с выходными сигналами менее 100мВ наводит на грустные размышления о состоянии инженерной мысли в стране.Spirex писал(а):...Какое качество записи у вас, при малых уровнях сигнала? Не хрипит ли звук?...
-
Не в сети
- Сообщения: 25
- Зарегистрирован: 17 окт 2013 20:30
Re: Эхо-репитер
Размах в 1 вольт на входе, для качественной записи, это понятно.EU6SM писал(а):для нормальной работы по входу нужен сигнал размахом 1Vp-p на выв.7
Если в эфир выходят с нужным уровнем девиации, и говорят с расстояния 5 см от микрофона, проблем нет. Всё чётко записывается. Но когда выходят с баофенга


Как не крути, уровень входного напряжения зависит от того, как говорит корреспондент, и если он говорит тихо, (входной уровень ~50-150 милливольт) то запись идёт с шумом от работы ШИМ. Поэтому, мной и был применён компандер. Без него, если просто повесить несущую,то при воспроизведении, на записи был слышен небольшой шум. Из за этого эффекта, казалось что корреспондент идёт на 8-9 баллов (небольшой шум), хотя станции находились в одной комнате.
Происхождение шума, как выяснилось, является естественный шум НЧ тракта трансивера (допустим 10 милливольт). Этот шум (10мв), поступая на ножку 7 Attiny13 в режиме записи, возбуждает работу ШИМ, от которого, в запись уже попадает шум не только 10 милливольтного сигнала, но и плюс шум от работы ШИМ, а это где то около 30-70 милливольт. Как известно, шум не фильтруется LPF и HPF фильтрами трансивера в достаточной степени. Итого получаем при воспроизведении в эфир сумму шумов.

Вот для этого и приходится применять Expander, назначение которого отсечь те 50 мв шумового составляющего, для предотвращения его выхода в эфир. В итоге получаем чистый сигнал. Да, и простым снижением уровня выходного сигнала в линию Audio tx, для уменьшения собственных шумов схемы, это не решается. При это упадёт и уровень выходного полезного сигнала.
Можно просто завысить уровень входного сигнала, что бы не иметь проблем с воспроизведением малых уровней сигнала и не обращать внимание на его искажения, похожие на диодное ограничение (distortion) при воспроизведении, но хочется что бы выходной сигнал, всё таки соответствовал входному.
Update: Земли (GND) на плате много, коденсаторов по питанию много, на делителе (7 вывод) отдельная фильтрация (100 ом 100мкф). Всё в экране. Плата 40х22 мм.
Comressor.
Для накачки слабого сигнала, его нужно установить между выходом (вывод 5. attiny13) и экспандером.
PS: После этого, я могу точно сказать, что у меня теперь качество записи-воспроизведения на высоте, по шумовым характеристикам.
Видео демонстрации работы схемы, тоже не передаст все тонкости сигнала, наличие шумов, чистоты воспроизведения и т.д. Всё маскируется в звуковых фильтрах видеокамеры, перекодировке звука и т.д.
Всё описанное мной, никаким образом не говорит о том что, схема очень простая, но в связи своей уникальностью (простотой, габаритами и возможностями) потеряла главное - именно качество звука.
Наоборот. Схема отличнейшая, и поэтому хочется довести её звуковые, шумовые характеристики, до совершенных.
Поэтому и интересуют мнения других , в таких мелких, но важных нюансах.
С наступающим! 73

-
Не в сети
- Сообщения: 582
- Зарегистрирован: 11 июл 2012 19:09
- Откуда: Витебск
- Контактная информация:
Re: Эхо-репитер
Здравствуйте!!Spirex писал(а):Размах в 1 вольт на входе, для качественной записи, это понятно.EU6SM писал(а):для нормальной работы по входу нужен сигнал размахом 1Vp-p на выв.7
Если в эфир выходят с нужным уровнем девиации, и говорят с расстояния 5 см от микрофона, проблем нет. Всё чётко записывается. Но когда выходят с баофенга, у которого девиация +-5 кгц, да ещё усиление по микрофону никакое, то тут транзистором на входе не отделаешься
.
Как не крути, уровень входного напряжения зависит от того, как говорит корреспондент, и если он говорит тихо, (входной уровень ~50-150 милливольт) то запись идёт с шумом от работы ШИМ. Поэтому, мной и был применён компандер. Без него, если просто повесить несущую,то при воспроизведении, на записи был слышен небольшой шум. Из за этого эффекта, казалось что корреспондент идёт на 8-9 баллов (небольшой шум), хотя станции находились в одной комнате.
Происхождение шума, как выяснилось, является естественный шум НЧ тракта трансивера (допустим 10 милливольт). Этот шум (10мв), поступая на ножку 7 Attiny13 в режиме записи, возбуждает работу ШИМ, от которого, в запись уже попадает шум не только 10 милливольтного сигнала, но и плюс шум от работы ШИМ, а это где то около 30-70 милливольт. Как известно, шум не фильтруется LPF и HPF фильтрами трансивера в достаточной степени. Итого получаем при воспроизведении в эфир сумму шумов.![]()
Вот для этого и приходится применять Expander, назначение которого отсечь те 50 мв шумового составляющего, для предотвращения его выхода в эфир. В итоге получаем чистый сигнал. Да, и простым снижением уровня выходного сигнала в линию Audio tx, для уменьшения собственных шумов схемы, это не решается. При это упадёт и уровень выходного полезного сигнала.
Можно просто завысить уровень входного сигнала, что бы не иметь проблем с воспроизведением малых уровней сигнала и не обращать внимание на его искажения, похожие на диодное ограничение (distortion) при воспроизведении, но хочется что бы выходной сигнал, всё таки соответствовал входному.
Update: Земли (GND) на плате много, коденсаторов по питанию много, на делителе (7 вывод) отдельная фильтрация (100 ом 100мкф). Всё в экране. Плата 40х22 мм.
Comressor.
Для накачки слабого сигнала, его нужно установить между выходом (вывод 5. attiny13) и экспандером.
PS: После этого, я могу точно сказать, что у меня теперь качество записи-воспроизведения на высоте, по шумовым характеристикам.
Видео демонстрации работы схемы, тоже не передаст все тонкости сигнала, наличие шумов, чистоты воспроизведения и т.д. Всё маскируется в звуковых фильтрах видеокамеры, перекодировке звука и т.д.
Всё описанное мной, никаким образом не говорит о том что, схема очень простая, но в связи своей уникальностью (простотой, габаритами и возможностями) потеряла главное - именно качество звука.
Наоборот. Схема отличнейшая, и поэтому хочется довести её звуковые, шумовые характеристики, до совершенных.
Поэтому и интересуют мнения других , в таких мелких, но важных нюансах.
С наступающим! 73
Рад, что Вы оценили простоту и лаконичность схемы эхо-репитера и уже используете его. Судя по отзывам, у нашего репитера появилось много братиков в разных городах.
У нас репитер активно используется примерно с Мая 2013 года и некоторые наблюдения, как у пользователя, у меня тоже есть. Насчет качества сигнала могу сказать, что искажения я слышал всего несколько раз, но только не на слабых (тихих) сигналах. Происходило это только от сигналов с очень большой девиацией частоты. Тогда на пиках громкости или на свистящих звуках появляются искажения в виде диодного ограничения, как Вы и сказали. Но у нас таких сигналов мало и после указания на это, человек уменьшает усиление микрофона или относит его подальше ото рта. На большинстве сигналов наших коллег мне, например, кажется, что после репитера они становятся даже красивее

Никаких артефактов от неподавленного ШИМ не слышал, шумов в сигнале бывает ровно столько, сколько их приходит от НЧ тракта р/станции на вход АЦП. Т.е. на качество сигнала никаких нареканий у наших пользователей не было. Я думаю, что здесь еще много будет зависеть от приемника самой радиостанции: от порядка и полосы пропускания ФОС и примененного частотного детектора. У нас используется Motorola GM300, станция очень приличная, на мой взгляд.
Единственная проблема с которой мы столкнулись - это сбои в работе памяти и процессора под влиянием ВЧ сигнала передатчика, а также проблемы из-за недостаточной герметичности репитера и попадания туда влаги. Все это решаемо с помощью блокировочных конденсаторов, ферритовых трубок и дросселей на входящих - выходящих проводах, а также путем помещения репитера (с р/станцией) в герметичный бокс на крыше.
С уважением, Виталий 73!!
_________________
73!!! Виталий (EW6D ex EW6BA)
73!!! Виталий (EW6D ex EW6BA)
-
Не в сети
- Сообщения: 73
- Зарегистрирован: 15 дек 2013 15:54
Re: Эхо-репитер
Я мог бы расчётами показать, что Вы заблуждаетесь, но это уже как бы и не надоSpirex писал(а): ...


Из 3х десятков отзывов о репитере нигде указанных Вами проблем не было замечено: основной бич - деградация NVM при плохой развязке по ВЧ на мощностях более 15Вт и неизвестных КСВ

-
Не в сети
- Сообщения: 25
- Зарегистрирован: 17 окт 2013 20:30
Re: Эхо-репитер
Предела совершенству нетEU6SM писал(а):обратите внимание на разрядность аналоговых входов большинства радиодевайсов и радиософта, и, м.б., у Вас заведётся червячок сомнений в Вашей правоте

Для НЧ тракта трансивера, тех данных что есть в репе, хватает за глаза, всё остальное мои мелкие придирки. Это не прошлый мой эхо-репитер на ISD1420, где sample rate 6 кгц. Вот там то, с воспроизведением высоких частот, проблема. Звук такой, как будто передние зубы выбили

В общем выкинул компандер как ненужную деталь. Поскольку репитер использую в связке с FT-7800 (подключение через разъём DATA 500 милливольт по "пину" 9600bod), добавил каскад на транзисторе, и получил уровень 800-900 милливольт. Хрип исчез.

Если подключение делается в трансивере к выходу на динамик, то небольшие собственные шумы УЗЧ, не давали ШИМ-у опуститься, так сказать до нуля, где как раз на этом пороге (30мв) и рождаются искажения, очень напоминающие знаменитую "ступеньку.
Всё правильно, а поскольку с повышением уровня на входе, нужно убавить на выходе, получаем компенсацию, то есть снижение уровня шумов на выходе. Отсюда и доклады о том, что искажений и хрипов нет

Всё! Завариваю корпус, и больше не лезу.

Следующий, на КВ трансивер нужно поставить, хорошо 2 платы тогда протравил.
А третий вариант (не по назначению), будет как маяк оповещатель, как круто то, что при подачи питания выводится сообщение, да с высоким качеством, хоть SSTV или psk записывай, да ещё и с повтором через определённое, программируемое время. Или вообще как пожарный извещатель, или информатор.
Схема супер!
Выкладываю печатку, кому лень рисовать. Немного непоследовательно установлены сигнальные контакты, но это на один раз при программировании.
- Вложения
-
REPLAY.rar
- (14.74 КБ) 1074 скачивания
-
Не в сети
- Сообщения: 73
- Зарегистрирован: 15 дек 2013 15:54
Re: Эхо-репитер
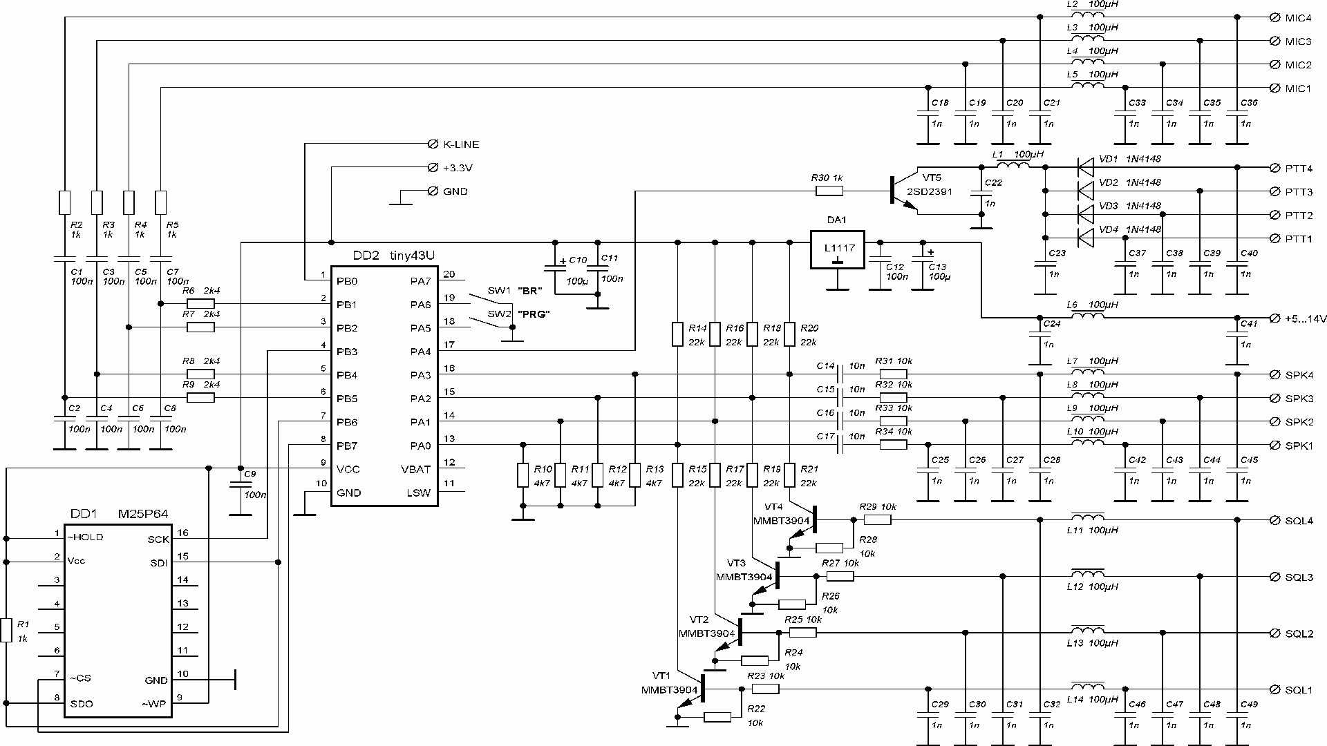
А ещё бывает междиапазонный репитер (4 диапазона). Схема монстровата, но, к сожалению, более оригинальная не придумалась...
-
Не в сети
- Сообщения: 6
- Зарегистрирован: 11 дек 2013 16:18
Re: Эхо-репитер

-
Не в сети
- Сообщения: 73
- Зарегистрирован: 15 дек 2013 15:54
Re: Эхо-репитер
Ну, вот. Кто меня за язык тянул, спрашивается...QWERY писал(а):А описание,хотя бы краткое,и прошивка,есть в доступе ?

Объяснение простое. Вы не представляете, сколько спама приходит по репитеру на tiny13: от удивлённых реплик, что контроллер оказывается надо было запрограммировать, до предложений приспособить 29F800B "а то их в хозяйстве у миня много". А ведь репитер на tiny13 описан довольно подробно. Кроссбэнд не является популярным девайсом в репитеростроении, хорошее описание требует довольно много времени на подготовку, к тому же к данному девайсу отсутствует дружественный софт, т.е. совокупное сочетание всех указанных и неуказанных факторов приводит к желанию стать белорусским подпольщиком

Работа репитера-кроссбэнда проста: репитер находится в режиме ожидания, пока какой-либо из трансиверов не откроет репитер на приём, вот это сообщение от 1го открывшего и записывается в память. После записи, все подключенные трансиверы открываются на передачу (принять что-то в таком месиве передатчиков всё-равно ничего не получается, тем более, что трансиверы работают на общую антенну через триплексер), и записанный спич звучит на всех диапазонах. Перед выдачей записанного сигнала выдаётся короткое звуковое сообщение, соответствующее диапазону (типа, "2 метра", "70см", "23см" и т.п.; можно было дудеть по-разному, но вот пока голосом). Алгоритм работы очень похож на алгоритм работы одноканального репитера.
Схема приведена в качестве примера, чтобы показать, как на основе одноканального репитера делается четырёхканальный; собственно, ничего более.
-
Не в сети
- Сообщения: 25
- Зарегистрирован: 17 окт 2013 20:30
Re: Эхо-репитер
Кажется я понял откуда появлялись искажения при записи. Вчера, когда подключал к K-LINE адаптеру для удаления звуков, изменил уровень тишины (135). Замкнул коллектор и эмиттер транзистора, подающего смещение для активации записи SQL, и считал показания. До этого считывал тишину без участия транзистора. Всё таки от точки смещения кое что зависит как написано в мануале. Вот и пропали искажения, сигнал стал чистенький.
В общем, пункт RTFM нужно выполнять безукоризненно, но при виде такой супер миниатюрной конструкции, и с желанием побыстрей спаять, выполнить сложно.
В общем, пункт RTFM нужно выполнять безукоризненно, но при виде такой супер миниатюрной конструкции, и с желанием побыстрей спаять, выполнить сложно.
-
Не в сети
- Сообщения: 73
- Зарегистрирован: 15 дек 2013 15:54
Re: Эхо-репитер
Очень хорошо, что всё стало хорошоSpirex писал(а):Кажется я понял откуда появлялись искажения при записи. ...

-
Не в сети
- Сообщения: 6
- Зарегистрирован: 13 дек 2013 21:04
Re: Эхо-репитер
Доброго времени суток -- не стоит уводить эту разработку в "партизаны" нам она очень интересна и с нетерпением жду описи и прошивки чтоб можно было повторить.EU6SM писал(а):А ещё бывает междиапазонный репитер (4 диапазона). Схема монстровата, но, к сожалению, более оригинальная не придумалась...
идея следующая
в помощь нашим МЧС (работа в горной местности Украинских Карпат(Черногорский хребет)) хотим поставить автоматический информер
-
Не в сети
- Сообщения: 793
- Зарегистрирован: 03 май 2009 20:50
- Откуда: Grodno
Re: Эхо-репитер
Доброго времени суток. представляем к вашему вниманию наш Гродненский Эхо репитер 27.170 Мгц ФМ
Собран на Р.станция Майком 27(4 ватта) +Антенна 1/2 Волны+Эхо репитер ЕР-402 (советую ,очень достойно работает,куча наворотов)
http://swjz.narod.ru/10_repiter/10_arh_ ... -402v1.pdf
Собран на Р.станция Майком 27(4 ватта) +Антенна 1/2 Волны+Эхо репитер ЕР-402 (советую ,очень достойно работает,куча наворотов)
http://swjz.narod.ru/10_repiter/10_arh_ ... -402v1.pdf
-
Не в сети
- Сообщения: 73
- Зарегистрирован: 15 дек 2013 15:54
Re: Эхо-репитер
А почему одноканальный репитер не устраивает? Почему требуется именно четырёхканальный? Мы как-бы от бедности каналы добавляем: негде приткнуть антенны, брать питание, мало денег на ящики и т.п., а у Вас что не так, кроме отсутствия источника питания в горах, отсутствие или наличие которого как бы не влияет на "канальность" репитера?UR5SPM писал(а): ... в помощь нашим МЧС (работа в горной местности ...

Именно после ознакомления с этой поделкой возникла та поделка, которая здесь обсуждаетсяew4gt писал(а): представляем к вашему вниманию ... репитер ЕР-402 ...

-
Не в сети
- Сообщения: 6
- Зарегистрирован: 13 дек 2013 21:04
Re: Эхо-репитер
доброго времени сутокEU6SM писал(а):А почему одноканальный репитер не устраивает? Почему требуется именно четырёхканальный? Мы как-бы от бедности каналы добавляем: негде приткнуть антенны, брать питание, мало денег на ящики и т.п., а у Вас что не так, кроме отсутствия источника питания в горах, отсутствие или наличие которого как бы не влияет на "канальность" репитера?UR5SPM писал(а): ... в помощь нашим МЧС (работа в горной местности ...
Именно после ознакомления с этой поделкой возникла та поделка, которая здесь обсуждаетсяew4gt писал(а): представляем к вашему вниманию ... репитер ЕР-402 ...Не хотелось бы разводить холивар на эту тему.
МЧС работает на 2 диапазонах ---- 2 метра и 70 см (lpd)
уже думал над коммутацией 2 станций на один репетир (вполне возможно что так и буду делать)
Но все равно идея классная, хотелось бы иметь такой 4 канальник .
Все равно Большое спасибо за вашу разработку . Удачи Вам
-
Не в сети
- Сообщения: 2
- Зарегистрирован: 11 янв 2014 08:12
Re: Эхо-репитер
Огромное спасибо за конструкцию
.Собрал эхо репитер все запустилось практически сразу! Память использовал от нерабочего модема f32-100hip.Нужно обязательно разблокировать и стереть!Еще раз спасибо что дали возможность собрать такое интересное устройство ,
не коммерческое.!!!


-
Не в сети
- Сообщения: 793
- Зарегистрирован: 03 май 2009 20:50
- Откуда: Grodno
Re: Эхо-репитер
scrimea писал(а):Огромное спасибо за конструкцию.Собрал эхо репитер все запустилось практически сразу! Память использовал от нерабочего модема f32-100hip.Нужно обязательно разблокировать и стереть!Еще раз спасибо что дали возможность собрать такое интересное устройство ,
не коммерческое.!!!
А на какой частоте и Город,где работает эхо репитер?
-
Не в сети
- Сообщения: 2
- Зарегистрирован: 11 янв 2014 08:12
Re: Эхо-репитер
город Симферополь ,145.425, мощность 5 w ,антенна "стакан".
-
Не в сети
- Сообщения: 4
- Зарегистрирован: 14 дек 2013 15:05
Re: Эхо-репитер
После месячной домашней "обкатки", попугай переехал на постоянное место жительства.
На "двойке" стало немного веселее, надеемся надолго :)
Следим за новыми Вашими схемными решениями.
Еще раз спасибо за конструкцию!
На "двойке" стало немного веселее, надеемся надолго :)
Следим за новыми Вашими схемными решениями.
Еще раз спасибо за конструкцию!
-
Не в сети
- Сообщения: 73
- Зарегистрирован: 15 дек 2013 15:54
Re: Эхо-репитер
Спс, за тёплые слова; а на какой частоте и где он живёт?rz9yq писал(а):После месячной домашней "обкатки", попугай переехал на постоянное место жительства...
