4SQ160/80/40
- Автор
- Сообщение
-
Не в сети
- Сообщения: 449
- Зарегистрирован: 06 июн 2013 12:56
-
Не в сети
- Сообщения: 449
- Зарегистрирован: 06 июн 2013 12:56
-
Не в сети
- Сообщения: 449
- Зарегистрирован: 06 июн 2013 12:56
Re: 4SQ160/80/40
Подавление помех подстройкой ФСУ. Для некоторого диапазона углов прихода порядка 50 дБ. Проверено на практике.
-
Не в сети
- Сообщения: 449
- Зарегистрирован: 06 июн 2013 12:56
Re: 4SQ160/80/40
К сожалению, и в этом сезоне получилось лишь немного времени повозиться с доводкой и настройкой антенны.
Поучаствовал один вечер в CQ WW 160 CW, так что о работе антенны на передачу можно почерпнуть некоторую информацию обратившись к RBN.
Картинка для "затравки" во вложении. Последние три спота - вещание на скиммер. Предыдущие 4 - вбок.
(to EU1WW - звеняйте, хлопцы.
)
P.S. Поправился
Поучаствовал один вечер в CQ WW 160 CW, так что о работе антенны на передачу можно почерпнуть некоторую информацию обратившись к RBN.
Картинка для "затравки" во вложении. Последние три спота - вещание на скиммер. Предыдущие 4 - вбок.
(to EU1WW - звеняйте, хлопцы.
P.S. Поправился
Последний раз редактировалось ew3ew 23 мар 2015 08:16, всего редактировалось 1 раз.
-
Не в сети
- Site Admin
- Сообщения: 1433
- Зарегистрирован: 27 ноя 2009 21:55
- Откуда: г. Лида
Re: 4SQ160/80/40
Хороший уровень! Что за скиммер?ew3ew писал(а):...Последние три спота - вещание на скиммер...
_________________
73, Павел EU4A ex EU4AA, UC2IO etc.
73, Павел EU4A ex EU4AA, UC2IO etc.
-
Не в сети
- Сообщения: 449
- Зарегистрирован: 06 июн 2013 12:56
Re: 4SQ160/80/40
Из ОЕ, он там один.EU4AA писал(а):... Что за скиммер?
-
Не в сети
- Site Admin
- Сообщения: 1433
- Зарегистрирован: 27 ноя 2009 21:55
- Откуда: г. Лида
Re: 4SQ160/80/40
Учитывая, что у EU1WW с энергетикой всё в порядке - очень даже неплохоew3ew писал(а):... EU1WW - звеняйте, хлопцы...
_________________
73, Павел EU4A ex EU4AA, UC2IO etc.
73, Павел EU4A ex EU4AA, UC2IO etc.
-
Не в сети
- Сообщения: 449
- Зарегистрирован: 06 июн 2013 12:56
Re: 4SQ160/80/40
При запитке 2+2 на пару десятых меньше усиление и заметно хуже F/B, но тем не менее слушать 8 направлений много приятнее чем 4. Дополнительные сложности, конечно, но того стоит...
-
Не в сети
- Сообщения: 449
- Зарегистрирован: 06 июн 2013 12:56
Re: 4SQ160/80/40
Ну да. "Всё познаётся в сравнении" - говорили кто-то когда-то.EU4AA писал(а):Учитывая, что у EU1WW с энергетикой всё в порядке - очень даже неплохоew3ew писал(а):... EU1WW - звеняйте, хлопцы...
-
Не в сети
- Сообщения: 383
- Зарегистрирован: 04 ноя 2011 07:04
- Откуда: Минск
Re: 4SQ160/80/40
Не надо сравнивать совершенно разные антенны. Как таковой антенны на 160 у EU1WW пока нет, а имеющаяся работает только в ближней зоне. Возможно удастся собраться и поставить хотя б ВЕРТИКАЛ НА 160, тогда и можно будет сравнивать ...
Согласовать можно и гвоздь на 160, но от хорошей энергетики он только покраснеет ...
Согласовать можно и гвоздь на 160, но от хорошей энергетики он только покраснеет ...
_________________
ex EW1DO
ex EW1DO
-
Не в сети
- Site Admin
- Сообщения: 2582
- Зарегистрирован: 26 май 2009 04:38
- Откуда: РБ
Re: 4SQ160/80/40
На одной энергетике далеко не уедешь, да и финансы эта энергетика тоже требует и не малые.
По сему только хорошие антенны !
По сему только хорошие антенны !
_________________
73! Сергей ex.EU2A, UC2CBT, UC2-009-602, Citizen Band - Лайнер, 251. On the air since 1980
Site Admin QRZ.BY
73! Сергей ex.EU2A, UC2CBT, UC2-009-602, Citizen Band - Лайнер, 251. On the air since 1980
Site Admin QRZ.BY
-
Не в сети
- Сообщения: 383
- Зарегистрирован: 04 ноя 2011 07:04
- Откуда: Минск
-
Не в сети
- Сообщения: 449
- Зарегистрирован: 06 июн 2013 12:56
Re: 4SQ160/80/40
Александр, оценивал скиммер уровни сигналов, но не антенны. Остальное не оспариваю.ew1do писал(а):Не надо сравнивать совершенно разные антенны...
-
Не в сети
- Сообщения: 449
- Зарегистрирован: 06 июн 2013 12:56
Re: 4SQ160/80/40
Безусловно, антенны - приоритет №1 в нашем деле.
Однако, по числу скачиваний файла .maa...
Однако, по числу скачиваний файла .maa...
-
Не в сети
- Сообщения: 449
- Зарегистрирован: 06 июн 2013 12:56
Re: 4SQ160/80/40
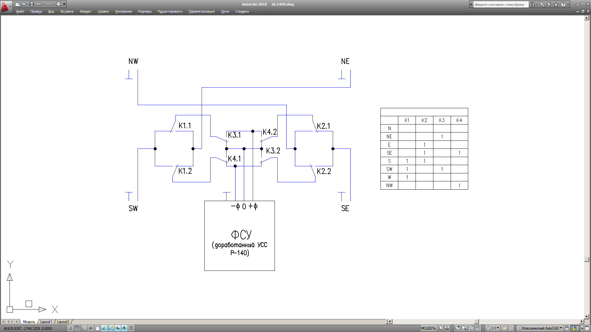
Коммутатор на 8 направлений на 4-х реле. Пришлось разработать свой. На меньшем количестве реле не получилось 
-
Не в сети
- Сообщения: 449
- Зарегистрирован: 06 июн 2013 12:56
Re: 4SQ160/80/40
Простейший вариант управления коммутатором - галетник. Для предотвращения случайного включения РА ТХ в моменты коммутации реле в S1.1 надфилем зауживаем подвижный (размыкается раньше, замыкается позже) контакт (с) 
Галеты управления ФСУ и СУ не показаны.
Галеты управления ФСУ и СУ не показаны.
Последний раз редактировалось ew3ew 15 май 2015 08:20, всего редактировалось 1 раз.
-
Не в сети
- Сообщения: 449
- Зарегистрирован: 06 июн 2013 12:56
Re: 4SQ160/80/40
Далее очень приблизительно так:
- Вложения
-
ON4UN-Dayton-2005.pdf- (4.84 МБ) 1002 скачивания
-
Не в сети
- Сообщения: 449
- Зарегистрирован: 06 июн 2013 12:56
Re: 4SQ160/80/40
Упомянутый во вложении предыдущего поста метод вынужденных токов для питания каждого из элементов антенны требует знать фазы и соотношения амплитуд ТОКОВ в точках питания. В ММАНе включением резисторов 1-5 кОм источники напряжения преобразуем в источники тока и снова оптимизируем по источникам исходя из желаемой диаграммы - получаем требуемые для данной геометрии Вашей антенны параметры источников ТОКА. На всё остальное, кроме диаграммы, забываем. (Подсмотрено у VE3KF). И именно такие фазы и соотношения амплитуд, но уже напряжений на входах четвертьволновых кабелей питания (точнее - на входах коммутатора направлений), выставляем LC цепями ФСУ с помощью 2-х лучевого осциллографа (лучше б 3-х лучевого, но где взять?). Поля допустимых значений фаз и токов при заданной диаграмме достаточно широки, так что более-менее приличная диаграмма получается сразу. Т.о., благодаря визуализации процесса, точный расчет LC цепей и не требуется. Да и мало целесообразен ввиду сомнительной точности из-за невозможности воспроизведения "враждебного окружения", набега фазы и т.д. Подгонка диаграммы по маячку (или по эфиру
) устраняет проблему. Хорошо иметь дистанционную подстройку - достаточно 1-го КПЕ.
-
Не в сети
- Сообщения: 449
- Зарегистрирован: 06 июн 2013 12:56
Re: 4SQ160/80/40
Известное, как известно, известно немногим.
Потому, в продолжение предыдыдущего поста и несколько забегая вперед самого себя по реально выполненным действиям: длина линий пол-лямбды (полуволновые повторители) так же допускает визуальную настройку и позволяет разнести элементы ФАР на оптимальные, необходимые по местным условиям, или более привлекательные по каким другим соображениям, расстояния. Вдобавок широкополосность системы вцелом и по КСВ, и по F/B именно за счет свойств повторителей при прочих равных условиях раза эдак в 1,5 лучше буде. Да ещё набег фазы отпадает из картинок - легче попасть в поля допустимых значений. Модель оптимизируем с источниками напряжения и полученные соотношения амплитуд и фаз НАПРЯЖЕНИЙ опять же на входе коммутатора накручиваем с помощью ФСУ, наблюдая свои действия осциллографом.
Потому, в продолжение предыдыдущего поста и несколько забегая вперед самого себя по реально выполненным действиям: длина линий пол-лямбды (полуволновые повторители) так же допускает визуальную настройку и позволяет разнести элементы ФАР на оптимальные, необходимые по местным условиям, или более привлекательные по каким другим соображениям, расстояния. Вдобавок широкополосность системы вцелом и по КСВ, и по F/B именно за счет свойств повторителей при прочих равных условиях раза эдак в 1,5 лучше буде. Да ещё набег фазы отпадает из картинок - легче попасть в поля допустимых значений. Модель оптимизируем с источниками напряжения и полученные соотношения амплитуд и фаз НАПРЯЖЕНИЙ опять же на входе коммутатора накручиваем с помощью ФСУ, наблюдая свои действия осциллографом.
-
Не в сети
- Сообщения: 449
- Зарегистрирован: 06 июн 2013 12:56
Re: 4SQ160/80/40
Диаграммы, нарисованные моделировщиком, реализуются только при тщательном подавлении синфазных токов в оплетках кабелей питания элементов (дьявол кроется в мелочах). Не вдаваясь в подробности - оптимальным вариантом для данной антенны видятся ВЧ-трансформаторы на ферритах с минимальной емкостной связью между обмотками.
И не стоит забывать о высоких значениях КСВ в этих же кабелях - они желательны потолще. (Машу каслом не испортишь!).
И не стоит забывать о высоких значениях КСВ в этих же кабелях - они желательны потолще. (Машу каслом не испортишь!).
-
Не в сети
- Сообщения: 767
- Зарегистрирован: 28 янв 2015 04:30
Re: 4SQ160/80/40
Прошу простить за глупый вопрос, а "живая" конструкция появится, которая будет работать не в "мамане", а в реальном эфире?

-
Не в сети
- Сообщения: 654
- Зарегистрирован: 05 мар 2014 19:28
Re: 4SQ160/80/40
Вообще непонятно зачем городить типа этого

для установки нужных фаз, когда все превосходно реализуется по классической схеме на гибридном ответвителе по методу Коллинза
И вопрос к автору чем не устраивает классическая 4 SQ?
Согласен, что оптимальные фазовые сдвиги позволяют получить более лучшее подавление и усиление, но это все ловля блох, 0.7 дб к усилению и 3-5 дб к подавлению, получая при этом систему не устойчивую к внешним факторам. Стоит появиться куску провода в поле излучателя, и фазовые сдвиги меняются, так как меняется реактивное и активное сопротивление излучателей. Конструкция для идеальных условий, о чем говорил Джон.
Считаю что правильно настроенная классическая 4 sq c +3-4 дб от одиночного вертикала - "за глаза". Хотите усиление больше - стройте яги)))))

для установки нужных фаз, когда все превосходно реализуется по классической схеме на гибридном ответвителе по методу Коллинза
И вопрос к автору чем не устраивает классическая 4 SQ?
Согласен, что оптимальные фазовые сдвиги позволяют получить более лучшее подавление и усиление, но это все ловля блох, 0.7 дб к усилению и 3-5 дб к подавлению, получая при этом систему не устойчивую к внешним факторам. Стоит появиться куску провода в поле излучателя, и фазовые сдвиги меняются, так как меняется реактивное и активное сопротивление излучателей. Конструкция для идеальных условий, о чем говорил Джон.
Считаю что правильно настроенная классическая 4 sq c +3-4 дб от одиночного вертикала - "за глаза". Хотите усиление больше - стройте яги)))))
-
Не в сети
- Сообщения: 449
- Зарегистрирован: 06 июн 2013 12:56
Re: 4SQ160/80/40
ПрощаюEW2A писал(а):Прошу простить за глупый вопрос, а "живая" конструкция появится, которая будет работать не в "мамане", а в реальном эфире?
-
Не в сети
- Сообщения: 449
- Зарегистрирован: 06 июн 2013 12:56
Re: 4SQ160/80/40
Занимаемой площадью главным образом. Для 160м классика - это 120*120=14400 м.кв. В рассматриваемом варианте 24*24=576 м.кв. 576/14400=0,04, т.е. 4% от классической 4SQ (или 11% от одиночного классического вертикала с радиалами). И без вскапывания земли или неба в сеточку, прошу заметить.eu6ml писал(а):...
И вопрос к автору чем не устраивает классическая 4 SQ?
...
Последний раз редактировалось ew3ew 27 авг 2015 11:47, всего редактировалось 5 раз.
-
Не в сети
- Сообщения: 654
- Зарегистрирован: 05 мар 2014 19:28
Re: 4SQ160/80/40
Вопрос был в том, почему не устраивает получение фазовых сдвигов по методу Коллинза? Он же тоже допускает работу и с укороченными штырями, в т.ч с емкостной нагрузкой.
Я так понимаю вы преследуете следующую цель: Вы уменьшили размеры решетки в пространстве, соответственно нужны другие фазовые сдвиги, что вы и хотите получить. Но согласно тех же уравнений Максвелла вы снизили эффективность своей конструкции в сравнении с классическим 4 sq (из -за уменьшения площади в пространстве), при этом получили кучу проблем в настройке гибридного ответвителя. Стоит ли это того?
Я так понимаю вы преследуете следующую цель: Вы уменьшили размеры решетки в пространстве, соответственно нужны другие фазовые сдвиги, что вы и хотите получить. Но согласно тех же уравнений Максвелла вы снизили эффективность своей конструкции в сравнении с классическим 4 sq (из -за уменьшения площади в пространстве), при этом получили кучу проблем в настройке гибридного ответвителя. Стоит ли это того?