Цифровой индикатор мощности и КСВ
- Автор
 - Сообщение
 
- 
				
								Не в сети
 - Site Admin
 - Сообщения: 905
 - Зарегистрирован: 06 июн 2014 17:31
 - Откуда: Молодечно
 - Контактная информация:
 
Цифровой индикатор мощности и КСВ
Без измерительных приборов ничего не отрегулировать.
Даже ремонт передатчика требует последующих измерений мощности.
УКВ-антенна требует настройки по КСВ.
			
			
									
													Даже ремонт передатчика требует последующих измерений мощности.
УКВ-антенна требует настройки по КСВ.
_________________
Владимир,
ex UC2CED, EU2CED, RC2CA, EU2CA
2019 год - https://observablehq.com/@eu2aa
2017 год - http://eu2aa.com
1992 год - http://eu2aa.qrz.ru
			
						Владимир,
ex UC2CED, EU2CED, RC2CA, EU2CA
2019 год - https://observablehq.com/@eu2aa
2017 год - http://eu2aa.com
1992 год - http://eu2aa.qrz.ru
- 
				
								Не в сети
 - Site Admin
 - Сообщения: 905
 - Зарегистрирован: 06 июн 2014 17:31
 - Откуда: Молодечно
 - Контактная информация:
 
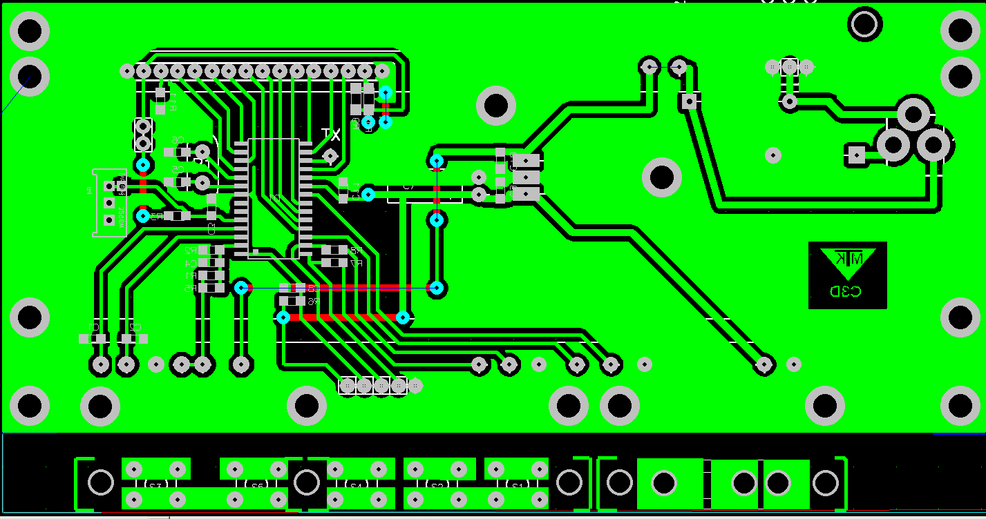
Цифровой индикатор мощности и КСВ до 3ГГц/6ГГц/10ГГц
Цифровой индикатор мощности и КСВ до 3ГГц/6ГГц/10ГГц   
*ранее, в 2002 году выкладывал статью на cqhqm.ru - http://www.cqham.ru/mw32_65.htm , эта ссылка давно побита ботами
За основу взят милливаттметр OZ2CPU до 500МГц. Вместо датчика AD8307 применён датчик AD8317 диапазона от 10МГц до 10ГГц. Чувствительность — от минус 50dBm до +40dBm с ЭНС10Вт. Основная проблема (разный характер наклона амплитудной характеристики этих двух датчиков, у AD8307 – нарастающая, а у AD8317 - ниспадающая) решена поворотом наклона в adc.c, изменение коснулось, в основном, строки :
было у OZ2CPU для AD8307: rfraw = (ADRESL+(ADRESH*256));
сделано для AD8317: rfraw = 1.13636 * (800 - (ADRESL+(ADRESH*256)));
Это сделано только для канала А, для канала В наклон оставлен прежний, под AD8307. ВНИМАНИЕ! До начала монтажа от большой платы ножовкой по металлу отпилить узкую полоску.
Из отрезанной части вырезать ДВЕ маленькие платки - они хорошо видны не рисунке выше на черном фоне, также видна разметка узкими линиями.
Эти две платки монтируются на 5 стоек на ОСНОВНУЮ плату.
На более длинной распаиваются 5 тактовых кнопок, таких или похожих: на меньшую - кнопка МП3 ... МП7, можно добыть из тумблера МТ1, МТ3. кнопка "Калибровка" нужна именно на 3 контакта, на ПЕРЕКЛЮЧЕНИЕ. Размещение платы CPU в корпусе
Руководство по эксплуатации
			
			
													*ранее, в 2002 году выкладывал статью на cqhqm.ru - http://www.cqham.ru/mw32_65.htm , эта ссылка давно побита ботами
За основу взят милливаттметр OZ2CPU до 500МГц. Вместо датчика AD8307 применён датчик AD8317 диапазона от 10МГц до 10ГГц. Чувствительность — от минус 50dBm до +40dBm с ЭНС10Вт. Основная проблема (разный характер наклона амплитудной характеристики этих двух датчиков, у AD8307 – нарастающая, а у AD8317 - ниспадающая) решена поворотом наклона в adc.c, изменение коснулось, в основном, строки :
было у OZ2CPU для AD8307: rfraw = (ADRESL+(ADRESH*256));
сделано для AD8317: rfraw = 1.13636 * (800 - (ADRESL+(ADRESH*256)));
Это сделано только для канала А, для канала В наклон оставлен прежний, под AD8307. ВНИМАНИЕ! До начала монтажа от большой платы ножовкой по металлу отпилить узкую полоску.
Из отрезанной части вырезать ДВЕ маленькие платки - они хорошо видны не рисунке выше на черном фоне, также видна разметка узкими линиями.
Эти две платки монтируются на 5 стоек на ОСНОВНУЮ плату.
На более длинной распаиваются 5 тактовых кнопок, таких или похожих: на меньшую - кнопка МП3 ... МП7, можно добыть из тумблера МТ1, МТ3. кнопка "Калибровка" нужна именно на 3 контакта, на ПЕРЕКЛЮЧЕНИЕ. Размещение платы CPU в корпусе
Руководство по эксплуатации
					Последний раз редактировалось EU2AA 12 апр 2019 10:18, всего редактировалось 1 раз.
									
			
													_________________
Владимир,
ex UC2CED, EU2CED, RC2CA, EU2CA
2019 год - https://observablehq.com/@eu2aa
2017 год - http://eu2aa.com
1992 год - http://eu2aa.qrz.ru
			
						Владимир,
ex UC2CED, EU2CED, RC2CA, EU2CA
2019 год - https://observablehq.com/@eu2aa
2017 год - http://eu2aa.com
1992 год - http://eu2aa.qrz.ru
- 
				
								Не в сети
 - Сообщения: 582
 - Зарегистрирован: 11 июл 2012 19:09
 - Откуда: Витебск
 - Контактная информация:
 
Re: Измерительные приборы
Владимир, у Вас замечательный прибор!! Может быть осталась лишняя печатная плата?? Полностью согласен, что без измерительных приборов на УКВ нечего делать. Давно на него целюсь, но пока кусается цена на AD8317:-) 
Сделал пока от RZ4HD ,там тоже взята за прототип конструкция OZ2CPU. Я сделал с 2 датчиками AD8307 и 8313. Для меня самая большая проблема, что "не к чему привязаться". Генератор Г4-176 врет как сивый мерин, поверку не проходил лет 10 и амплитуду уже не стабилизирует. В7-26 тоже не поверенный, еще и ремонтировалась головка. Измеряю выходную мощность им, но иногда не очень верю....Вобщем, проблема, что мало где есть поверенные ВЧ приборы. Одно хорошо у меня есть 10 и 20 дБ качественные аттенюаторы из какого - то ЗИПа и их затухание прибор показывает правильно....А вот с абсолютным значением в дБмВт проблемы...Но буду искать, может быть найду в городе хоть у кого-то генератор, которому можно верить. Может быть что-то подскажете, как откалибровать прибор в таких условиях??
 Мне пока больше 500 МГц и не нужно...ну а если вторым входом еще будет достаточно точно измерять на  1200 - 1300 МГц, то  это уже как приятный бонус.
C уважением, Виталий 73!!
			
			
									
													Сделал пока от RZ4HD ,там тоже взята за прототип конструкция OZ2CPU. Я сделал с 2 датчиками AD8307 и 8313. Для меня самая большая проблема, что "не к чему привязаться". Генератор Г4-176 врет как сивый мерин, поверку не проходил лет 10 и амплитуду уже не стабилизирует. В7-26 тоже не поверенный, еще и ремонтировалась головка. Измеряю выходную мощность им, но иногда не очень верю....Вобщем, проблема, что мало где есть поверенные ВЧ приборы. Одно хорошо у меня есть 10 и 20 дБ качественные аттенюаторы из какого - то ЗИПа и их затухание прибор показывает правильно....А вот с абсолютным значением в дБмВт проблемы...Но буду искать, может быть найду в городе хоть у кого-то генератор, которому можно верить. Может быть что-то подскажете, как откалибровать прибор в таких условиях??
C уважением, Виталий 73!!
_________________
73!!! Виталий (EW6D ex EW6BA)
			
						73!!! Виталий (EW6D ex EW6BA)
- 
				
								Не в сети
 - Site Admin
 - Сообщения: 905
 - Зарегистрирован: 06 июн 2014 17:31
 - Откуда: Молодечно
 - Контактная информация:
 
Цифровой индикатор мощности и КСВ до 3ГГц/6ГГц/10ГГц
*сработало ограничение, продолжаю в следующем сообщении
Файлы печатной платы в PCADe Прошивка
			
			
									
													Файлы печатной платы в PCADe Прошивка
_________________
Владимир,
ex UC2CED, EU2CED, RC2CA, EU2CA
2019 год - https://observablehq.com/@eu2aa
2017 год - http://eu2aa.com
1992 год - http://eu2aa.qrz.ru
			
						Владимир,
ex UC2CED, EU2CED, RC2CA, EU2CA
2019 год - https://observablehq.com/@eu2aa
2017 год - http://eu2aa.com
1992 год - http://eu2aa.qrz.ru
- 
				
								Не в сети
 - Site Admin
 - Сообщения: 905
 - Зарегистрирован: 06 июн 2014 17:31
 - Откуда: Молодечно
 - Контактная информация:
 
Re: Измерительные приборы
Виталий, плат индикатора не осталось.ew6ba писал(а):Владимир, Может быть осталась лишняя печатная плата?? Давно на него целюсь, но пока кусается цена на AD8317:-)
Плата индикатора односторонняя и сверхпростая.
Все дорожки хорошо видны.
AD8317 покупал на Альфе по 5$.
_________________
Владимир,
ex UC2CED, EU2CED, RC2CA, EU2CA
2019 год - https://observablehq.com/@eu2aa
2017 год - http://eu2aa.com
1992 год - http://eu2aa.qrz.ru
			
						Владимир,
ex UC2CED, EU2CED, RC2CA, EU2CA
2019 год - https://observablehq.com/@eu2aa
2017 год - http://eu2aa.com
1992 год - http://eu2aa.qrz.ru
- 
				
								Не в сети
 - Сообщения: 582
 - Зарегистрирован: 11 июл 2012 19:09
 - Откуда: Витебск
 - Контактная информация:
 
Re: Измерительные приборы
Увы, Альфа не работает с физ.лицами и только по безналу. Я когда-то пробовал. А в свободной продаже видел их на e-bay или на Aliexpress по 10 шт. лот за 50-55$EU2AA писал(а):AD8317 покупал на Альфе по 5$.ew6ba писал(а):Владимир, Может быть осталась лишняя печатная плата?? Давно на него целюсь, но пока кусается цена на AD8317:-)
Как нибудь куплю, вопрос времени, тогда повторю Вашу конструкцию. Мне пока бы хватило и AD8313, откалибровать бы только....
С уважением, Виталий 73!!!
_________________
73!!! Виталий (EW6D ex EW6BA)
			
						73!!! Виталий (EW6D ex EW6BA)
- 
				
								Не в сети
 - Site Admin
 - Сообщения: 905
 - Зарегистрирован: 06 июн 2014 17:31
 - Откуда: Молодечно
 - Контактная информация:
 
Re: Измерительные приборы
AD8317 нужно 1шт. на датчик, 2шт. на КСВ-мост.ew6ba писал(а):Увы, Альфа не работает с физ.лицами и только по безналу. Я когда-то пробовал. А в свободной продаже видел их на e-bay или на Aliexpress по 10 шт. лот за 50-55$
Как нибудь куплю, вопрос времени, тогда повторю Вашу конструкцию. Мне пока бы хватило и AD8313, откалибровать бы только....
С уважением, Виталий 73!!!
Так что 10 штук на троих может даже не хватить.
Калибровка и есть самый сложный процесс.
Затеваться на новом датчике я бы не стал.
* в конце приведу подробную Инструкцию, в т.ч. по калибровке.
_________________
Владимир,
ex UC2CED, EU2CED, RC2CA, EU2CA
2019 год - https://observablehq.com/@eu2aa
2017 год - http://eu2aa.com
1992 год - http://eu2aa.qrz.ru
			
						Владимир,
ex UC2CED, EU2CED, RC2CA, EU2CA
2019 год - https://observablehq.com/@eu2aa
2017 год - http://eu2aa.com
1992 год - http://eu2aa.qrz.ru
- 
				
								Не в сети
 - Сообщения: 102
 - Зарегистрирован: 01 июл 2013 17:52
 - Откуда: Molodechno
 
Re: Измерительные приборы
Если будете заказывать, могу стать вторым.ew6ba писал(а):Увы, Альфа не работает с физ.лицами и только по безналу. Я когда-то пробовал. А в свободной продаже видел их на e-bay или на Aliexpress по 10 шт. лот за 50-55$EU2AA писал(а):AD8317 покупал на Альфе по 5$.ew6ba писал(а):Владимир, Может быть осталась лишняя печатная плата?? Давно на него целюсь, но пока кусается цена на AD8317:-)
Как нибудь куплю, вопрос времени, тогда повторю Вашу конструкцию. Мне пока бы хватило и AD8313, откалибровать бы только....
С уважением, Виталий 73!!!
- 
				
								Не в сети
 - Site Admin
 - Сообщения: 905
 - Зарегистрирован: 06 июн 2014 17:31
 - Откуда: Молодечно
 - Контактная информация:
 
Датчики мощности до 4ГГц
Схема датчика простая и приведена в ad8317.pdf
Датчик до 4ГГц
Плата для него
Эскиз корпуса
			
			
									
													_________________
Владимир,
ex UC2CED, EU2CED, RC2CA, EU2CA
2019 год - https://observablehq.com/@eu2aa
2017 год - http://eu2aa.com
1992 год - http://eu2aa.qrz.ru
			
						Владимир,
ex UC2CED, EU2CED, RC2CA, EU2CA
2019 год - https://observablehq.com/@eu2aa
2017 год - http://eu2aa.com
1992 год - http://eu2aa.qrz.ru
- 
				
								Не в сети
 - Site Admin
 - Сообщения: 905
 - Зарегистрирован: 06 июн 2014 17:31
 - Откуда: Молодечно
 - Контактная информация:
 
Датчик мощности до 10ГГц
Датчик мощности до 10ГГц
Плата
Материал ROGER RO4350B-0.508мм
Корпус - отрезок латунной никелированной трубки
			
			
									
													Корпус - отрезок латунной никелированной трубки
_________________
Владимир,
ex UC2CED, EU2CED, RC2CA, EU2CA
2019 год - https://observablehq.com/@eu2aa
2017 год - http://eu2aa.com
1992 год - http://eu2aa.qrz.ru
			
						Владимир,
ex UC2CED, EU2CED, RC2CA, EU2CA
2019 год - https://observablehq.com/@eu2aa
2017 год - http://eu2aa.com
1992 год - http://eu2aa.qrz.ru
- 
				
								Не в сети
 - Site Admin
 - Сообщения: 905
 - Зарегистрирован: 06 июн 2014 17:31
 - Откуда: Молодечно
 - Контактная информация:
 
Еще фото датчиков
Еще фото датчиков
			
			
									
													_________________
Владимир,
ex UC2CED, EU2CED, RC2CA, EU2CA
2019 год - https://observablehq.com/@eu2aa
2017 год - http://eu2aa.com
1992 год - http://eu2aa.qrz.ru
			
						Владимир,
ex UC2CED, EU2CED, RC2CA, EU2CA
2019 год - https://observablehq.com/@eu2aa
2017 год - http://eu2aa.com
1992 год - http://eu2aa.qrz.ru
- 
				
								Не в сети
 - Сообщения: 102
 - Зарегистрирован: 01 июл 2013 17:52
 - Откуда: Molodechno
 
Re: Измерительные приборы
Владимир Ильич, а где схема КСВ моста?
			
			
									
																
						- 
				
								Не в сети
 - Site Admin
 - Сообщения: 905
 - Зарегистрирован: 06 июн 2014 17:31
 - Откуда: Молодечно
 - Контактная информация:
 
КСВ-мост до 12ГГц
КСВ-мост от 144МГц до 12ГГц.
Верхняя граница зависит от качества исполнения платы.
При "самтравках" получается от 5 до 9ГГц.
Материал - ROGER RO4350B. Разъемы SMA с четырьмя ушами.
У центрального штыря нужно спилить полдиаметра.
*центральный штырь каленый и норовит вращаться, поэтому его нужно зажать в тиски ТОЛЬКО ЗА КОНЕЦ самого штыря (куда паяется центральная жила кабеля).
Спилив надфилем полдиаметра на расстоянии 2-2,5мм, остаток, что в тисках, можно просто обломить.
Две втулки с резьбой - по ширине платы.Чтобы плату припаять к корпусам SMA - места пайки лучше заранее залудить.
GERBER-файл платы моста на Rogers RO4350B ROGER RO4350B 3,48 0,508mm 17/17um 10 x 22 mm
Список комплектации:
			
			
													Верхняя граница зависит от качества исполнения платы.
При "самтравках" получается от 5 до 9ГГц.
Материал - ROGER RO4350B. Разъемы SMA с четырьмя ушами.
У центрального штыря нужно спилить полдиаметра.
*центральный штырь каленый и норовит вращаться, поэтому его нужно зажать в тиски ТОЛЬКО ЗА КОНЕЦ самого штыря (куда паяется центральная жила кабеля).
Спилив надфилем полдиаметра на расстоянии 2-2,5мм, остаток, что в тисках, можно просто обломить.
Две втулки с резьбой - по ширине платы.Чтобы плату припаять к корпусам SMA - места пайки лучше заранее залудить.
GERBER-файл платы моста на Rogers RO4350B ROGER RO4350B 3,48 0,508mm 17/17um 10 x 22 mm
Список комплектации:
					Последний раз редактировалось EU2AA 29 мар 2019 15:31, всего редактировалось 1 раз.
									
			
													_________________
Владимир,
ex UC2CED, EU2CED, RC2CA, EU2CA
2019 год - https://observablehq.com/@eu2aa
2017 год - http://eu2aa.com
1992 год - http://eu2aa.qrz.ru
			
						Владимир,
ex UC2CED, EU2CED, RC2CA, EU2CA
2019 год - https://observablehq.com/@eu2aa
2017 год - http://eu2aa.com
1992 год - http://eu2aa.qrz.ru
- 
				
								Не в сети
 - Site Admin
 - Сообщения: 905
 - Зарегистрирован: 06 июн 2014 17:31
 - Откуда: Молодечно
 - Контактная информация:
 
КСВ-мост от 1 до 12ГГц.
Еще фото
Плата припаивается к корпусам SMA по заранее залуженным местам.
Плата очень тонкая, поэтому нужны две втулки с резьбой М2,5 или даже М2.
Их тоже нужно "прихватить" припоем к корпусам разъемов.
Важно также хорошо зафиксировать провода в трубке. Чтобы не вращались и не вырывались при длительной эксплуатации.
			
			
									
													Их тоже нужно "прихватить" припоем к корпусам разъемов.
Важно также хорошо зафиксировать провода в трубке. Чтобы не вращались и не вырывались при длительной эксплуатации.
_________________
Владимир,
ex UC2CED, EU2CED, RC2CA, EU2CA
2019 год - https://observablehq.com/@eu2aa
2017 год - http://eu2aa.com
1992 год - http://eu2aa.qrz.ru
			
						Владимир,
ex UC2CED, EU2CED, RC2CA, EU2CA
2019 год - https://observablehq.com/@eu2aa
2017 год - http://eu2aa.com
1992 год - http://eu2aa.qrz.ru
- 
				
								Не в сети
 - Site Admin
 - Сообщения: 905
 - Зарегистрирован: 06 июн 2014 17:31
 - Откуда: Молодечно
 - Контактная информация:
 
Re: Измерительные приборы
Платы 
КСВ-мосты без соединительного кабеля:
			
			
													
					Последний раз редактировалось EU2AA 29 авг 2014 19:45, всего редактировалось 1 раз.
									
			
													_________________
Владимир,
ex UC2CED, EU2CED, RC2CA, EU2CA
2019 год - https://observablehq.com/@eu2aa
2017 год - http://eu2aa.com
1992 год - http://eu2aa.qrz.ru
			
						Владимир,
ex UC2CED, EU2CED, RC2CA, EU2CA
2019 год - https://observablehq.com/@eu2aa
2017 год - http://eu2aa.com
1992 год - http://eu2aa.qrz.ru
- 
				
								Не в сети
 - Site Admin
 - Сообщения: 905
 - Зарегистрирован: 06 июн 2014 17:31
 - Откуда: Молодечно
 - Контактная информация:
 
КСВ-мост от 50 до 1000МГц
Вчера обмерял НИЗКОЧАСТОТНЫЙ КСВ-мост от 50 до 1000МГц.
Проверен эталонной нагрузкой в диапазоне от 50МГц до 1000МГц.
КСВ не хуже 1,1. Вполне приемлемый результат.
На частотах до 1,5ГГц показал КСВ=1,43 при фактическом КСВ эталонной нагрузки=1,08.
			
			
									
													Проверен эталонной нагрузкой в диапазоне от 50МГц до 1000МГц.
КСВ не хуже 1,1. Вполне приемлемый результат.
На частотах до 1,5ГГц показал КСВ=1,43 при фактическом КСВ эталонной нагрузки=1,08.
_________________
Владимир,
ex UC2CED, EU2CED, RC2CA, EU2CA
2019 год - https://observablehq.com/@eu2aa
2017 год - http://eu2aa.com
1992 год - http://eu2aa.qrz.ru
			
						Владимир,
ex UC2CED, EU2CED, RC2CA, EU2CA
2019 год - https://observablehq.com/@eu2aa
2017 год - http://eu2aa.com
1992 год - http://eu2aa.qrz.ru
- 
				
								Не в сети
 - Site Admin
 - Сообщения: 905
 - Зарегистрирован: 06 июн 2014 17:31
 - Откуда: Молодечно
 - Контактная информация:
 
Подготовка SMA
Подготовка SMA
1 – SMA-BJ2. 
2 – зажимаем в маленькие тиски за кончик центрального вывода и спиливаем полдиаметра.
На фото №3 хорошо видно участок 2,5-3мм.
3 – ранее зажатый участок обламываем. Центральный штырь залуживаем, но припой удаляем салфеткой, чтобы было хорошее прилегание к плате.
Поверхность корпуса SMA-BJ2 нужно предварительно залудить. Тогда плата и пара резьбовых втулок припаяются без перегрева.
4 – флюс, для лужения никелированной поверхности, продается на Лебяжьем. После лужения разъем полезно отмыть в проточной горячей воде.
5 – для КСВ-моста диапазона 50-1000МГц можно применить байонетные разъемы BNC с плоским фланцем.
Лучше применять такой, как на фото. С резьбовым будут проблемы соединения платы с корпусом.
			
			
									
													2 – зажимаем в маленькие тиски за кончик центрального вывода и спиливаем полдиаметра.
На фото №3 хорошо видно участок 2,5-3мм.
3 – ранее зажатый участок обламываем. Центральный штырь залуживаем, но припой удаляем салфеткой, чтобы было хорошее прилегание к плате.
Поверхность корпуса SMA-BJ2 нужно предварительно залудить. Тогда плата и пара резьбовых втулок припаяются без перегрева.
4 – флюс, для лужения никелированной поверхности, продается на Лебяжьем. После лужения разъем полезно отмыть в проточной горячей воде.
5 – для КСВ-моста диапазона 50-1000МГц можно применить байонетные разъемы BNC с плоским фланцем.
Лучше применять такой, как на фото. С резьбовым будут проблемы соединения платы с корпусом.
_________________
Владимир,
ex UC2CED, EU2CED, RC2CA, EU2CA
2019 год - https://observablehq.com/@eu2aa
2017 год - http://eu2aa.com
1992 год - http://eu2aa.qrz.ru
			
						Владимир,
ex UC2CED, EU2CED, RC2CA, EU2CA
2019 год - https://observablehq.com/@eu2aa
2017 год - http://eu2aa.com
1992 год - http://eu2aa.qrz.ru
- 
				
								Не в сети
 - Site Admin
 - Сообщения: 905
 - Зарегистрирован: 06 июн 2014 17:31
 - Откуда: Молодечно
 - Контактная информация:
 
Эталон нагрузки 50 Ом
Эталон нагрузки 50 Ом
Позволяет быстро проверить исправность КСВ-моста. 1 – профессиональная нагрузка, 50 Ом, 0,1Вт, до 18ГГц, презент EW1AA.
2 – угловой разъем SMA- . Рекомендую использовать для изготовления самодельного эталона нагрузки. Центральный штырь углового SMA закреплен жестко. Тиски и ножовка - и получаем заготовку для пп.3 и 4.
Внимание! Центральный штырь каленый, нужно новое, неизношенное полотно.
Использовать ПРЯМОЙ SMA – категорически не рекомендую!
Центральный штырь ПОДВИЖНЫЙ и сломает пару резисторов при первом-втором измерении!!
3, 4 – самодельный эталон нагрузки.
Два резистора RC0603-100 Ом.
			
			
									
													Позволяет быстро проверить исправность КСВ-моста. 1 – профессиональная нагрузка, 50 Ом, 0,1Вт, до 18ГГц, презент EW1AA.
2 – угловой разъем SMA- . Рекомендую использовать для изготовления самодельного эталона нагрузки. Центральный штырь углового SMA закреплен жестко. Тиски и ножовка - и получаем заготовку для пп.3 и 4.
Внимание! Центральный штырь каленый, нужно новое, неизношенное полотно.
Использовать ПРЯМОЙ SMA – категорически не рекомендую!
Центральный штырь ПОДВИЖНЫЙ и сломает пару резисторов при первом-втором измерении!!
3, 4 – самодельный эталон нагрузки.
Два резистора RC0603-100 Ом.
_________________
Владимир,
ex UC2CED, EU2CED, RC2CA, EU2CA
2019 год - https://observablehq.com/@eu2aa
2017 год - http://eu2aa.com
1992 год - http://eu2aa.qrz.ru
			
						Владимир,
ex UC2CED, EU2CED, RC2CA, EU2CA
2019 год - https://observablehq.com/@eu2aa
2017 год - http://eu2aa.com
1992 год - http://eu2aa.qrz.ru
- 
				
								Не в сети
 - Site Admin
 - Сообщения: 905
 - Зарегистрирован: 06 июн 2014 17:31
 - Откуда: Молодечно
 - Контактная информация:
 
Платы
Платы
Платы на СВЧ-материалах можно изготовить по ЛУТ-технологии. Лазерно-Утюжная Технология.
Заказать СВЧ-платы мне нигде не удалось, с СВЧ-материалами не работает даже РЕЗОНИТ в Москве.
Платы датчиков, аттенюаторов, КСВ-мостов и индикатора разведены в PCAD2006 и заархивированы в одном файле Platy.zip. В установках слоя ТОР включено ЗЕРКАЛЬНОЕ отображение, поэтому распечатать рисунок можно из под просмотрщика, например, P-CAD 2006 Viewer v.19.02.9660.
Следует распечатывать на принтере именно слой ТОР для СВЧ-плат.
Для платы Индикатора распечатывать следует слой ВОТ. Для слоя ВОТ платы индикатора также включено ЗЕРКАЛЬНОЕ отображение.
Бесплатная программа для просмотра документов, созданных в P-CAD.
http://soft.sibnet.ru/soft/16983-p-cad- ... 9-02-9660/
Размер файла: 9,7Mb
*загрузить P-CAD 2006 Viewer v.19.02.9660 сюда, на QRZ.BY, мне не удалось, наверно, слишком большой размер*...
Так что можно пользоваться совершенно легально.
*если кому нужно, сделаю GERBERы.
			
			
													Платы на СВЧ-материалах можно изготовить по ЛУТ-технологии. Лазерно-Утюжная Технология.
Заказать СВЧ-платы мне нигде не удалось, с СВЧ-материалами не работает даже РЕЗОНИТ в Москве.
Платы датчиков, аттенюаторов, КСВ-мостов и индикатора разведены в PCAD2006 и заархивированы в одном файле Platy.zip. В установках слоя ТОР включено ЗЕРКАЛЬНОЕ отображение, поэтому распечатать рисунок можно из под просмотрщика, например, P-CAD 2006 Viewer v.19.02.9660.
Следует распечатывать на принтере именно слой ТОР для СВЧ-плат.
Для платы Индикатора распечатывать следует слой ВОТ. Для слоя ВОТ платы индикатора также включено ЗЕРКАЛЬНОЕ отображение.
Бесплатная программа для просмотра документов, созданных в P-CAD.
http://soft.sibnet.ru/soft/16983-p-cad- ... 9-02-9660/
Размер файла: 9,7Mb
*загрузить P-CAD 2006 Viewer v.19.02.9660 сюда, на QRZ.BY, мне не удалось, наверно, слишком большой размер*...
Так что можно пользоваться совершенно легально.
*если кому нужно, сделаю GERBERы.
					Последний раз редактировалось EU2AA 28 ноя 2019 13:14, всего редактировалось 1 раз.
									
			
													_________________
Владимир,
ex UC2CED, EU2CED, RC2CA, EU2CA
2019 год - https://observablehq.com/@eu2aa
2017 год - http://eu2aa.com
1992 год - http://eu2aa.qrz.ru
			
						Владимир,
ex UC2CED, EU2CED, RC2CA, EU2CA
2019 год - https://observablehq.com/@eu2aa
2017 год - http://eu2aa.com
1992 год - http://eu2aa.qrz.ru
- 
				
								Не в сети
 - Сообщения: 102
 - Зарегистрирован: 01 июл 2013 17:52
 - Откуда: Molodechno
 
Re: Платы
Спасибо.
			
			
									
																
						EU2AA писал(а):Платы
Платы на СВЧ-материалах можно изготовить по ЛУТ-технологии. Лазерно-Утюжная Технология.
Заказать СВЧ-платы мне нигде не удалось, с СВЧ-материалами не работает даже РЕЗОНИТ в Москве.
Платы датчиков, аттенюаторов, КСВ-мостов и индикатора разведены в PCAD2006 и заархивированы в одном файле Platy.zip. В установках слоя ТОР включено ЗЕРКАЛЬНОЕ отображение, поэтому распечатать рисунок можно из под просмотрщика, например, P-CAD 2006 Viewer v.19.02.9660.
Следует распечатывать на принтере именно слой ТОР для СВЧ-плат.
Для платы Индикатора распечатывать следует слой ВОТ. Для слоя ВОТ платы индикатора также включено ЗЕРКАЛЬНОЕ отображение.
Бесплатная программа для просмотра документов, созданных в P-CAD.
http://soft.sibnet.ru/soft/16983-p-cad- ... 9-02-9660/
Размер файла: 9,7Mb
*загрузить P-CAD 2006 Viewer v.19.02.9660 сюда, на QRZ.BY, мне не удалось, наверно, слишком большой размер*...
Так что можно пользоваться совершенно легально.
- 
				
								Не в сети
 - Site Admin
 - Сообщения: 905
 - Зарегистрирован: 06 июн 2014 17:31
 - Откуда: Молодечно
 - Контактная информация:
 
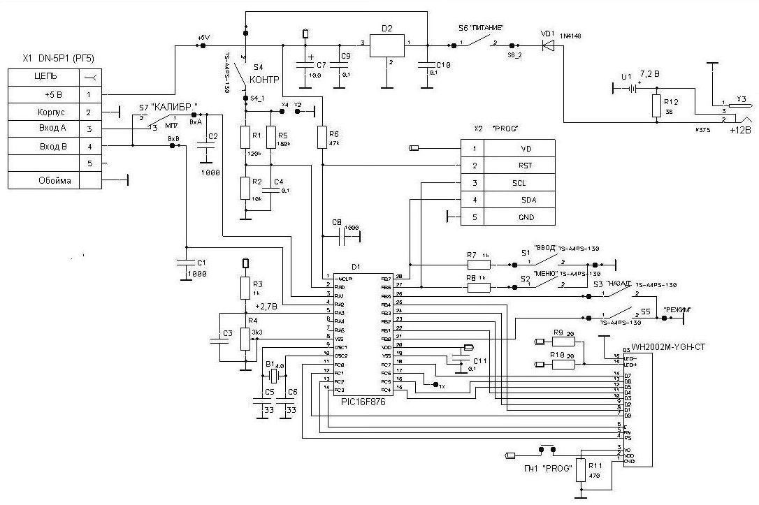
Инструкция по программированию и регулировке милливаттметра
Инструкция по программированию и регулировке милливаттметра.
Программирование милливаттметра производится при выключенном питании. На время программирования необходимо снять перемычку ПЧ1 (опорное напряжение на вывод 5/D1), иначе программатор просто будет перегружен.
1.Пример программирования с использованием программы IC-Prog.
Соедините милливаттметр с программатором. На рис.1 показано главное окно IC-Prog, в соответствии с ним сделайте все установки. - выберите тип процессора, PIC16F876;
- откройте файл данных wh2.hex 42,2КиБ 25.07.06 08.32, команда меню File / Open File;
- сотрите процессор, команда меню Command / Erase All;
- запрограммируйте процессор, команда меню Command / Program All, либо клавиша F5). Время программирования ~2 минуты. Во время прогр. мышь и клавиатуру не трогать. В процессе программирования возможен сбой, появится диалоговое окно как на рисунке. В этом случае просто закройте данное диалоговое окно, данные запрограммированы успешно. Если же ошибка возникла на другом адресе, сотрите и заново запрограммируйте процессор.
- запрограммируйте слово конфигурации, команда Command / Program Config, либо клавиша F4). Время программирования 3 секунды.
Для чтения данных выполните команду меню Command / Read All. В программе существует возможность сравнения содержимого различных буферов между собой по содержимому. Данную особенность программы удобно использовать для проверки успешной записи данных в процессор. Для этого необходимо, чтобы данные, которые записывались в процессор и данные, которые были прочитаны из процессора, находились в разных буферах. Переключаться между буферами можно при помощи команды главного меню Buffer / Active Buffer / Buffer 1-5 либо выбором соответствующей закладки в главном окне программы. Чтобы сравнить содержимое активного буфера с содержимым какого-либо другого буфера, выполните команду Buffer / Compare. В появившемся диалоговом окне (см. рисунок 3) выберите необходимый буфер для сравнения и нажмите кнопку Compare.
*есть много других программ для программирования PIC16F876.
2.Регулировка
2.1 Восстановите перемычку ПЧ1 (+5В на ЖКИ).
2.2 Без аккумулятора, подайте +8В. Ток потребления должен быть около 100мА.
2.3 Подстроечным резистором R4 выставьте на выводе 5/D1 напряжение +2,64В.
2.4 Подайте на Датчик мощности 100МГц – 02dBV (0dBm) от генератора Г4-107 через внешний аттенюатор 10dB №1 и нажмите «Меню/Режим 1/Ввод».
2.5 Подайте на Датчик мощности 100МГц от генератора Г4-107 через внешний аттенюатор 10dB №1, уровнем 02dBV (0dBm), перейдите в HF в режим 10 (КАЛИБРОВКА) и нажмите ВВОД.
2.5 Откалибруйте на частоте 100МГц по Е4402В ступенчатый аттенюатор Г4-107 при 02dBV (0dBm), 12dBV (-10dBm), 22dBV (-20dBm), 32dBV (-30dBm), 42dBV (-40dBm) и запишите фактические значения.
2.6 Измерьте наклон амплитудной характеристики при тех же уровнях, который не должен отличаться от характеристики по п.2.5 более, чем на 0,3dB. Подстраивая при необходимости R4, повторяйте операцию несколько раз.
2.7 Возвратитесь в режим 1 и на частоте 100МГц откалибруйте малые шаги коррекции калибровки ваттметра:
в LF - через внешний аттенюатор 6dB №1, уровнем 02dBV (+4dBm);
в HF - через внешний аттенюатор 10dB №1, уровнем 02dBV (0dBm);
в VHF - через внешний аттенюатор 10dB №1, уровнем 06dBV (-4dBm);
в UHF - через внешний аттенюатор 10dB №1, уровнем 10dBV (-8dBm);
в SHF - через внешний аттенюатор 10dB №1, уровнем 14dBV (-10dBm).
2.8 Проверьте малые шаги коррекции калибровки, которые, при входном уровне 02dBV (0dBm) от генератора Г4-107 через внешний аттенюатор 10dB №1 должны быть примерно равны:
в LF - -1,7dB;
в HF - 0dB;
в VHF - +2,5dB;
в UHF - +4,2dB;
в SHF - +6,2dB.
2.9 Снимите АЧХ датчика.
2.10 Снимите АЧХ датчика+аттенюатора 20dB.
2.11 Снимите АЧХ датчика+аттенюатора 20dB+ЭНС.
2.12 Заполните в таблицу 1 РЭ данные частотных поправок.
*инструкция одним файлом -
			
			
													Программирование милливаттметра производится при выключенном питании. На время программирования необходимо снять перемычку ПЧ1 (опорное напряжение на вывод 5/D1), иначе программатор просто будет перегружен.
1.Пример программирования с использованием программы IC-Prog.
Соедините милливаттметр с программатором. На рис.1 показано главное окно IC-Prog, в соответствии с ним сделайте все установки. - выберите тип процессора, PIC16F876;
- откройте файл данных wh2.hex 42,2КиБ 25.07.06 08.32, команда меню File / Open File;
- сотрите процессор, команда меню Command / Erase All;
- запрограммируйте процессор, команда меню Command / Program All, либо клавиша F5). Время программирования ~2 минуты. Во время прогр. мышь и клавиатуру не трогать. В процессе программирования возможен сбой, появится диалоговое окно как на рисунке. В этом случае просто закройте данное диалоговое окно, данные запрограммированы успешно. Если же ошибка возникла на другом адресе, сотрите и заново запрограммируйте процессор.
- запрограммируйте слово конфигурации, команда Command / Program Config, либо клавиша F4). Время программирования 3 секунды.
Для чтения данных выполните команду меню Command / Read All. В программе существует возможность сравнения содержимого различных буферов между собой по содержимому. Данную особенность программы удобно использовать для проверки успешной записи данных в процессор. Для этого необходимо, чтобы данные, которые записывались в процессор и данные, которые были прочитаны из процессора, находились в разных буферах. Переключаться между буферами можно при помощи команды главного меню Buffer / Active Buffer / Buffer 1-5 либо выбором соответствующей закладки в главном окне программы. Чтобы сравнить содержимое активного буфера с содержимым какого-либо другого буфера, выполните команду Buffer / Compare. В появившемся диалоговом окне (см. рисунок 3) выберите необходимый буфер для сравнения и нажмите кнопку Compare.
*есть много других программ для программирования PIC16F876.
2.Регулировка
2.1 Восстановите перемычку ПЧ1 (+5В на ЖКИ).
2.2 Без аккумулятора, подайте +8В. Ток потребления должен быть около 100мА.
2.3 Подстроечным резистором R4 выставьте на выводе 5/D1 напряжение +2,64В.
2.4 Подайте на Датчик мощности 100МГц – 02dBV (0dBm) от генератора Г4-107 через внешний аттенюатор 10dB №1 и нажмите «Меню/Режим 1/Ввод».
2.5 Подайте на Датчик мощности 100МГц от генератора Г4-107 через внешний аттенюатор 10dB №1, уровнем 02dBV (0dBm), перейдите в HF в режим 10 (КАЛИБРОВКА) и нажмите ВВОД.
2.5 Откалибруйте на частоте 100МГц по Е4402В ступенчатый аттенюатор Г4-107 при 02dBV (0dBm), 12dBV (-10dBm), 22dBV (-20dBm), 32dBV (-30dBm), 42dBV (-40dBm) и запишите фактические значения.
2.6 Измерьте наклон амплитудной характеристики при тех же уровнях, который не должен отличаться от характеристики по п.2.5 более, чем на 0,3dB. Подстраивая при необходимости R4, повторяйте операцию несколько раз.
2.7 Возвратитесь в режим 1 и на частоте 100МГц откалибруйте малые шаги коррекции калибровки ваттметра:
в LF - через внешний аттенюатор 6dB №1, уровнем 02dBV (+4dBm);
в HF - через внешний аттенюатор 10dB №1, уровнем 02dBV (0dBm);
в VHF - через внешний аттенюатор 10dB №1, уровнем 06dBV (-4dBm);
в UHF - через внешний аттенюатор 10dB №1, уровнем 10dBV (-8dBm);
в SHF - через внешний аттенюатор 10dB №1, уровнем 14dBV (-10dBm).
2.8 Проверьте малые шаги коррекции калибровки, которые, при входном уровне 02dBV (0dBm) от генератора Г4-107 через внешний аттенюатор 10dB №1 должны быть примерно равны:
в LF - -1,7dB;
в HF - 0dB;
в VHF - +2,5dB;
в UHF - +4,2dB;
в SHF - +6,2dB.
2.9 Снимите АЧХ датчика.
2.10 Снимите АЧХ датчика+аттенюатора 20dB.
2.11 Снимите АЧХ датчика+аттенюатора 20dB+ЭНС.
2.12 Заполните в таблицу 1 РЭ данные частотных поправок.
*инструкция одним файлом -
					Последний раз редактировалось EU2AA 11 дек 2019 10:58, всего редактировалось 1 раз.
									
			
													_________________
Владимир,
ex UC2CED, EU2CED, RC2CA, EU2CA
2019 год - https://observablehq.com/@eu2aa
2017 год - http://eu2aa.com
1992 год - http://eu2aa.qrz.ru
			
						Владимир,
ex UC2CED, EU2CED, RC2CA, EU2CA
2019 год - https://observablehq.com/@eu2aa
2017 год - http://eu2aa.com
1992 год - http://eu2aa.qrz.ru
- 
				
								Не в сети
 - Site Admin
 - Сообщения: 905
 - Зарегистрирован: 06 июн 2014 17:31
 - Откуда: Молодечно
 - Контактная информация:
 
Re: Измерительные приборы
_________________
Владимир,
ex UC2CED, EU2CED, RC2CA, EU2CA
2019 год - https://observablehq.com/@eu2aa
2017 год - http://eu2aa.com
1992 год - http://eu2aa.qrz.ru
			
						Владимир,
ex UC2CED, EU2CED, RC2CA, EU2CA
2019 год - https://observablehq.com/@eu2aa
2017 год - http://eu2aa.com
1992 год - http://eu2aa.qrz.ru
- 
				
								Не в сети
 - Site Admin
 - Сообщения: 905
 - Зарегистрирован: 06 июн 2014 17:31
 - Откуда: Молодечно
 - Контактная информация:
 
Re: Цифровой индикатор мощности и КСВ
После проверки КСВ-моста 144МГц-12ГГц навинтить две половинки корпуса, сделанные вот по этому эскизу:
со стороны генератора полезно навинтить аттенюатор 10 или 20db, что повысит точность измерений:
			
			
									
													_________________
Владимир,
ex UC2CED, EU2CED, RC2CA, EU2CA
2019 год - https://observablehq.com/@eu2aa
2017 год - http://eu2aa.com
1992 год - http://eu2aa.qrz.ru
			
						Владимир,
ex UC2CED, EU2CED, RC2CA, EU2CA
2019 год - https://observablehq.com/@eu2aa
2017 год - http://eu2aa.com
1992 год - http://eu2aa.qrz.ru
- 
				
								Не в сети
 - Site Admin
 - Сообщения: 905
 - Зарегистрирован: 06 июн 2014 17:31
 - Откуда: Молодечно
 - Контактная информация:
 
Re: Измерительные приборы
[quote="ew6ba"]Владимир, у Вас замечательный прибор!! Может быть осталась лишняя печатная плата?? /quote]
Виталий,
пришли 14 плат индикатора на FR4
и 10 штук плат индикатора на Roger,
кто будет делать, поделюсь.
			
			
									
													Виталий,
пришли 14 плат индикатора на FR4
и 10 штук плат индикатора на Roger,
кто будет делать, поделюсь.
_________________
Владимир,
ex UC2CED, EU2CED, RC2CA, EU2CA
2019 год - https://observablehq.com/@eu2aa
2017 год - http://eu2aa.com
1992 год - http://eu2aa.qrz.ru
			
						Владимир,
ex UC2CED, EU2CED, RC2CA, EU2CA
2019 год - https://observablehq.com/@eu2aa
2017 год - http://eu2aa.com
1992 год - http://eu2aa.qrz.ru
- 
				
								Не в сети
 - Site Admin
 - Сообщения: 905
 - Зарегистрирован: 06 июн 2014 17:31
 - Откуда: Молодечно
 - Контактная информация:
 
Индикатор мощности на ОДНОЙ микросхеме
Сборка индикаторных плат.
Отрезаем от края две узкие платы, по обозначенным габаритам. ЖКИ отогнул, чтобы лучше рассмотреть монтаж. Колонки высотой 18мм и 5мм соответственно.
Провода распаиваем заранее
			
			
									
													Отрезаем от края две узкие платы, по обозначенным габаритам. ЖКИ отогнул, чтобы лучше рассмотреть монтаж. Колонки высотой 18мм и 5мм соответственно.
Провода распаиваем заранее
_________________
Владимир,
ex UC2CED, EU2CED, RC2CA, EU2CA
2019 год - https://observablehq.com/@eu2aa
2017 год - http://eu2aa.com
1992 год - http://eu2aa.qrz.ru
			
						Владимир,
ex UC2CED, EU2CED, RC2CA, EU2CA
2019 год - https://observablehq.com/@eu2aa
2017 год - http://eu2aa.com
1992 год - http://eu2aa.qrz.ru