Помогите опознать транзистор.
- Автор
- Сообщение
-
Не в сети
- Сообщения: 154
- Зарегистрирован: 31 мар 2015 11:10
- Откуда: Витебск
- Контактная информация:
Помогите опознать транзистор.
Очень нужно установить что за деталь NKF1
Великий и могучий Гугл не дал мне ответ на этот вопрос.
Великий и могучий Гугл не дал мне ответ на этот вопрос.
-
Не в сети
- Сообщения: 154
- Зарегистрирован: 31 мар 2015 11:10
- Откуда: Витебск
- Контактная информация:
Re: Помогите опознать транзистор.
Очень-очень нужно узнать что это такое, пожалуйста помогите.
-
Не в сети
- Сообщения: 459
- Зарегистрирован: 21 июл 2012 09:31
Re: Помогите опознать транзистор.
гуглить схему девайса-а там узнаешь , кто такой Q22android писал(а):Очень-очень нужно узнать что это такое, пожалуйста помогите.
73
_________________
73! Виктор
73! Виктор
-
Не в сети
- Сообщения: 154
- Зарегистрирован: 31 мар 2015 11:10
- Откуда: Витебск
- Контактная информация:
Re: Помогите опознать транзистор.
ГУГЛИЛ....EU3AA писал(а):гуглить схему девайса-а там узнаешь , кто такой Q22android писал(а):Очень-очень нужно узнать что это такое, пожалуйста помогите.
73
Не надо надо мной смеяться. Это материнка Asrock K8NF6G-VSTA.
Если вы видели хоть одну принципиальную схему материнской платы в интернете... удивите меня.
-
Не в сети
- Сообщения: 140
- Зарегистрирован: 07 янв 2014 10:38
Re: Помогите опознать транзистор.
http://www.ic-smd.com/sot23.asp?g=7429&s=NKF1
осталось найти переводчика :)
осталось найти переводчика :)
-
Не в сети
- Сообщения: 154
- Зарегистрирован: 31 мар 2015 11:10
- Откуда: Витебск
- Контактная информация:
Re: Помогите опознать транзистор.
Я это уже виделEW8AP писал(а):http://www.ic-smd.com/sot23.asp?g=7429&s=NKF1
Там ничего не открывается и не показывает. Я переводил
Модели: ALT7429NKTR
Предложение: Никаких предложений, пожалуйста, свяжитесь с отделом продаж, спасибо шт / катушки
Характер: NKF1
Пакет: SMD 3 фута
Серийный номер: полный пакет MOQ
Доставка: Пожалуйста, подтвердите продаж
Доставка: от упоминания или оплаты и доставки, заказ авансовый платеж
NKF1 ФПВ:
ИСКАЛ по модели.....
ALT7429NKTR
По вашему запросу ничего не нашлось
-
Не в сети
- Сообщения: 154
- Зарегистрирован: 31 мар 2015 11:10
- Откуда: Витебск
- Контактная информация:
Re: Помогите опознать транзистор.
Заинтересовал перевод с китайского
ALT7429NKTR (NKF1 - HC1-3 - FET)
FET- если я не путаю, это полевой транзистор?
ALT7429NKTR (NKF1 - HC1-3 - FET)
FET- если я не путаю, это полевой транзистор?
-
Не в сети
- Сообщения: 148
- Зарегистрирован: 07 июл 2009 19:58
Re: Помогите опознать транзистор.
Q - значит транзистор
Далее прозвонка поможет, варианты - полевой, биполяр, биполяр с внутренними резисторами. Многое можно узнать по внешним цепям - срисуйте часть схемы.
Далее прозвонка поможет, варианты - полевой, биполяр, биполяр с внутренними резисторами. Многое можно узнать по внешним цепям - срисуйте часть схемы.
_________________
Belka
Belka
-
Не в сети
- Сообщения: 154
- Зарегистрирован: 31 мар 2015 11:10
- Откуда: Витебск
- Контактная информация:
Re: Помогите опознать транзистор.
Цепи не вижу...мелко и непонятно.EU1ME писал(а):Q - значит транзистор
Далее прозвонка поможет, варианты - полевой, биполяр, биполяр с внутренними резисторами. Многое можно узнать по внешним цепям - срисуйте часть схемы.
Звонится только между 3-й и 2-ой ногой в одну сторону 600 Ом ПЛЮСОМ на 3-ю ножку.
Проверил по 2 другим транзисторам, звонятся одинаково.
Какие будут мысли?
Последний раз редактировалось android 27 окт 2015 19:53, всего редактировалось 1 раз.
-
Не в сети
- Сообщения: 154
- Зарегистрирован: 31 мар 2015 11:10
- Откуда: Витебск
- Контактная информация:
Re: Помогите опознать транзистор.
я чего это все затеял?
Мне нужны 4 мелких полевых высокочастотных транзистора с изолированным затвором.
Мне нужны 4 мелких полевых высокочастотных транзистора с изолированным затвором.
-
Не в сети
- Сообщения: 154
- Зарегистрирован: 31 мар 2015 11:10
- Откуда: Витебск
- Контактная информация:
Re: Помогите опознать транзистор.
Я их выпаял феном, звонятся так же... между 3 и 2 ногой, плюс на 3-ю.
ВСЁ...мысли кончились.
ВСЁ...мысли кончились.
-
Не в сети
- Сообщения: 154
- Зарегистрирован: 31 мар 2015 11:10
- Откуда: Витебск
- Контактная информация:
Re: Помогите опознать транзистор.
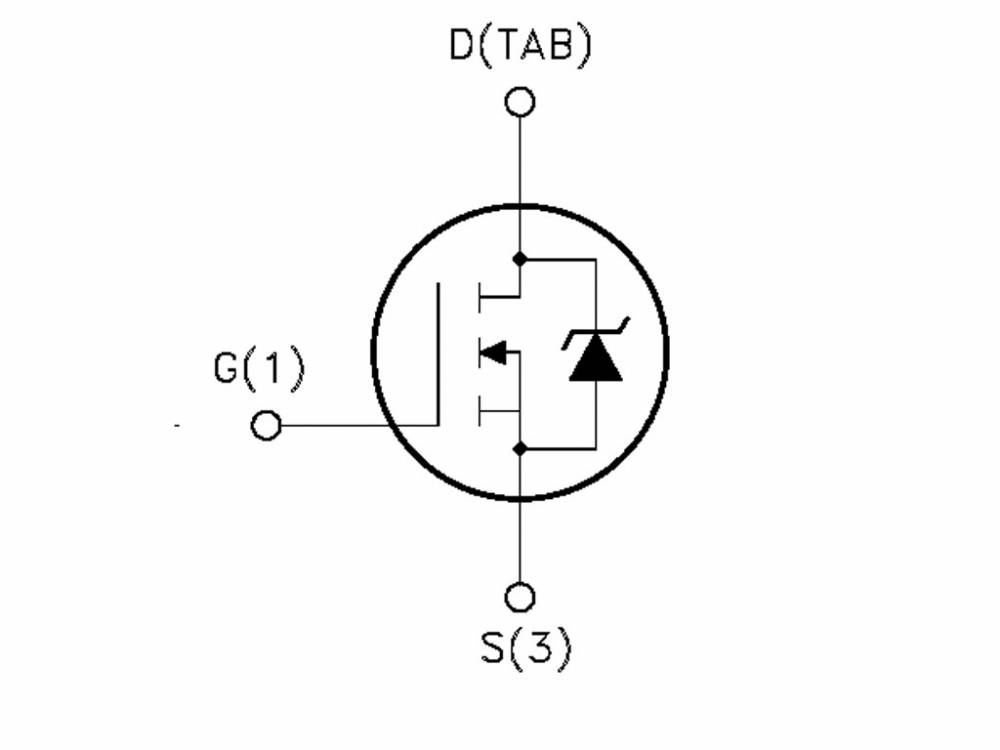
Предположим что это полевой транзистор
Если между S (истоком) и D (стоком) звонится диод, то почему не звонится Исток и Сток в обратном направлении???
Обычный N-канальный мосфет звонится между стоком и истоком если зарядить затвор положительно, а этот молчит гад.
Если между S (истоком) и D (стоком) звонится диод, то почему не звонится Исток и Сток в обратном направлении???
Обычный N-канальный мосфет звонится между стоком и истоком если зарядить затвор положительно, а этот молчит гад.
Последний раз редактировалось android 28 окт 2015 09:06, всего редактировалось 2 раза.
-
Не в сети
- Сообщения: 154
- Зарегистрирован: 31 мар 2015 11:10
- Откуда: Витебск
- Контактная информация:
Re: Помогите опознать транзистор.
Да я уверен на 90% что это N-канальный полевой транзистор c изолированным затворм.
Вопрос заключается в том, что будет ли он работать на частоте 200 мГц ???
Слишком трудно их запаивать, что бы убедиться в ошибке...
выпаять легче.
Вопрос заключается в том, что будет ли он работать на частоте 200 мГц ???
Слишком трудно их запаивать, что бы убедиться в ошибке...
-
Не в сети
- Сообщения: 78
- Зарегистрирован: 23 апр 2013 20:44
Re: Помогите опознать транзистор.
_________________
73! EU1CC
73! EU1CC
-
Не в сети
- Сообщения: 154
- Зарегистрирован: 31 мар 2015 11:10
- Откуда: Витебск
- Контактная информация:
Re: Помогите опознать транзистор.
Спасибо добрый человек, почти похожеDimaS писал(а):http://artchipsemi.com/datasheet/ALM1019.pdf