всё о гу-81
- Автор
- Сообщение
-
Не в сети
- Сообщения: 72
- Зарегистрирован: 22 ноя 2013 20:53
всё о гу-81
кто что посоветует расскажет или поделится опытом в построении ум на гу-81
начиная от бп и заканчивая П контуром
начиная от бп и заканчивая П контуром
-
Не в сети
- Сообщения: 666
- Зарегистрирован: 05 мар 2014 19:28
Re: всё о гу-81
Гомельские радиолюбители уважают эту лампу)
-
Не в сети
- Сообщения: 72
- Зарегистрирован: 22 ноя 2013 20:53
Re: всё о гу-81
это понятно но я хотел бы узнать подробнее на сколько вы её уважаетеeu6ml писал(а):Гомельские радиолюбители уважают эту лампу)
-
Не в сети
- Сообщения: 666
- Зарегистрирован: 05 мар 2014 19:28
Re: всё о гу-81
Когда то стоял перед выбором на чем собирать усилитель. Эта лампа импонировала. Изучив все нюансы понял что есть лампы лучше, однако это уже требует финансовых затрат. Смысл лампы, что она неприхотливая и дешевая. Если бы сейчас стала задача собрать усилитель с нуля не стал бы применять эту лампу, Гу -74 еще продаются по хорошим ценам. Из рекомендаций могу сказать так - купите р-140 блок усилителя и анодный транс от него, сейчас в России продают не дорого, стабилизаторы сеток соберете сами))) Сразу стартанете с 1.5 квт на гу-43, и получите хороший конструктор, который если нужно выдержит 2 гу 78.
-
Не в сети
- Сообщения: 72
- Зарегистрирован: 22 ноя 2013 20:53
Re: всё о гу-81
(Смысл лампы, что она неприхотливая и дешевая. ) Это и привлекает. За киловатами не гонюсь но у этой стекляшки есть свои плюсы и минусы . И хотел бы узнать по больше про её .
-
Не в сети
- Сообщения: 271
- Зарегистрирован: 08 дек 2013 17:59
- Откуда: Гомель
Re: всё о гу-81
Минусы: Сильно прожорливая по накалу 10А, большие габариты, малая крутизна.
Плюсы: Высокий КПД по аноду, очень выносливая, обдувать принудительно не надо, зимой хорошая печка.
Был у меня усилитель на такой лампе, качал в катод ГУ-29 почти киловатт снимал.
Хорошая и дешевая лампа.
У все остальных ГУ-36Б
Плюсы: Высокий КПД по аноду, очень выносливая, обдувать принудительно не надо, зимой хорошая печка.
Был у меня усилитель на такой лампе, качал в катод ГУ-29 почти киловатт снимал.
Хорошая и дешевая лампа.
Знаю только одного радиолюбителя, кто на этой лампе работает, из всей области.Гомельские радиолюбители уважают эту лампу)
У все остальных ГУ-36Б
_________________
Виктор EW8B (ex EW8BT; UC2OIQ)
Виктор EW8B (ex EW8BT; UC2OIQ)
-
Не в сети
- Сообщения: 459
- Зарегистрирован: 21 июл 2012 09:31
-
Не в сети
- Сообщения: 539
- Зарегистрирован: 10 июл 2014 19:03
- Откуда: Гомель
Re: всё о гу-81
... в драйвереEW8B писал(а): Знаю только одного радиолюбителя, кто на этой лампе работает, из всей области.![]()
У всех остальных ГУ-36Б
_________________
C уважением, Сергей, EW8R (ex: EW8IX, UC2OIX, UC2-007-213)
C уважением, Сергей, EW8R (ex: EW8IX, UC2OIX, UC2-007-213)
-
Не в сети
- Сообщения: 178
- Зарегистрирован: 25 май 2014 14:05
Re: всё о гу-81
ГУ-81 надежная и относительно дешевая лампа! Практически УМ на ГУ-81 вечный. К минусам относят большой ток накала и габариты. Блок питания можно сделать отдельно и УМ будет вполне сравним по габаритам с УМ на 2 ГК-71 Много различных конструкций в инете! Т. Е. плюсов больше чем минусов! 
_________________
"Можно знать с определенностью лишь то, что сделано"-ДЖАМБАТТИСТА ВИКО
"Можно знать с определенностью лишь то, что сделано"-ДЖАМБАТТИСТА ВИКО
-
Не в сети
- Сообщения: 487
- Зарегистрирован: 28 янв 2013 19:38
Re: всё о гу-81
Категорически не согласен с предыдущим "писателем"! Не знаю, как ГУ-81, А ГУ-81М самая ненадежная лампа, с которыми мне приходилось работать. И отнюдь не дешевая.Я с ними работаю уже более 30 лет. Так вот, треть из них не нарабытывает даже 1000 часов, а некоторые экземпляры например ГУ-50 работают более 6000 часов! С 3*ГУ-50 легко можно взять 400 Вт в нагрузке, практически как с ГУ-81, и при анодном напряжении втрое меньшем. При работе этой лампы, мало того, что сама ненадежная, если не принять специальных мер выгорают выпрямители, анодный или сеточные. Насчет дешевизны. Эта сказка скоро закончится. Дешевая, потому что широко использовалась, типа во всех "колхозных" радиоузлах. А они-то уже и ликвидированы почти повсеместно. Последний раз получили эту лампу года четыре назад. Так вот цена ее была тогда ОКОЛО 600000 БЕЛ. РУБЛЕЙ/ШТУКА! Кто в ладах с арифметикой, можете пересчитать в долларах. Еще пару лет- и она будет столько и стоить. Сейчас мало кто верит, что в конце 90 годов можно было "купить" ГУ-43 за 10$ или даже за бутылку. И сейчас вот, если за 200$ найдешь, то это большая удача. Так что лично я бы не советовал. Есть деньги, пожалуйста, ГУ-82, ГУ-74. Денег мало-ГУ-50, ГК-71 или даже 6П45С можно еще в неликвидах дешево найти
-
Не в сети
- Сообщения: 72
- Зарегистрирован: 22 ноя 2013 20:53
Re: всё о гу-81
Огромное спасибо всем за бесполезные советы . Но меня интересует только техническое решение в построении ум на выше указанном генераторном пентоде (мать его так) и все подводные камни которые могут быть в ходе построения данного девайса . Все высказывания типа (((замени на..... .лампа хреновая или лучше купи готовый))) мне не интересны .

-
Не в сети
- Сообщения: 72
- Зарегистрирован: 22 ноя 2013 20:53
-
Не в сети
- Сообщения: 23
- Зарегистрирован: 22 май 2014 15:01
Re: всё о гу-81
Виктор,а как ты их туда запихал?
-
В сети
- Сообщения: 651
- Зарегистрирован: 10 июл 2009 16:50
- Откуда: Grodno KO13WP
Re: всё о гу-81
Я тоже буду собирать на Гу-81м. http://www.cqham.ru/forum/showthread.ph ... %F1-%CE%D1
_________________
UC2-008-231(UC1IWI), UC2ICJ(UC1IWR), EW4CJ.
UC2-008-231(UC1IWI), UC2ICJ(UC1IWR), EW4CJ.
-
Не в сети
- Сообщения: 178
- Зарегистрирован: 25 май 2014 14:05
Re: всё о гу-81
Для EW3LN 1.10.15 Гу-81м-25 уе 15.09.15 ГУ-81м-25 УЕ Как можно издеваться над лампой которую невозможно угробить обычными способами ?Поделитесь , "НЕ ПИСАТЕЛЬ" 
_________________
"Можно знать с определенностью лишь то, что сделано"-ДЖАМБАТТИСТА ВИКО
"Можно знать с определенностью лишь то, что сделано"-ДЖАМБАТТИСТА ВИКО
-
Не в сети
- Сообщения: 591
- Зарегистрирован: 15 мар 2013 22:13
Re: всё о гу-81
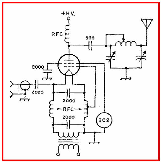
Если у Вас есть опыт в конструировании усилителей мощности,ew3abp писал(а):кто что посоветует расскажет или поделится опытом в построении ум на гу-81
начиная от бп и заканчивая П контуром
повторите один к одному схему усилителя EW1BA - с общим катодом (ОК) на ГУ-81М.
http://cqham.ru/pa86_06.htm
http://cqham.ru/pa49_13.htm
Если опыта нет, пока следует забыть про эту лампу,
т.к. у ГУ-81М слишком много подводных камней, особенно при реализации ВЧ диапазонов.
73!
Успехов!
EW1MM.
Последний раз редактировалось EW1MM 25 окт 2015 10:19, всего редактировалось 10 раз.
-
Не в сети
- Сообщения: 591
- Зарегистрирован: 15 мар 2013 22:13
Re: всё о гу-81
////
Последний раз редактировалось EW1MM 25 окт 2015 11:28, всего редактировалось 1 раз.
-
Не в сети
- Сообщения: 591
- Зарегистрирован: 15 мар 2013 22:13
-
Не в сети
- Сообщения: 591
- Зарегистрирован: 15 мар 2013 22:13
Re: всё о гу-81
/////
-
Не в сети
- Сообщения: 591
- Зарегистрирован: 15 мар 2013 22:13
Re: всё о гу-81
Что касается схемы РА на тетроде или пентоде с общими (глухозаземленными) сетками (ОС),
то это не от большого ума, а от желания построить что-нибудь побыстрей.
Для схем с глухозаземленной сеткой существуют мощные триоды,
которые предназначены работать с током сетки.
Основная задача при использовании тетродов и пентодов в усилителях мощности,
это недопущение появления заметного тока первой (управляющей) сетки.
Схема же РА на тетроде или пентоде с глухозаземленными сетками (ОС) несет в себе много негатива,
т.к. радиолампа работает со значительным током первой сетки,
а она в тетродах и пентодах слишком маломощная.
Исключение:
Особая, грамотная схемотехника, при которой тетрод или пентод всё же могут использоваться в схеме с ОС.
Но не просто так - все сетки на землю и мы впереди Планеты всей.
См. инфо:
КВ ЛИНЕЙНЫЙ ЛАМПОВЫЙ УСИЛИТЕЛЬ МОЩНОСТИ СЕГОДНЯ.
http://www.radiolamp.ru/shem/amplifier_ ... .php?no=13
Статья: "Тетроды в РА с заземлённой сеткой.
то это не от большого ума, а от желания построить что-нибудь побыстрей.
Для схем с глухозаземленной сеткой существуют мощные триоды,
которые предназначены работать с током сетки.
Основная задача при использовании тетродов и пентодов в усилителях мощности,
это недопущение появления заметного тока первой (управляющей) сетки.
Схема же РА на тетроде или пентоде с глухозаземленными сетками (ОС) несет в себе много негатива,
т.к. радиолампа работает со значительным током первой сетки,
а она в тетродах и пентодах слишком маломощная.
Исключение:
Особая, грамотная схемотехника, при которой тетрод или пентод всё же могут использоваться в схеме с ОС.
Но не просто так - все сетки на землю и мы впереди Планеты всей.
См. инфо:
КВ ЛИНЕЙНЫЙ ЛАМПОВЫЙ УСИЛИТЕЛЬ МОЩНОСТИ СЕГОДНЯ.
http://www.radiolamp.ru/shem/amplifier_ ... .php?no=13
Статья: "Тетроды в РА с заземлённой сеткой.
- Вложения
-
Тетроды в РА с заземлённой сеткой.pdf- (661.24 КБ) 2027 скачиваний
-
Не в сети
- Сообщения: 26
- Зарегистрирован: 06 июл 2019 04:55
Re: всё о гу-81
Дерьмо.Самая деревянная лампа из тех с которыми пришлось сталкиваться.Ее кпд-это двигатель внутреннего сгорания на дровах.Ну нравятся вам так лампы в стеклянном исполнении-поставьте лучше 2 ГК-71.Если не хотите жить в каменном веке поставьте одну ГС-35 Б.Ее убить практически невозможно.При таком же напряжении снимете легко 1,5 квт качая легко одной гу-29 ой.Вдобавок обдув минимален.
-
Не в сети
- Site Admin
- Сообщения: 2591
- Зарегистрирован: 26 май 2009 04:38
- Откуда: РБ
Re: всё о гу-81
Пожалуйста обоснуйте, чем 2 х ГК-71 лучше одной ГУ81м ?
ГС-35Б лампа хорошая, но их уже нет ни где, дуть на них надо ну очень хорошо.
ГС-35Б лампа хорошая, но их уже нет ни где, дуть на них надо ну очень хорошо.
Дохнут они тоже, при интенсивной работе на год, два хватает.Ее убить практически невозможно.
_________________
73! Сергей ex.EU2A, UC2CBT, UC2-009-602, Citizen Band - Лайнер, 251. On the air since 1980
Site Admin QRZ.BY
73! Сергей ex.EU2A, UC2CBT, UC2-009-602, Citizen Band - Лайнер, 251. On the air since 1980
Site Admin QRZ.BY
-
Не в сети
- Сообщения: 186
- Зарегистрирован: 11 мар 2016 18:32
- Откуда: Могилев. eu7au@mail.ru
Re: всё о гу-81
Самая хорошая лампа на данный момент это ГУ-74Б или же ГУ-43Б,а дуть это не проблема.
Тему почистил.
EU4A
Тему почистил.
EU4A
-
Не в сети
- Сообщения: 694
- Зарегистрирован: 03 май 2009 05:54
- Откуда: LO88EC ПЕРМЬ
Re: всё о гу-81
Вот эта надпись красным , к чему это ? Я что то не пойму.timon писал(а): Тему почистил.
EU4A
_________________
АЛЕКСАНДР
EW6O
ex : EU4AI, EW6CT, UC2WEQ
АЛЕКСАНДР
EW6O
ex : EU4AI, EW6CT, UC2WEQ