Антенный переключатель 2320МГц

Ответить
  • Автор
  • Сообщение
Не в сети
Аватара пользователя
Site Admin
Сообщения: 918
Зарегистрирован: 06 июн 2014 17:31
Откуда: Молодечно
Контактная информация:

Антенный переключатель 2320МГц

Сообщение EU2AA »

Антенный переключатель 2320МГц
Антенный переключатель с МШУ в корпусе
ap13a.jpg
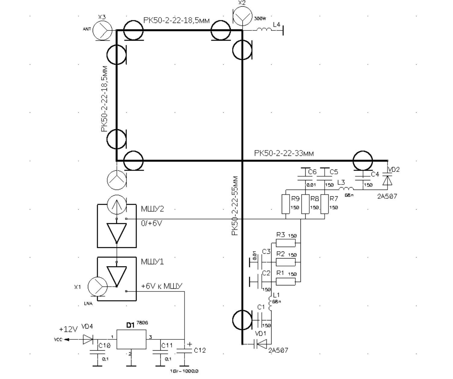
Электрическая схема
ap13ss.png
длина кабелей - по оплетке
-
В качестве МШУ использованы две активные антенны GPS, у первой ПАВ-фильтр 1575МГц заменен на 2375МГц, у второй ПАВ-фильтр 1575МГц заменен на конденсатор 10пФ, а магниты сняты
ap13b.jpg
ap13c.jpg
Разъемы под кабели снижения
Слева-направо:
- Х1 - выход МШУ, кабель RG58C/U,
- Х2 - вход от УМ300Вт 2320МГц, нужен кабель с малыми потерями,
- Вилка-штеккер для получения +12В/0,2А МАКСИМУМ, одиночный провод сечением 0,5мм
- Х3 - АНТЕННА 2320МГц
ap13d.jpg
Монтаж АП 2320МГц
ap13f.jpg
ap13g.jpg
_________________
Владимир,
ex UC2CED, EU2CED, RC2CA, EU2CA, EV78C, EV79C, EV80NG
2019 год - https://observablehq.com/@eu2aa
2017 год - http://eu2aa.com
1992 год - http://eu2aa.qrz.ru

Не в сети
Аватара пользователя
Site Admin
Сообщения: 918
Зарегистрирован: 06 июн 2014 17:31
Откуда: Молодечно
Контактная информация:

Re: Антенный переключатель 2320МГц

Сообщение EU2AA »

МШУ
lna13a.jpg
lna13b.jpg
lna13c.jpg
Рукописная схема управления по центральной жиле кабеля МШУ, аналогична схеме АП 1296МГц
lna13s.jpg
Настройка
Размеры отрезков некритичны, достаточно выдержать длину разделки кабелей по оплетке с точностью ±1мм.
Однако отрезок 33мм требует точной настройки.
Легкий способ - изменение длины запайки концов оплетки к площадкам на плате.
ap23k.jpg
На фото хорошо видна полоска из обрезкв теклотекстолита 3х5мм.
Орудуя пинцетом и паяльником, вытесняя припой из под места подпайки оплетки кабеля поочередно с двух концов нужно точно настроить значение пролаза мощности передатчика в тракт приема TX-RX, минус 30 dB на частоту (2300-2320)МГц.
Используя любой маломощный генератор и анализатор спектра, либо приемник.
_________________
Владимир,
ex UC2CED, EU2CED, RC2CA, EU2CA, EV78C, EV79C, EV80NG
2019 год - https://observablehq.com/@eu2aa
2017 год - http://eu2aa.com
1992 год - http://eu2aa.qrz.ru

Не в сети
Аватара пользователя
Site Admin
Сообщения: 918
Зарегистрирован: 06 июн 2014 17:31
Откуда: Молодечно
Контактная информация:

Re: Антенный переключатель 2320МГц

Сообщение EU2AA »

Ключи на P-I-N-диодах
APK06.png
APK06.png (11.05 КБ) 7608 просмотров
APK05.png
APK05.png (7.6 КБ) 7608 просмотров
Перечень элементов
C7,C9 - 0603-150пФ
C8 - 0603-1000пФ
L3 - 5 витков ПЭВ-0,3 на хвостовике сверла Ø2мм
L4 - 9 витков ПЭВ-0,3 на хвостовике сверла Ø4мм
R7-R9 - 1206-150 Ом
VD3 - 2A507A
Общая схема управления ПИН-диодами аналогична схеме на 1296 МГц
ap13sl.png
Используется два кабеля снижения и один неэкранированный провод.
Кабель с малыми потерями используется только для тракта ПЕРЕДАЧИ от УМ300Вт до разъема Х2.
Второй кабель RG58C/U, недорогой, включен уже после МШУ (разъем Х1), поэтому потери в нем на ПРИЕМ не влияют.
Плата индикации и управления расположена внизу, у оператора.
При нажатии педали РТТ СНИМАЕТСЯ напряжение +8V, подаваемое в центральную жилу кабеля ПРИЕМА.
Ток потребления по отдельному проводу +12V при ПРИЕМЕ=90 мА, при ПЕРЕДАЧЕ=200мА.
-
Монтажная схема платы индикации и управления аналогична схеме на 1296 МГц
PL_ind_AP_pcb1.png
PL_ind_AP_pcb1.png (11.23 КБ) 7608 просмотров
Перечень элементов
Конденсаторы
C1,C2 - X7R - 0805 - 1000 пФ ±5 % - 2шт.
C3,C4 - X7R - 0805 - 0,1 мкФ ±10 % - 2шт.
C5 - SR - 63V - 100,0 мкФ ±10 % - 1шт.
-
Микросхемы
D1 - оптопара TLP181 - 1шт.
D2 - 7812 - 1шт. КР1180ЕН12
-
Индуктивности
L1 - 0603 - 100нГн - 1шт.
-
Резисторы
R1,R3 - RC- 0805 - 1 kОм ±5 % - 2шт.
R6 - RC- 0805 - 150 Ом ±5 % - 1шт.
R7,R8 - RC- 0805 - 4,7 kОм ±5 % - 2шт.
-
Светодиоды
VD1,VD2,VD4 - LD0805 - 1шт. ЗЕЛЕНЫЕ
VD3 - LD0805 - 1шт. КРАСНЫЙ
_________________
Владимир,
ex UC2CED, EU2CED, RC2CA, EU2CA, EV78C, EV79C, EV80NG
2019 год - https://observablehq.com/@eu2aa
2017 год - http://eu2aa.com
1992 год - http://eu2aa.qrz.ru

Не в сети
Аватара пользователя
Site Admin
Сообщения: 918
Зарегистрирован: 06 июн 2014 17:31
Откуда: Молодечно
Контактная информация:

Re: Антенный переключатель 2320МГц

Сообщение EU2AA »

Основные параметры
Максимально допустимая мощность - 300Вт.
Потери в тракте ПЕРЕДАЧИ - 0,65dB.
Потери в тракте ПРИЕМА до МШУ - 0,61dB.
Пролаз мощности в тракт ПРИЕМА - минус 31,8dB.
Пролаз мощности в тракт ПРИЕМА с SPDT-ключом
на входе МШУ - минус 50dB,
при этом потери в тракте ПРИЕМА до МШУ
возрастают на 0,25dB, что в сумме составит 0,86dB.
Усиление МШУ - 41dB.
Ток потребления по цепи +12В - 90мА на ПРИЕМ, 200мА на ПЕРЕДАЧУ.
_________________
Владимир,
ex UC2CED, EU2CED, RC2CA, EU2CA, EV78C, EV79C, EV80NG
2019 год - https://observablehq.com/@eu2aa
2017 год - http://eu2aa.com
1992 год - http://eu2aa.qrz.ru
Ответить