Усилитель 1000W eb104 обсуждение, мнения
- Автор
- Сообщение
-
Не в сети
- Site Admin
- Сообщения: 2597
- Зарегистрирован: 26 май 2009 04:38
- Откуда: РБ
Усилитель 1000W eb104 обсуждение, мнения
PA1000W amplifier
power input 5 W
output power 1000 W
Ссылка на сайт http://eb104.ru/internet-magazin/shirok ... ti-1000-vt
http://eb104.ru/internet-magazin/shirok ... abor-uzlov
power input 5 W
output power 1000 W
Ссылка на сайт http://eb104.ru/internet-magazin/shirok ... ti-1000-vt
http://eb104.ru/internet-magazin/shirok ... abor-uzlov
_________________
73! Сергей ex.EU2A, UC2CBT, UC2-009-602, Citizen Band - Лайнер, 251. On the air since 1980
Site Admin QRZ.BY
73! Сергей ex.EU2A, UC2CBT, UC2-009-602, Citizen Band - Лайнер, 251. On the air since 1980
Site Admin QRZ.BY
-
Не в сети
- Site Admin
- Сообщения: 2597
- Зарегистрирован: 26 май 2009 04:38
- Откуда: РБ
Re: Усилитель eb104 обсуждение, мнения
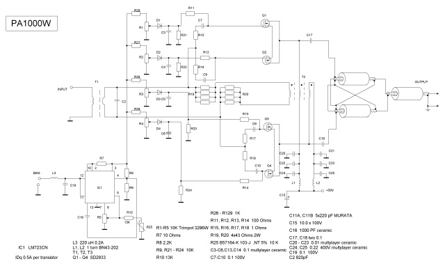
ФНЧ
_________________
73! Сергей ex.EU2A, UC2CBT, UC2-009-602, Citizen Band - Лайнер, 251. On the air since 1980
Site Admin QRZ.BY
73! Сергей ex.EU2A, UC2CBT, UC2-009-602, Citizen Band - Лайнер, 251. On the air since 1980
Site Admin QRZ.BY
-
Не в сети
- Сообщения: 488
- Зарегистрирован: 28 янв 2013 19:38
Re: Усилитель eb104 обсуждение, мнения
Лично я в чудеса не верю...
-
Не в сети
- Сообщения: 99
- Зарегистрирован: 01 июл 2013 17:52
- Откуда: Molodechno
Re: Усилитель eb104 обсуждение, мнения
А ещё их можно сложить, и получить 2кВт
Ещё недавно добавили плату защиты от превышения по раскачке. Что не мало важно, я делал себе с этого сайта на 300Вт, спалил транзисторы когда подал раскачку 20Вт.
Ещё недавно добавили плату защиты от превышения по раскачке. Что не мало важно, я делал себе с этого сайта на 300Вт, спалил транзисторы когда подал раскачку 20Вт.
-
Не в сети
- Site Admin
- Сообщения: 2597
- Зарегистрирован: 26 май 2009 04:38
- Откуда: РБ
Re: Усилитель eb104 обсуждение, мнения
http://eb104.ru/internet-magazin/shirok ... abor-uzlov
PA1000W amplifier 10-1000W (усилитель 10-1000 Вт) набор узлов
Цена: 61 000 R.руб.

PA1000W amplifier 10-1000W (усилитель 10-1000 Вт) набор узлов
Цена: 61 000 R.руб.
_________________
73! Сергей ex.EU2A, UC2CBT, UC2-009-602, Citizen Band - Лайнер, 251. On the air since 1980
Site Admin QRZ.BY
73! Сергей ex.EU2A, UC2CBT, UC2-009-602, Citizen Band - Лайнер, 251. On the air since 1980
Site Admin QRZ.BY
-
Не в сети
- Сообщения: 359
- Зарегистрирован: 25 окт 2013 14:37
- Откуда: Кобрин
Re: Усилитель eb104 обсуждение, мнения
В чем, собственно, чудеса?EW3LN писал(а):Лично я в чудеса не верю...
На youtube много роликов с демонстрацией отработки защиты.
Один из радиогубителей несколько раз подряд отключал антенну "на горячую" при киловаттном выходе - и ничего - УМ цел невредим. Зачетно!
Если б не ламповый гроб (куда ж его теперь девать), то давно уже купил бы себе такой.
_________________
ex call EW3ABW
ex call EW3ABW
-
Не в сети
- Сообщения: 594
- Зарегистрирован: 15 мар 2013 22:13
Re: Усилитель 1000W eb104 обсуждение, мнения
Красиво, небольшие размеры, хорошо что кто-то делает подобное.EW2CC писал(а):Усилитель 1000W eb104 обсуждение, мнения.
Для сравнения с чем-то другим, качеством монтажа, радиаторов и пр., если кому будет интересно,
посмотрите на промышленный "Кедр".
Тоже хорошая штука. Неубиваемый транзисторный РА!
Фотографии здесь:
http://www.cqham.ru/forum/showthread.ph ... 7%EE%ED%E0
http://forum.qrz.ru/usiliteli-moschnost ... -kedr.html
http://www.radioscanner.ru/forum/topic21725.html
-
Не в сети
- Сообщения: 572
- Зарегистрирован: 24 май 2017 18:28
- Откуда: BY
- Контактная информация:
Re: Усилитель 1000W eb104 обсуждение, мнения
Почему-то кажется, что лампы в ум скоро умрут, либо станут как калькулятор на идикаторе с накалом...
https://www.youtube.com/watch?v=yI4zOv0tC_0
https://www.youtube.com/watch?v=yI4zOv0tC_0
_________________

-
Не в сети
- Сообщения: 412
- Зарегистрирован: 05 ноя 2013 00:55
Re: Усилитель 1000W eb104 обсуждение, мнения
Красота! Прогресс уверенно движется в сторону высоковольтных (900-1200 Vds max) полевых ВЧ транзисторов с вертикальным затвором. Недалёк тот день, когда они подешевеют настолько, что заменят лампы.
Год назад на cqham уже обсуждали киловаттный усилитель на 4х ARF446/ARF447 (900 Vds max, 250W, 60 MHz) по три бакса (!) за транзистор. С питанием от выпрямленной сети. Но никто, кажется, так ничего и не сделал. Ждём, когда китайцы сделают и на алиэкспрессе выставят. :)
Год назад на cqham уже обсуждали киловаттный усилитель на 4х ARF446/ARF447 (900 Vds max, 250W, 60 MHz) по три бакса (!) за транзистор. С питанием от выпрямленной сети. Но никто, кажется, так ничего и не сделал. Ждём, когда китайцы сделают и на алиэкспрессе выставят. :)
-
Не в сети
- Сообщения: 454
- Зарегистрирован: 03 фев 2013 17:23
Re: Усилитель 1000W eb104 обсуждение, мнения
есть защиты по входу и выходу, температуре
импульсный блок питания- главное требование отсутствие помех приему
экранировка и фильтрация цепей питания нужна серьезная должна быть
от атмосферного электричества защитить такие усилители очень проблемно
есть возможность сложения четного количества блоков
импульсный блок питания- главное требование отсутствие помех приему
экранировка и фильтрация цепей питания нужна серьезная должна быть
от атмосферного электричества защитить такие усилители очень проблемно
есть возможность сложения четного количества блоков
_________________
Ex UN7QBQ Виктор
Ex UN7QBQ Виктор
-
Не в сети
- Сообщения: 243
- Зарегистрирован: 11 июл 2010 16:23
- Откуда: Беларусь, Гродно.
Re: Усилитель 1000W eb104 обсуждение, мнения
В своем репертуаре... ФУ!!!un7qbq писал(а):есть защиты по входу и выходу, температуре
импульсный блок питания- главное требование отсутствие помех приему
экранировка и фильтрация цепей питания нужна серьезная должна быть
от атмосферного электричества защитить такие усилители очень проблемно
есть возможность сложения четного количества блоков
_________________
73, Виталий EU4FM /P, /M
73, Виталий EU4FM /P, /M
-
Не в сети
- Сообщения: 454
- Зарегистрирован: 03 фев 2013 17:23
Re: Усилитель 1000W eb104 обсуждение, мнения
TO EU4FMEU4FM писал(а):В своем репертуаре... ФУ!!!un7qbq писал(а):есть защиты по входу и выходу, температуре
импульсный блок питания- главное требование отсутствие помех приему
экранировка и фильтрация цепей питания нужна серьезная должна быть
от атмосферного электричества защитить такие усилители очень проблемно
есть возможность сложения четного количества блоков
Последний раз редактировалось EU2Q 16 фев 2015 22:11, всего редактировалось 1 раз.
_________________
Ex UN7QBQ Виктор
Ex UN7QBQ Виктор
-
Не в сети
- Сообщения: 243
- Зарегистрирован: 11 июл 2010 16:23
- Откуда: Беларусь, Гродно.
Re: Усилитель 1000W eb104 обсуждение, мнения
Извините, имени не знаю. Я про знаки препинания. С ними намного более понятен смысл того, что Вы пытаетесь донести в сообщении. Ничего личного, приношу извинения если обидел. С уважением.
_________________
73, Виталий EU4FM /P, /M
73, Виталий EU4FM /P, /M
-
Не в сети
- Site Admin
- Сообщения: 2597
- Зарегистрирован: 26 май 2009 04:38
- Откуда: РБ
Re: Усилитель 1000W eb104 обсуждение, мнения
_________________
73! Сергей ex.EU2A, UC2CBT, UC2-009-602, Citizen Band - Лайнер, 251. On the air since 1980
Site Admin QRZ.BY
73! Сергей ex.EU2A, UC2CBT, UC2-009-602, Citizen Band - Лайнер, 251. On the air since 1980
Site Admin QRZ.BY
-
Не в сети
- Сообщения: 454
- Зарегистрирован: 03 фев 2013 17:23
Re: Усилитель 1000W eb104 обсуждение, мнения
Да все нормально
без обид просто я не писатель
По поводу усилителя:
В Бурундайском аэропорту ставили транзисторные передатчики.
Часто летели из за попадания молнии в ближней зоне, не помогали разрядники.
Когда были Березы проблем не было. Конструкции были чем то похожи на эти -JRC фирма изготовитель
без обид просто я не писатель
По поводу усилителя:
В Бурундайском аэропорту ставили транзисторные передатчики.
Часто летели из за попадания молнии в ближней зоне, не помогали разрядники.
Когда были Березы проблем не было. Конструкции были чем то похожи на эти -JRC фирма изготовитель
_________________
Ex UN7QBQ Виктор
Ex UN7QBQ Виктор
-
Не в сети
- Сообщения: 23
- Зарегистрирован: 25 авг 2014 06:40
Re: Усилитель 1000W eb104 обсуждение, мнения
Виталий, перед "... если... " забыли? запятую...Извините, имени не знаю. Я про знаки препинания. С ними намного более понятен смысл того, что Вы пытаетесь донести в сообщении. Ничего личного, приношу извинения если обидел. С уважением.
_________________
73, Виталий EU4FM /P, /M
-
Не в сети
- Сообщения: 459
- Зарегистрирован: 21 июл 2012 09:31
Re: Усилитель 1000W eb104 обсуждение, мнения
практическая конструкция
http://www.bars38.com/#!--/c8j2
http://www.bars38.com/#!--/c8j2
_________________
73! Виктор
73! Виктор
-
Не в сети
- Сообщения: 38
- Зарегистрирован: 14 сен 2016 07:47
Re: Усилитель 1000W eb104 обсуждение, мнения
Сейчас занимаюсь усилителя на четырех vrf2933, модернизация усилителя еб104.
Ссылка на описание: https://eu2av.ru/viewforum.php?f=11
-
Не в сети
- Site Admin
- Сообщения: 1457
- Зарегистрирован: 27 ноя 2009 21:55
- Откуда: г. Лида
Re: Усилитель 1000W eb104 обсуждение, мнения
Надпись на плате любопытная.
Извините, это напряжение питания?
Извините, это напряжение питания?
_________________
73, Павел EU4A ex EU4AA, UC2IO etc.
73, Павел EU4A ex EU4AA, UC2IO etc.
-
Не в сети
- Сообщения: 38
- Зарегистрирован: 14 сен 2016 07:47
Re: Усилитель 1000W eb104 обсуждение, мнения
Это условная выходная мощность усилителя). Напряжении питания 48-53вольта, максимальный потребляемый ток 35 ампер.
-
Не в сети
- Сообщения: 38
- Зарегистрирован: 14 сен 2016 07:47
-
Не в сети
- Сообщения: 959
- Зарегистрирован: 10 ноя 2010 10:39
- Откуда: Antennae Galaxies
Re: Усилитель 1000W eb104 обсуждение, мнения
Может кто использует для питания таких усилителей блок питания ZTE ?
http://qrz.by/forum/viewtopic.php?f=20&t=9967
https://diykitsblog.com/statiy/zxd2400-lbp-3000w.html
Надо ли делать доработки для фильтрации помех? Или нет от них помех?
http://qrz.by/forum/viewtopic.php?f=20&t=9967
https://diykitsblog.com/statiy/zxd2400-lbp-3000w.html
Надо ли делать доработки для фильтрации помех? Или нет от них помех?
-
Не в сети
- Site Admin
- Сообщения: 503
- Зарегистрирован: 25 окт 2014 08:50
- Откуда: Гомель
- Контактная информация:
Re: Усилитель 1000W eb104 обсуждение, мнения
А sd2933 за нормальные деньги где-то можно купить?
_________________
ex EW8AX / QRZ.BY TechSupport
Телеграм канал Гомельского клуба радиолюбителей "Кварц" https://t.me/Gomel_Radio, Сайт клуба https://quartz.by
ex EW8AX / QRZ.BY TechSupport
Телеграм канал Гомельского клуба радиолюбителей "Кварц" https://t.me/Gomel_Radio, Сайт клуба https://quartz.by
-
Не в сети
- Сообщения: 959
- Зарегистрирован: 10 ноя 2010 10:39
- Откуда: Antennae Galaxies
Re: Усилитель 1000W eb104 обсуждение, мнения
Появились дешевые по 30$ MRF300 https://www.terraelectronica.ru/catalog ... rch=MRF300ew8ax писал(а):А sd2933 за нормальные деньги где-то можно купить?
https://youtu.be/4mYzdu5NWqw?list=LLrkk ... OcCJnMe9lQ
Можно на них делать
Последний раз редактировалось EW2ABC 09 июн 2020 12:52, всего редактировалось 1 раз.
-
Не в сети
- Сообщения: 959
- Зарегистрирован: 10 ноя 2010 10:39
- Откуда: Antennae Galaxies
Re: Усилитель 1000W eb104 обсуждение, мнения
И не только на КВ, но и на 144MHz
http://www.vhfdx.ru/apparatura/pa500-mrf300an-mrf300bn
http://www.vhfdx.ru/apparatura/pa500-mrf300an-mrf300bn