Предварительный делитель к частотомеру
Состоит из двух плат: делитель на 8 и делитель на 125.
Общий коэффициент - 1000.
Диапазон входных частот от 25МГц до 13ГГц.
Диапазон выходных частот от 25кГц до 13МГц.
Чувствительность - от 25 до 90МГц - минус 10dBm,
от 100 до 90МГц - минус 20dBm,
от 200МГц до 13000МГц - минус 30dBm.
-
Перекачивать не стоит, как и всякий частотомер, от 0dBm не сгорит,
если закачать большую мощность, то сгорит входной буфер на ERA-1SM+,
хотя он живучий.
-
Напряжение питания - от сетевого адаптера +9В, потребление 135мА.
Здесь, на форуме описана переделка адаптера с 5В на любое напряжение.
ВНИМАНИЕ! Плюс 9В на ВНЕШНЕМ цилиндре разъема, минус - на внутреннем. Стандарт SANYO.
-
Плату делителя на 8 сделал на самотравке, не утерпел.
А платы пришли быстро, за 27 дней.
			
			
									
													Прескалер к частотомеру
- Автор
 - Сообщение
 
- 
				
								Не в сети
 - Site Admin
 - Сообщения: 905
 - Зарегистрирован: 06 июн 2014 17:31
 - Откуда: Молодечно
 - Контактная информация:
 
Прескалер к частотомеру
_________________
Владимир,
ex UC2CED, EU2CED, RC2CA, EU2CA
2019 год - https://observablehq.com/@eu2aa
2017 год - http://eu2aa.com
1992 год - http://eu2aa.qrz.ru
			
						Владимир,
ex UC2CED, EU2CED, RC2CA, EU2CA
2019 год - https://observablehq.com/@eu2aa
2017 год - http://eu2aa.com
1992 год - http://eu2aa.qrz.ru
- 
				
								Не в сети
 - Site Admin
 - Сообщения: 905
 - Зарегистрирован: 06 июн 2014 17:31
 - Откуда: Молодечно
 - Контактная информация:
 
Re: Прескалер к частотомеру
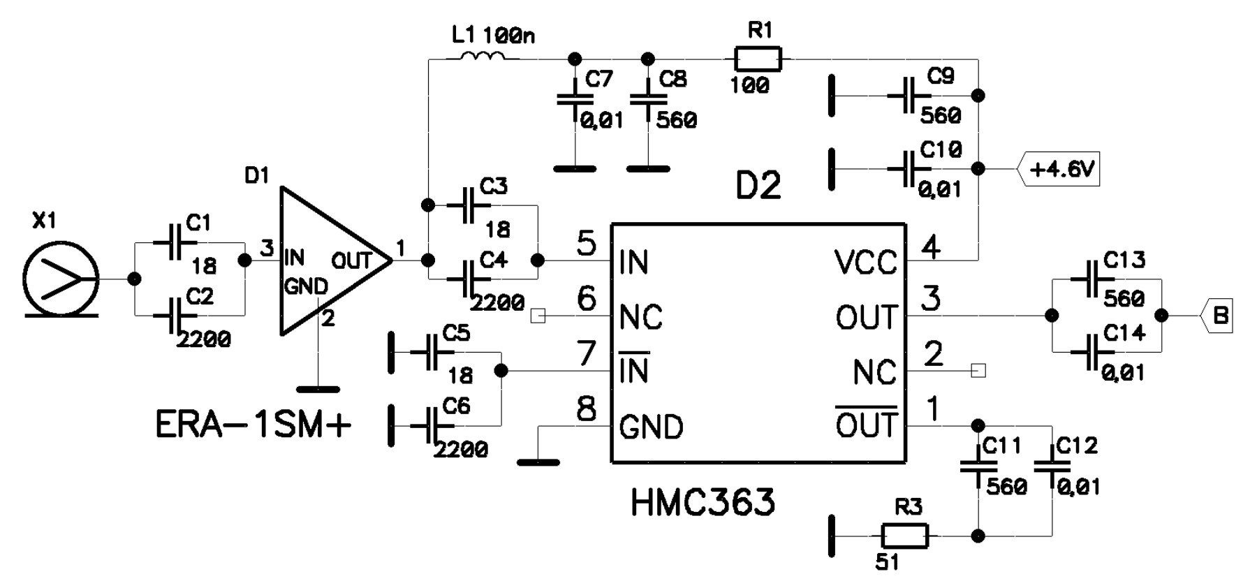
Электрическая схема 
-
Делитель на 8 -
Перечень элементов
C1,C3,C5 - 0402-18пФ
C2,C4,C6 - 0402-2200пФ
C7,C10,C12,C14 - 0603-0,01мкФ
C8,C9,C11,C13 - 0603-560пФ
D1 - EAR-1SM+
D2 - HMC363S3G
L1 - 0603-100nH
R1 - 0603-100 Ом
R3 - 0603-51 Ом
-
Делитель на 125 -
Перечень элементов
C1,C2,C5 - 0603-150пФ
C3 - 0603-0,1мкФ
C7 - 0805-220пФ
C8-C13 - 0805-0,1мкФ
D1 - MB506
D2 - MAX961ESA
D3,D5 - 74HC390D
D4,D6 - 74HC02D
D7 - IN78L05 *от Интеграла
L1 - 0603-100nH
R1 - 0603-2k
R2 - 0603-33k
R3 - 0603-15k
R4 - 1206-5,1 Ом
VD1 - LL4148
			
			
									
													-
Делитель на 8 -
Перечень элементов
C1,C3,C5 - 0402-18пФ
C2,C4,C6 - 0402-2200пФ
C7,C10,C12,C14 - 0603-0,01мкФ
C8,C9,C11,C13 - 0603-560пФ
D1 - EAR-1SM+
D2 - HMC363S3G
L1 - 0603-100nH
R1 - 0603-100 Ом
R3 - 0603-51 Ом
-
Делитель на 125 -
Перечень элементов
C1,C2,C5 - 0603-150пФ
C3 - 0603-0,1мкФ
C7 - 0805-220пФ
C8-C13 - 0805-0,1мкФ
D1 - MB506
D2 - MAX961ESA
D3,D5 - 74HC390D
D4,D6 - 74HC02D
D7 - IN78L05 *от Интеграла
L1 - 0603-100nH
R1 - 0603-2k
R2 - 0603-33k
R3 - 0603-15k
R4 - 1206-5,1 Ом
VD1 - LL4148
_________________
Владимир,
ex UC2CED, EU2CED, RC2CA, EU2CA
2019 год - https://observablehq.com/@eu2aa
2017 год - http://eu2aa.com
1992 год - http://eu2aa.qrz.ru
			
						Владимир,
ex UC2CED, EU2CED, RC2CA, EU2CA
2019 год - https://observablehq.com/@eu2aa
2017 год - http://eu2aa.com
1992 год - http://eu2aa.qrz.ru
- 
				
								Не в сети
 - Site Admin
 - Сообщения: 905
 - Зарегистрирован: 06 июн 2014 17:31
 - Откуда: Молодечно
 - Контактная информация:
 
Re: Прескалер к частотомеру
Монтажная схема
-
Делитель на 8 Делитель на 125 -
Измерение частоты 10360МГц -
Испытал от 12МГц (показывает, но критичен входной уровень)
до 11,600ГГц,
выше не было генератора.
Но должен измерять до 13ГГц.
			
			
									
													-
Делитель на 8 Делитель на 125 -
Измерение частоты 10360МГц -
Испытал от 12МГц (показывает, но критичен входной уровень)
до 11,600ГГц,
выше не было генератора.
Но должен измерять до 13ГГц.
_________________
Владимир,
ex UC2CED, EU2CED, RC2CA, EU2CA
2019 год - https://observablehq.com/@eu2aa
2017 год - http://eu2aa.com
1992 год - http://eu2aa.qrz.ru
			
						Владимир,
ex UC2CED, EU2CED, RC2CA, EU2CA
2019 год - https://observablehq.com/@eu2aa
2017 год - http://eu2aa.com
1992 год - http://eu2aa.qrz.ru
- 
				
								Не в сети
 - Site Admin
 - Сообщения: 905
 - Зарегистрирован: 06 июн 2014 17:31
 - Откуда: Молодечно
 - Контактная информация:
 
Re: Прескалер к частотомеру
Термостатированный кварцевый генератор 10ppb описан здесь
-
Таким образом у простейшего частотомера до 25МГц, например на PICe,
можно расширить частотный диапазон до 13ГГц,
а стабильность до 10ppb ( 0,01ppm).
-
GERBER-файлы не привожу, так как платы очень маленькие, на размер 100 х 100мм за $2 входит много чего,
заказывал сборную солянку, в т.ч. разные УМ на 4Вт, 20Вт и прочее.
Вдруг кого заинтересует, напишите, прямо здесь, в этой ветке, какие платы скомпоновать, сделаю.
-
Кстати, на JLCPCB опять появилась дешевая доставка - e-paket, $8. Пришло в почтовое отделение за 27 дней.
			
			
									
													-
Таким образом у простейшего частотомера до 25МГц, например на PICe,
можно расширить частотный диапазон до 13ГГц,
а стабильность до 10ppb ( 0,01ppm).
-
GERBER-файлы не привожу, так как платы очень маленькие, на размер 100 х 100мм за $2 входит много чего,
заказывал сборную солянку, в т.ч. разные УМ на 4Вт, 20Вт и прочее.
Вдруг кого заинтересует, напишите, прямо здесь, в этой ветке, какие платы скомпоновать, сделаю.
-
Кстати, на JLCPCB опять появилась дешевая доставка - e-paket, $8. Пришло в почтовое отделение за 27 дней.
_________________
Владимир,
ex UC2CED, EU2CED, RC2CA, EU2CA
2019 год - https://observablehq.com/@eu2aa
2017 год - http://eu2aa.com
1992 год - http://eu2aa.qrz.ru
			
						Владимир,
ex UC2CED, EU2CED, RC2CA, EU2CA
2019 год - https://observablehq.com/@eu2aa
2017 год - http://eu2aa.com
1992 год - http://eu2aa.qrz.ru