Генераторы от 144МГц до 11ГГц своими руками
- Автор
- Сообщение
-
Не в сети
- Site Admin
- Сообщения: 905
- Зарегистрирован: 06 июн 2014 17:31
- Откуда: Молодечно
- Контактная информация:
Генераторы от 144МГц до 11ГГц своими руками
Генераторы от 144МГц до 11ГГц своими руками
-
Генераторы - вещь остро необходимая.
Когда смотришь на ценник стандартных генераторов, то гаснет всякое желание заниматься конструированием.
Не нужно преждевременно огорчаться.
Будем делать себе генераторы на нужные нам частоты своими руками.
Начнем с 5760МГц и пойдем вниз.
Использую их для разных целей.
1. Как один из модулей в составе настольного генератора, 2.Совместно с КСВ-метром при настройке антенн, Измерять КСВ антенны в поднятом состоянии (даже хотя бы в частично приподнятом) можно только с очень компактными КСВ-метром и генератором.
3. При проверке LNB, а также после их доработки. Генератору навинчиваю внешнюю антенну-штырек и использую как источник сигнала 10,489ГГц,
Выход LNB - на анализатор спектра: Методика проверки LNB после доработки
Генератор 10 489,5 Мгц излучает сигнал уровнем – (30-0)dBm.
Выход LNB подключен к анализатору спектра, либо приемнику на частоте 739±10МГц.
Настраиваемся и наблюдаем этот сигнал Затем подаем на вход 25МГц доработанной LNB с генератора Г4-107, либо с реального опорного генератора 25МГц уровнем (3-15)dBm.
Наблюдаем перскок выходной частоты, что свидетельствует о нормальной работе: произошел захват ВНЕШНЕЙ частоты.
Можно изменять частоту генератора Г4-107, при этом выход LNB должен также смещаться по частоте.
4. При настройке Усилителей Мощности,
Наличие ручек перестройки частоты и выходного уровня от 0 до +20dBm позволяет выявить возможную неустойчивость, измерить требуемый уровень раскачки для конкретного УМ с конкретной мощностью.
5. Как маяк при измерении усиления антенн.
Компактный генератор с маленькой батареей удобно установить на шесте.
Именно такой генератор мне пришлось использовать при измерении усиления антенной решетки http://qrz.by/forum/viewtopic.php?f=49&t=9084 , что позволило быстро обнаружить "потерявшиеся" 3dB по усилению и оперативно доработать конструкцию антенны.
-
Генераторы - вещь остро необходимая.
Когда смотришь на ценник стандартных генераторов, то гаснет всякое желание заниматься конструированием.
Не нужно преждевременно огорчаться.
Будем делать себе генераторы на нужные нам частоты своими руками.
Начнем с 5760МГц и пойдем вниз.
Использую их для разных целей.
1. Как один из модулей в составе настольного генератора, 2.Совместно с КСВ-метром при настройке антенн, Измерять КСВ антенны в поднятом состоянии (даже хотя бы в частично приподнятом) можно только с очень компактными КСВ-метром и генератором.
3. При проверке LNB, а также после их доработки. Генератору навинчиваю внешнюю антенну-штырек и использую как источник сигнала 10,489ГГц,
Выход LNB - на анализатор спектра: Методика проверки LNB после доработки
Генератор 10 489,5 Мгц излучает сигнал уровнем – (30-0)dBm.
Выход LNB подключен к анализатору спектра, либо приемнику на частоте 739±10МГц.
Настраиваемся и наблюдаем этот сигнал Затем подаем на вход 25МГц доработанной LNB с генератора Г4-107, либо с реального опорного генератора 25МГц уровнем (3-15)dBm.
Наблюдаем перскок выходной частоты, что свидетельствует о нормальной работе: произошел захват ВНЕШНЕЙ частоты.
Можно изменять частоту генератора Г4-107, при этом выход LNB должен также смещаться по частоте.
4. При настройке Усилителей Мощности,
Наличие ручек перестройки частоты и выходного уровня от 0 до +20dBm позволяет выявить возможную неустойчивость, измерить требуемый уровень раскачки для конкретного УМ с конкретной мощностью.
5. Как маяк при измерении усиления антенн.
Компактный генератор с маленькой батареей удобно установить на шесте.
Именно такой генератор мне пришлось использовать при измерении усиления антенной решетки http://qrz.by/forum/viewtopic.php?f=49&t=9084 , что позволило быстро обнаружить "потерявшиеся" 3dB по усилению и оперативно доработать конструкцию антенны.
_________________
Владимир,
ex UC2CED, EU2CED, RC2CA, EU2CA
2019 год - https://observablehq.com/@eu2aa
2017 год - http://eu2aa.com
1992 год - http://eu2aa.qrz.ru
Владимир,
ex UC2CED, EU2CED, RC2CA, EU2CA
2019 год - https://observablehq.com/@eu2aa
2017 год - http://eu2aa.com
1992 год - http://eu2aa.qrz.ru
-
Не в сети
- Site Admin
- Сообщения: 905
- Зарегистрирован: 06 июн 2014 17:31
- Откуда: Молодечно
- Контактная информация:
Генератор на 5760МГц
Генератор на 5760МГц
Функционально это просто ГУН (Генератор Управляемый Напряжением) + умножитель на 2.
Зато фазовые шумы - отличные, мои измерения анализатором спектра Agilent Technologies E4402B их просто не обнаружили. Их уровень - в районе минус 150dBc/Hz.
Чего нельзя сказать про аналогичные китайские генераторы на основе синтезаторов частоты
Основные параметры:
Диапазон (5,6-5,9)ГГц
Выходной уровень регулируется вручную в пределах (0-+16)dBm
Напряжение питания от внешнего источника - +(9-13)В
Ток потребления - 220мА
Генератор используется:
- совместно с КСВ-метром при настройке антенн,
- при настройке Усилителей Мощности,
- как маяк при измерении усиления антенн.
Электрическая принципиальная схема Перечень элементов
-
Конденсаторы
C2,C3 — 0402 — 1 пФ - 2шт.
C5 — 0402 — 3,3 пФ - 1шт.
C6,C19 — 0603 — 33 пФ - 2шт.
C7,C9,C20 — 0603 — 560 пФ - 3шт.
C10 — 0603 — 0,01 мkФ - 1шт.
C11 — 0603 — 0,1 мkФ - 1шт.
C16,C18 — 0603 — 10 пФ - 2шт.
C25 — 0805 — 1,0 мкФ - 1шт.
C26,C43 — Case B-10V-33,0 мkФ - 2шт.
C27,C44,C45 — 0805 — 0,1 мkФ - 3шт.
C35,C36,C39,C100 — 0805 — 1000 пФ - 4шт.
C33,C34,C37,C38,C40-C42 — 0603 — 22 пФ - 7шт.
C102 — SR-16V-100,0 мkФ - 1шт.
-
Микросхемы
D2 — AG604-89G - 1шт.
D7 — D9 — NLB310 - 3шт.
D4,D10 — LM1117-5.0 - 2шт.
-
Индуктивности
L1* - 1 виток луженки 0,12 на сверле Ø0,8мм - 1шт.
L2-L4 - 08805 - LQW18A-68нГн - 3шт.
-
Резисторы
R1,R6 — 0402 — 4,7 kОм - 2шт.
R3,R5 — 0402 — 100 Ом - 2шт.
R4 — 0603 — 39 kОм - 1шт.
R11 — 0603 — 0 - 1шт. *можно просто перемычку
R13 — 0603 — 20 Ом - 1шт.
R14 — 0603 — 1 kОм - 1шт.
R15 — 0805 — 16 Ом - 1шт.
R21 — 0603 — 620 Ом - 1шт.
R26* -0805 — 82 Ом - 1шт.
R30 — 1206 — 220 Ом - 1шт.
R32 — 0805 — 1 kОм - 1шт.
R33* - 0805 — 390 Ом - 1шт.
R100 — СП3-9а — 6,8 kОм - 1шт. перестройка частоты
R104 - СП3-4а — 1,5 kОм - 1шт. регулировка выходного уровня
R28 — 0603 — 20 Ом - 1шт.
R27,R29 — 0603 — 200 Ом - 2шт.
R105* — МЛТ-0,125 — 22,1 kОм - 1шт.
-
Диоды
VD1 - Варикап BB857 - 1шт.
VD100 - S1M
VD101- Светодиод L34HD - 1шт. красный
-
Разъемы
X2 - SMA-BJ - 1шт.
X101 - K375 - 1шт.
-
Фильтр
Z4 - TDK-DEA-5,95GHz
*полезно будет вместо аттенюатора R27-R29 поставить второй такой же фильтр.
**у меня не стоит второй, поскольку оставался единственный из присланных R3GC.
Монтажная схема платы генератора Использована печатная плата из остатков от трансвертера Т2_13
https://observablehq.com/@eu2aa/t2_13
Элементы, не имеющие маркировки на монтажной схеме - НЕ УСТАНАВЛИВАТЬ!
GERBER-файл для заказа плат — https://eu2aa.com/files/T213.zip
Карта регулировки
https://eu2aa.com/pdfs/KR_G5.76.pdf
-
Дополнение от 14.12.2020г.
При новом изготовлении использовал плату от трансвертера на 2400, для этой частоты длина λ/4-линий в нагрузке D7, D8, D9 равна 17мм.
Однако в каскадах на частоту 5760МГц длина λ/4-линий в нагрузке D7, D8, D9 уже короче и равна 7,5мм, поэтому на таком расстоянии от горячих концов линий напаяны дополнительно блокировочные конденсаторы 0402 4,7пФ. Дополнительный каскад усиления со вторым фильтром позволил получить на одном из экземпляров выходную мощность +22dBm.
Фильтры - LFB315G82SN5-996
Функционально это просто ГУН (Генератор Управляемый Напряжением) + умножитель на 2.
Зато фазовые шумы - отличные, мои измерения анализатором спектра Agilent Technologies E4402B их просто не обнаружили. Их уровень - в районе минус 150dBc/Hz.
Чего нельзя сказать про аналогичные китайские генераторы на основе синтезаторов частоты
Основные параметры:
Диапазон (5,6-5,9)ГГц
Выходной уровень регулируется вручную в пределах (0-+16)dBm
Напряжение питания от внешнего источника - +(9-13)В
Ток потребления - 220мА
Генератор используется:
- совместно с КСВ-метром при настройке антенн,
- при настройке Усилителей Мощности,
- как маяк при измерении усиления антенн.
Электрическая принципиальная схема Перечень элементов
-
Конденсаторы
C2,C3 — 0402 — 1 пФ - 2шт.
C5 — 0402 — 3,3 пФ - 1шт.
C6,C19 — 0603 — 33 пФ - 2шт.
C7,C9,C20 — 0603 — 560 пФ - 3шт.
C10 — 0603 — 0,01 мkФ - 1шт.
C11 — 0603 — 0,1 мkФ - 1шт.
C16,C18 — 0603 — 10 пФ - 2шт.
C25 — 0805 — 1,0 мкФ - 1шт.
C26,C43 — Case B-10V-33,0 мkФ - 2шт.
C27,C44,C45 — 0805 — 0,1 мkФ - 3шт.
C35,C36,C39,C100 — 0805 — 1000 пФ - 4шт.
C33,C34,C37,C38,C40-C42 — 0603 — 22 пФ - 7шт.
C102 — SR-16V-100,0 мkФ - 1шт.
-
Микросхемы
D2 — AG604-89G - 1шт.
D7 — D9 — NLB310 - 3шт.
D4,D10 — LM1117-5.0 - 2шт.
-
Индуктивности
L1* - 1 виток луженки 0,12 на сверле Ø0,8мм - 1шт.
L2-L4 - 08805 - LQW18A-68нГн - 3шт.
-
Резисторы
R1,R6 — 0402 — 4,7 kОм - 2шт.
R3,R5 — 0402 — 100 Ом - 2шт.
R4 — 0603 — 39 kОм - 1шт.
R11 — 0603 — 0 - 1шт. *можно просто перемычку
R13 — 0603 — 20 Ом - 1шт.
R14 — 0603 — 1 kОм - 1шт.
R15 — 0805 — 16 Ом - 1шт.
R21 — 0603 — 620 Ом - 1шт.
R26* -0805 — 82 Ом - 1шт.
R30 — 1206 — 220 Ом - 1шт.
R32 — 0805 — 1 kОм - 1шт.
R33* - 0805 — 390 Ом - 1шт.
R100 — СП3-9а — 6,8 kОм - 1шт. перестройка частоты
R104 - СП3-4а — 1,5 kОм - 1шт. регулировка выходного уровня
R28 — 0603 — 20 Ом - 1шт.
R27,R29 — 0603 — 200 Ом - 2шт.
R105* — МЛТ-0,125 — 22,1 kОм - 1шт.
-
Диоды
VD1 - Варикап BB857 - 1шт.
VD100 - S1M
VD101- Светодиод L34HD - 1шт. красный
-
Разъемы
X2 - SMA-BJ - 1шт.
X101 - K375 - 1шт.
-
Фильтр
Z4 - TDK-DEA-5,95GHz
*полезно будет вместо аттенюатора R27-R29 поставить второй такой же фильтр.
**у меня не стоит второй, поскольку оставался единственный из присланных R3GC.
Монтажная схема платы генератора Использована печатная плата из остатков от трансвертера Т2_13
https://observablehq.com/@eu2aa/t2_13
Элементы, не имеющие маркировки на монтажной схеме - НЕ УСТАНАВЛИВАТЬ!
GERBER-файл для заказа плат — https://eu2aa.com/files/T213.zip
Карта регулировки
https://eu2aa.com/pdfs/KR_G5.76.pdf
-
Дополнение от 14.12.2020г.
При новом изготовлении использовал плату от трансвертера на 2400, для этой частоты длина λ/4-линий в нагрузке D7, D8, D9 равна 17мм.
Однако в каскадах на частоту 5760МГц длина λ/4-линий в нагрузке D7, D8, D9 уже короче и равна 7,5мм, поэтому на таком расстоянии от горячих концов линий напаяны дополнительно блокировочные конденсаторы 0402 4,7пФ. Дополнительный каскад усиления со вторым фильтром позволил получить на одном из экземпляров выходную мощность +22dBm.
Фильтры - LFB315G82SN5-996
_________________
Владимир,
ex UC2CED, EU2CED, RC2CA, EU2CA
2019 год - https://observablehq.com/@eu2aa
2017 год - http://eu2aa.com
1992 год - http://eu2aa.qrz.ru
Владимир,
ex UC2CED, EU2CED, RC2CA, EU2CA
2019 год - https://observablehq.com/@eu2aa
2017 год - http://eu2aa.com
1992 год - http://eu2aa.qrz.ru
-
Не в сети
- Site Admin
- Сообщения: 905
- Зарегистрирован: 06 июн 2014 17:31
- Откуда: Молодечно
- Контактная информация:
Re: Генераторы
Генератор вспомогательный 2,4ГГц
Функционально это просто ГУН (Генератор Управляемый Напряжением) + усилитель.
Основные параметры:
Диапазон (2,29-2,41)ГГц
Выходной уровень регулируется вручную в пределах (0-+20)dBm
Напряжение питания от внешнего источника - +(9-13)В
Ток потребления - 120мА Сетевой адаптер ~220В ---> +12В переделал из адаптера ~220В ---> +5В. Заменил стабилитрон на КС512А, домотал 4 витка на трансформатор, заменил выходной электролит 100,0мкФ х 10В на такой же, но на 35В. Появились проблемы:
1.Забывал вынимать вилку с AC-DC из розетки. Пришлось вставить яркий светодиод.
2.ВНИМАНИЕ! Изоляция от сети `220В оставляет желать лучшего, поэтому вывел провод заземления с МИНУС 12В адаптера. На конце штеккер. Вставляю его в гнездо заземления одного из стандартных приборов, который у меня всегда заземлен. Генератор используется:
- совместно с КСВ-метром при настройке антенн,
- при настройке Усилителей Мощности,
- как маяк при измерении усиления антенн.
Электрическая принципиальная схема Перечень элементов
-
Конденсаторы
C2,C3 — 0402 — 1 пФ - 2шт.
C5 — 0402 — 10 пФ - 1шт.
C6,C19 — 0603 — 33 пФ - 2шт.
C7,C9,C20 — 0603 — 560 пФ - 3шт.
C10 — 0603 — 0,01 мkФ - 1шт.
C11 — 0603 — 0,1 мkФ - 1шт.
C16 — 0603 — 10 пФ - 1шт.
C18 — 0603 — 150 пФ - 1шт.
C25 — 0805 — 1,0 мкФ - 1шт.
C26,C43 — Case B-10V-33,0 мkФ - 2шт.
C27,C44,C45 — 0805 — 0,1 мkФ - 3шт.
C35,C36,C39,C100 — 0805 — 1000 пФ - 4шт.
C33,C34,C37,C38 — 0603 — 22 пФ - 7шт.
C102 — SR-16V-100,0 мkФ - 1шт.
-
Микросхемы
D2,D8 — AG604-89G - 2шт.
D7 — NLB310 - 1шт.
D4,D10 — LM1117-5.0 - 2шт.
-
Индуктивности
L1* - (6-8)мм луженки 0,12 - 1шт., изогнутые произвольно
L2-L4 - 08805 - LQW18A-68нГн - 3шт.
-
Резисторы
R1,R6 — 0402 — 4,7 kОм - 2шт.
R3,R5 — 0402 — 100 Ом - 2шт.
R4 — 0603 — 39 kОм - 1шт.
R11 — 0603 — 51 Ом - 1шт.
R13 — 0603 — 0 - 1шт. *можно просто перемычку
R14 — 0603 — 1 kОм - 1шт.
R15 — 0805 — 16 Ом - 1шт.
R21 — 0603 — 620 Ом - 1шт.
R30 — 1206 — 51 Ом - 1шт.
R32 — 0805 — 1 kОм - 1шт.
R33* - 0805 — 390 Ом - 1шт.
R100 — СП3-9а — 6,8 kОм - 1шт. перестройка частоты
R104 - СП3-4а — 100 Ом - 1шт. регулировка выходного уровня
R105* — МЛТ-0,125 — 22,1 kОм - 1шт.
-
Диоды
VD1 - Варикап BB857 - 1шт.
VD100 - S1M
VD101- Светодиод L34HD - 1шт. красный
-
Транзистор
VT1 - BFP420 - 1шт.
-
Разъемы
X2 - SMA-BJ - 1шт.
X101 - K375 - 1шт.
Монтажная схема платы генератора Использована печатная плата из остатков от трансвертера Т2_13
https://observablehq.com/@eu2aa/t2_13
Элементы, не имеющие маркировки на монтажной схеме - НЕ УСТАНАВЛИВАТЬ!
GERBER-файл для заказа плат — https://eu2aa.com/files/T213.zip
Карта регулировки
https://eu2aa.com/pdfs/KR_G5.76.pdf
Функционально это просто ГУН (Генератор Управляемый Напряжением) + усилитель.
Основные параметры:
Диапазон (2,29-2,41)ГГц
Выходной уровень регулируется вручную в пределах (0-+20)dBm
Напряжение питания от внешнего источника - +(9-13)В
Ток потребления - 120мА Сетевой адаптер ~220В ---> +12В переделал из адаптера ~220В ---> +5В. Заменил стабилитрон на КС512А, домотал 4 витка на трансформатор, заменил выходной электролит 100,0мкФ х 10В на такой же, но на 35В. Появились проблемы:
1.Забывал вынимать вилку с AC-DC из розетки. Пришлось вставить яркий светодиод.
2.ВНИМАНИЕ! Изоляция от сети `220В оставляет желать лучшего, поэтому вывел провод заземления с МИНУС 12В адаптера. На конце штеккер. Вставляю его в гнездо заземления одного из стандартных приборов, который у меня всегда заземлен. Генератор используется:
- совместно с КСВ-метром при настройке антенн,
- при настройке Усилителей Мощности,
- как маяк при измерении усиления антенн.
Электрическая принципиальная схема Перечень элементов
-
Конденсаторы
C2,C3 — 0402 — 1 пФ - 2шт.
C5 — 0402 — 10 пФ - 1шт.
C6,C19 — 0603 — 33 пФ - 2шт.
C7,C9,C20 — 0603 — 560 пФ - 3шт.
C10 — 0603 — 0,01 мkФ - 1шт.
C11 — 0603 — 0,1 мkФ - 1шт.
C16 — 0603 — 10 пФ - 1шт.
C18 — 0603 — 150 пФ - 1шт.
C25 — 0805 — 1,0 мкФ - 1шт.
C26,C43 — Case B-10V-33,0 мkФ - 2шт.
C27,C44,C45 — 0805 — 0,1 мkФ - 3шт.
C35,C36,C39,C100 — 0805 — 1000 пФ - 4шт.
C33,C34,C37,C38 — 0603 — 22 пФ - 7шт.
C102 — SR-16V-100,0 мkФ - 1шт.
-
Микросхемы
D2,D8 — AG604-89G - 2шт.
D7 — NLB310 - 1шт.
D4,D10 — LM1117-5.0 - 2шт.
-
Индуктивности
L1* - (6-8)мм луженки 0,12 - 1шт., изогнутые произвольно
L2-L4 - 08805 - LQW18A-68нГн - 3шт.
-
Резисторы
R1,R6 — 0402 — 4,7 kОм - 2шт.
R3,R5 — 0402 — 100 Ом - 2шт.
R4 — 0603 — 39 kОм - 1шт.
R11 — 0603 — 51 Ом - 1шт.
R13 — 0603 — 0 - 1шт. *можно просто перемычку
R14 — 0603 — 1 kОм - 1шт.
R15 — 0805 — 16 Ом - 1шт.
R21 — 0603 — 620 Ом - 1шт.
R30 — 1206 — 51 Ом - 1шт.
R32 — 0805 — 1 kОм - 1шт.
R33* - 0805 — 390 Ом - 1шт.
R100 — СП3-9а — 6,8 kОм - 1шт. перестройка частоты
R104 - СП3-4а — 100 Ом - 1шт. регулировка выходного уровня
R105* — МЛТ-0,125 — 22,1 kОм - 1шт.
-
Диоды
VD1 - Варикап BB857 - 1шт.
VD100 - S1M
VD101- Светодиод L34HD - 1шт. красный
-
Транзистор
VT1 - BFP420 - 1шт.
-
Разъемы
X2 - SMA-BJ - 1шт.
X101 - K375 - 1шт.
Монтажная схема платы генератора Использована печатная плата из остатков от трансвертера Т2_13
https://observablehq.com/@eu2aa/t2_13
Элементы, не имеющие маркировки на монтажной схеме - НЕ УСТАНАВЛИВАТЬ!
GERBER-файл для заказа плат — https://eu2aa.com/files/T213.zip
Карта регулировки
https://eu2aa.com/pdfs/KR_G5.76.pdf
_________________
Владимир,
ex UC2CED, EU2CED, RC2CA, EU2CA
2019 год - https://observablehq.com/@eu2aa
2017 год - http://eu2aa.com
1992 год - http://eu2aa.qrz.ru
Владимир,
ex UC2CED, EU2CED, RC2CA, EU2CA
2019 год - https://observablehq.com/@eu2aa
2017 год - http://eu2aa.com
1992 год - http://eu2aa.qrz.ru
-
Не в сети
- Site Admin
- Сообщения: 905
- Зарегистрирован: 06 июн 2014 17:31
- Откуда: Молодечно
- Контактная информация:
Генератор вспомогательный (5-11) ГГц
Генератор вспомогательный (5-11) ГГц
Функционально это просто ГУН (Генератор Управляемый Напряжением) + усилитель.
Основные параметры:
Диапазон (4,95-11,5)ГГц
Выходной уровень по диапазону (0-+6)dBm
Напряжение питания от внешнего стабилизированного источника - +8В
Ток потребления - 90мА Генератор используется:
- как один из модулей в составе настольного генератора,
- совместно с КСВ-метром при настройке антенн,
- при настройке LNB как источник ситнала 10,5ГГц,
- при настройке Усилителей Мощности,
- как маяк при измерении усиления антенн.
Конструктивно выполнен на двух платах:
- основная, на тонком материале RT/Duroid-6006-0,254 (здесь же перечень используемых элементов) которая напаяна на вторую, вспомогательную плату из FR4-1,5мм. Топология простая,
но если кому-нибудь понадобятся GERBER-файлы для заказа плат - сгенерирую по запросу.
Остались платы от VNA12GHz вот для этой платы кому нужно, поделюсь.
Все равно избыток, лежат без дела.
Функционально это просто ГУН (Генератор Управляемый Напряжением) + усилитель.
Основные параметры:
Диапазон (4,95-11,5)ГГц
Выходной уровень по диапазону (0-+6)dBm
Напряжение питания от внешнего стабилизированного источника - +8В
Ток потребления - 90мА Генератор используется:
- как один из модулей в составе настольного генератора,
- совместно с КСВ-метром при настройке антенн,
- при настройке LNB как источник ситнала 10,5ГГц,
- при настройке Усилителей Мощности,
- как маяк при измерении усиления антенн.
Конструктивно выполнен на двух платах:
- основная, на тонком материале RT/Duroid-6006-0,254 (здесь же перечень используемых элементов) которая напаяна на вторую, вспомогательную плату из FR4-1,5мм. Топология простая,
но если кому-нибудь понадобятся GERBER-файлы для заказа плат - сгенерирую по запросу.
Остались платы от VNA12GHz вот для этой платы кому нужно, поделюсь.
Все равно избыток, лежат без дела.
_________________
Владимир,
ex UC2CED, EU2CED, RC2CA, EU2CA
2019 год - https://observablehq.com/@eu2aa
2017 год - http://eu2aa.com
1992 год - http://eu2aa.qrz.ru
Владимир,
ex UC2CED, EU2CED, RC2CA, EU2CA
2019 год - https://observablehq.com/@eu2aa
2017 год - http://eu2aa.com
1992 год - http://eu2aa.qrz.ru
-
Не в сети
- Site Admin
- Сообщения: 905
- Зарегистрирован: 06 июн 2014 17:31
- Откуда: Молодечно
- Контактная информация:
Генератор вспомогательный (5-11) ГГц
Масса генератора получилась очень малой,
поэтому генератор висит на жестком кабеле (РК50-2-23Ф с пропаянной оплеткой) и разъеме SMA-C58J по маркировке ООО "Бурый медведь" и привинчен за разъем прямо к передней панели общего блока генераторов.
На фото слева внизу Управляющее напряжение подается с 10-ти оборотного потенциометра СП5-44-01-1 по экранированному проводу на конденсатор С17.
Источник управляющего напряжения +33В требует очень хорошую фильтрацию, стабилизацию и экранирование.
поэтому генератор висит на жестком кабеле (РК50-2-23Ф с пропаянной оплеткой) и разъеме SMA-C58J по маркировке ООО "Бурый медведь" и привинчен за разъем прямо к передней панели общего блока генераторов.
На фото слева внизу Управляющее напряжение подается с 10-ти оборотного потенциометра СП5-44-01-1 по экранированному проводу на конденсатор С17.
Источник управляющего напряжения +33В требует очень хорошую фильтрацию, стабилизацию и экранирование.
_________________
Владимир,
ex UC2CED, EU2CED, RC2CA, EU2CA
2019 год - https://observablehq.com/@eu2aa
2017 год - http://eu2aa.com
1992 год - http://eu2aa.qrz.ru
Владимир,
ex UC2CED, EU2CED, RC2CA, EU2CA
2019 год - https://observablehq.com/@eu2aa
2017 год - http://eu2aa.com
1992 год - http://eu2aa.qrz.ru
-
Не в сети
- Site Admin
- Сообщения: 905
- Зарегистрирован: 06 июн 2014 17:31
- Откуда: Молодечно
- Контактная информация:
Генератоы вспомогательный 432МГц
Генератор вспомогательный 432МГц
Диапазон (430-436)МГц
Выходной уровень регулируется вручную в пределах (0-+20)dBm
Напряжение питания от внешнего источника - +(9-13)В через сетевой адаптер
Ток потребления - 95мА
Функционально это ГУН (Генератор Управляемый Напряжением) + усилитель. Генератор используется:
- совместно с КСВ-метром при настройке антенн,
- при настройке Усилителей Мощности,
- как маяк при измерении усиления антенн.
Электрическая принципиальная схема Перечень элементов
-
Конденсаторы
C1,C2 — 0805 — 10 пФ - 2шт.
C3,C4,C6,C9,C20 — 0805 — 1000 пФ - 5шт.
C5,C19 — 0805 — 100 пФ - 1шт.
C7 — 0805 — 15 пФ - 1шт. на разрез
C8 — 0805 — 3,9 пФ - 1шт.
C10 — 0805 — 1,8 пФ - 1шт.
C11,C13 — 0805 — 2 пФ - 2шт.
C12,C15,C16 — 0805 — 0,1 мkФ - 3шт.
C14 — 0805 — 5,6 пФ - 1шт.
-
Микросхемы
D1 — 78L09 (КР1181ЕН9) - 1шт.
-
Индуктивности
L1 - ДПМ-0,6-16мкГн - 1шт.
L2 - 0805 - LQM18A-10мкГн - 1шт.
L3 - 5 витков ПЭВ-0,51 на хвостовике сверла Ø3,5мм - 1шт. на разрез
L4 - 2 витка ПЭВ-0,51 на хвостовике сверла Ø4мм - 1шт.
L5 - 0805 - LQM18A-820нГн - 1шт.
-
Резисторы
R1,R10,R13,R16 — 0805 — 100 kОм - 4шт.
R2,R3,R15 — 0805 — 47 Ом - 3шт.
R4 — 0805 — 20 kОм - 1шт.
R4,R11 — 0805 — 22 kОм - 2шт.
R5 — СП3-9а — 6,8 kОм - 1шт. перестройка частоты
R6 — 0805 — 10 Ом - 1шт.
R7 — МЛТ-0,125 — 1 kОм - 1шт.
R8* — МЛТ-0,125 — 10 kОм - 1шт.
R9* - СП3-9а — 6,8 kОм - 1шт. регулировка выходного уровня
R11— 0805 — 22 kОм - 1шт.
R12* — МЛТ-0,125 — 10 kОм - 1шт.
R14 — 0805 — 16 Ом - 1шт.
R17 — 0805 — 15 kОм - 1шт.
-
Диоды
VD1 - Варикап КВ153А9 - 1шт.
VD2 - Светодиод L34HD - 1шт. красный
-
Транзисторы
VT1 - BFR93 - 1шт.
VT2 - BF998 - 1шт.
VT3 - BFG540 - 1шт.
-
Разъемы
X1 - K375 - 1шт.
X2 - SMA-BJ - 1шт.
Монтажная схема платы генератора R5 — СП3-9а — 6,8 kОм - 1шт. перестройка частоты
R8* — МЛТ-0,125 — 10 kОм и R12* — МЛТ-0,125 — 10 kОм - подбор по требуемому диапазону перестройки частоты
R9 - СП3-9а — 6,8 kОм - 1шт. регулировка выходного уровня На обратной стороне платы стоит только один элемент
- VD2 - красный светодиод L34HD
Диапазон (430-436)МГц
Выходной уровень регулируется вручную в пределах (0-+20)dBm
Напряжение питания от внешнего источника - +(9-13)В через сетевой адаптер
Ток потребления - 95мА
Функционально это ГУН (Генератор Управляемый Напряжением) + усилитель. Генератор используется:
- совместно с КСВ-метром при настройке антенн,
- при настройке Усилителей Мощности,
- как маяк при измерении усиления антенн.
Электрическая принципиальная схема Перечень элементов
-
Конденсаторы
C1,C2 — 0805 — 10 пФ - 2шт.
C3,C4,C6,C9,C20 — 0805 — 1000 пФ - 5шт.
C5,C19 — 0805 — 100 пФ - 1шт.
C7 — 0805 — 15 пФ - 1шт. на разрез
C8 — 0805 — 3,9 пФ - 1шт.
C10 — 0805 — 1,8 пФ - 1шт.
C11,C13 — 0805 — 2 пФ - 2шт.
C12,C15,C16 — 0805 — 0,1 мkФ - 3шт.
C14 — 0805 — 5,6 пФ - 1шт.
-
Микросхемы
D1 — 78L09 (КР1181ЕН9) - 1шт.
-
Индуктивности
L1 - ДПМ-0,6-16мкГн - 1шт.
L2 - 0805 - LQM18A-10мкГн - 1шт.
L3 - 5 витков ПЭВ-0,51 на хвостовике сверла Ø3,5мм - 1шт. на разрез
L4 - 2 витка ПЭВ-0,51 на хвостовике сверла Ø4мм - 1шт.
L5 - 0805 - LQM18A-820нГн - 1шт.
-
Резисторы
R1,R10,R13,R16 — 0805 — 100 kОм - 4шт.
R2,R3,R15 — 0805 — 47 Ом - 3шт.
R4 — 0805 — 20 kОм - 1шт.
R4,R11 — 0805 — 22 kОм - 2шт.
R5 — СП3-9а — 6,8 kОм - 1шт. перестройка частоты
R6 — 0805 — 10 Ом - 1шт.
R7 — МЛТ-0,125 — 1 kОм - 1шт.
R8* — МЛТ-0,125 — 10 kОм - 1шт.
R9* - СП3-9а — 6,8 kОм - 1шт. регулировка выходного уровня
R11— 0805 — 22 kОм - 1шт.
R12* — МЛТ-0,125 — 10 kОм - 1шт.
R14 — 0805 — 16 Ом - 1шт.
R17 — 0805 — 15 kОм - 1шт.
-
Диоды
VD1 - Варикап КВ153А9 - 1шт.
VD2 - Светодиод L34HD - 1шт. красный
-
Транзисторы
VT1 - BFR93 - 1шт.
VT2 - BF998 - 1шт.
VT3 - BFG540 - 1шт.
-
Разъемы
X1 - K375 - 1шт.
X2 - SMA-BJ - 1шт.
Монтажная схема платы генератора R5 — СП3-9а — 6,8 kОм - 1шт. перестройка частоты
R8* — МЛТ-0,125 — 10 kОм и R12* — МЛТ-0,125 — 10 kОм - подбор по требуемому диапазону перестройки частоты
R9 - СП3-9а — 6,8 kОм - 1шт. регулировка выходного уровня На обратной стороне платы стоит только один элемент
- VD2 - красный светодиод L34HD
_________________
Владимир,
ex UC2CED, EU2CED, RC2CA, EU2CA
2019 год - https://observablehq.com/@eu2aa
2017 год - http://eu2aa.com
1992 год - http://eu2aa.qrz.ru
Владимир,
ex UC2CED, EU2CED, RC2CA, EU2CA
2019 год - https://observablehq.com/@eu2aa
2017 год - http://eu2aa.com
1992 год - http://eu2aa.qrz.ru
-
Не в сети
- Site Admin
- Сообщения: 905
- Зарегистрирован: 06 июн 2014 17:31
- Откуда: Молодечно
- Контактная информация:
Re: Генераторы вспомогательные
Генератор вспомогательный 144МГц
Диапазон (143-146)МГц
Выходной уровень регулируется вручную в пределах (0-+20)dBm
Напряжение питания от внешнего источника - +(9-13)В
Ток потребления - 90мА
Электрическая принципиальная схема Отличия от генератора на 432МГц - незначительные:
Конденсаторы
C1,C2 — 0805 — 30 пФ - 2шт.
Индуктивности
L3 - 10 витков ПЭВ-0,51 на хвостовике сверла Ø3,5мм - 1шт.
L5 - 6 витков ПЭВ-0,51 на хвостовике сверла Ø4мм - 1шт. Монтажная схема
Диапазон (143-146)МГц
Выходной уровень регулируется вручную в пределах (0-+20)dBm
Напряжение питания от внешнего источника - +(9-13)В
Ток потребления - 90мА
Электрическая принципиальная схема Отличия от генератора на 432МГц - незначительные:
Конденсаторы
C1,C2 — 0805 — 30 пФ - 2шт.
Индуктивности
L3 - 10 витков ПЭВ-0,51 на хвостовике сверла Ø3,5мм - 1шт.
L5 - 6 витков ПЭВ-0,51 на хвостовике сверла Ø4мм - 1шт. Монтажная схема
_________________
Владимир,
ex UC2CED, EU2CED, RC2CA, EU2CA
2019 год - https://observablehq.com/@eu2aa
2017 год - http://eu2aa.com
1992 год - http://eu2aa.qrz.ru
Владимир,
ex UC2CED, EU2CED, RC2CA, EU2CA
2019 год - https://observablehq.com/@eu2aa
2017 год - http://eu2aa.com
1992 год - http://eu2aa.qrz.ru
-
Не в сети
- Site Admin
- Сообщения: 905
- Зарегистрирован: 06 июн 2014 17:31
- Откуда: Молодечно
- Контактная информация:
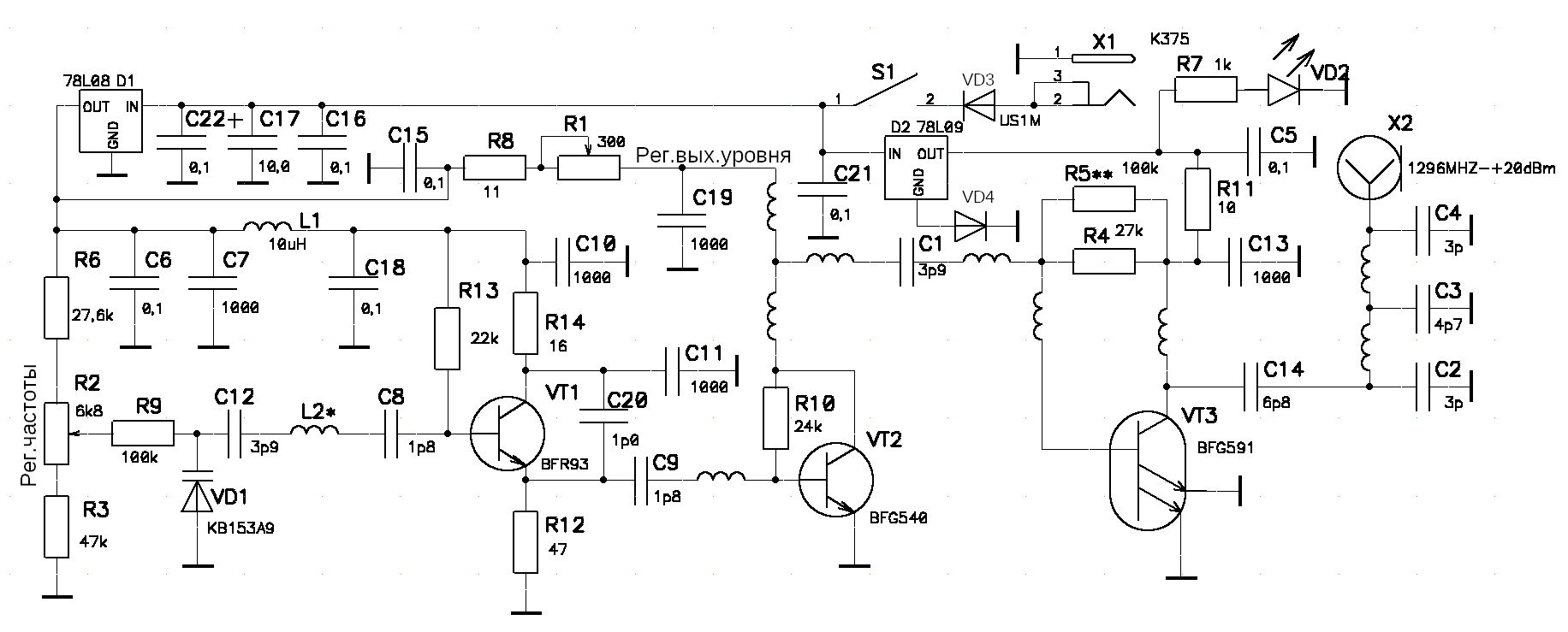
Генератор вспомогательный 1296МГц
Генератор вспомогательный 1296МГц
Диапазон (1293-1300)МГц
Выходной уровень регулируется вручную в пределах (0-+20)dBm
Напряжение питания от внешнего источника - +(9-13)В
Ток потребления - 110мА
Функционально это ГУН (Генератор Управляемый Напряжением) + усилитель.
Генератор используется:
- совместно с КСВ-метром при настройке антенн,
- при настройке Усилителей Мощности,
- как маяк при измерении усиления антенн.
Электрическая принципиальная схема Перечень элементов
-
Конденсаторы
C1,C2 — 0805 — 3,9 пФ - 2шт.
C2,C4 — 0805 — 3 пФ - 2шт.
C3 — 0805 — 4,7 пФ - 6шт.
C5,C6,C15,C16,C21,C22 — 0805 — 0,1 мkФ - 6шт.
C7,C10,C11,C13,C19 — 0805 — 1000 пФ - 5шт.
C8,C9 — 0805 — 1,8 пФ - 2шт.
C14 — 0805 — 6,8 пФ - 1шт.
C17,C18 — К50-35-25В-10,0 мkФ - 2шт.
C20 — 0805 — 1,0 пФ - 1шт.
-
Микросхемы
D1 — 78L08 (КР1181ЕН8) - 1шт.
D2 — 78L09 (КР1181ЕН9) - 1шт. на разрез дорожки
-
Индуктивности
L1 - 0805 - LQM18A-10мкГн - 1шт.
L2* - если не удастся попасть сразу на нужную частоту, то разрезать и установить навесную перемычку
L3,L4 - скоба из провода Ø0,3мм (0,75 витка на хвостовике сверла Ø4мм)
-
Резисторы
R1* - СП4-1 — 300 Ом - 1шт. перестройка частоты
R2 — СП3-9а — 6,8 kОм - 1шт. регулировка выходного уровня
R3* — МЛТ-0,125 — 47 kОм - 1шт.
R4 — 0805 — 27 kОм - 1шт.
R5** — 0805 — 100 kОм - 1шт.
R6* — МЛТ-0,125 — 27,6 kОм - 1шт.
R7 — МЛТ-0,125 — 1 kОм - 1шт.
R8* — МЛТ-0,125 — 11 Ом - 1шт.
R9 — 0805 — 100 kОм - 1шт.
R10 — 0805 — 24 kОм - 1шт.
R11 — 0805 — 10 Ом - 1шт.
R12 — 0805 — 47 Ом - 1шт.
R13 — 0805 — 22 kОм - 1шт.
R14 — 0805 — 16 Ом - 1шт.
-
S1 - кнопка МП7
-
Диоды
VD1 - Варикап КВ153А9 - 1шт.
VD2 - Светодиод L34HD - 1шт. красный
VD2 - Диод US1M
VD2 - Диод LL4148 (на разрез дорожки) *может даже два.
-
Транзисторы
VT1 - BFR93 - 1шт.
VT2 - BFG540 - 1шт.
VT3 - BFG591 - 1шт.
-
Разъемы
X1 - K375 - 1шт.
X2 - SMA-BJ - 1шт.
Монтажная схема платы генератора R1 - СП4-1 — 300 Ом - 1шт. перестройка частоты
R3 — МЛТ-0,125 — 47 kОм - 1шт. и R6 — МЛТ-0,125 — 27,6 kОм - 1шт. - подбор по требуемому диапазону перестройки частоты
R2 — СП3-9а — 6,8 kОм - 1шт. регулировка выходного уровня
R8* — МЛТ-0,125 — 11 Ом - 1шт. - подбор по требуемому диапазону регулировки выходного уровня
Настройка генератора 1. Настройка диапазона частот
Заменяем R3 и R6 на переменные и выкручиваем ЖЕЛАЕМЫЙ диапазон перестройки по частоте, потом последовательно заменяя их на постоянные МЛТ-0,125, можно и цепочками из нескольких.
2. Настройка диапазона перестройки выходного уровня (0-+20)dBm - 100мВт
Возможно, потребуется подобрать номинал переменного сопротивления R1, чтобы достичь диапазона перестройки выходного уровня (0-+20)dBm.
Если не удается достигнуть выходного уровня +20dBm, то можно:
- погнуть выходные скобы-индуктивности ФНЧ1300,
- увеличить напряжение стабилизатора D2 до (10-12)В.
Диапазон (1293-1300)МГц
Выходной уровень регулируется вручную в пределах (0-+20)dBm
Напряжение питания от внешнего источника - +(9-13)В
Ток потребления - 110мА
Функционально это ГУН (Генератор Управляемый Напряжением) + усилитель.
Генератор используется:
- совместно с КСВ-метром при настройке антенн,
- при настройке Усилителей Мощности,
- как маяк при измерении усиления антенн.
Электрическая принципиальная схема Перечень элементов
-
Конденсаторы
C1,C2 — 0805 — 3,9 пФ - 2шт.
C2,C4 — 0805 — 3 пФ - 2шт.
C3 — 0805 — 4,7 пФ - 6шт.
C5,C6,C15,C16,C21,C22 — 0805 — 0,1 мkФ - 6шт.
C7,C10,C11,C13,C19 — 0805 — 1000 пФ - 5шт.
C8,C9 — 0805 — 1,8 пФ - 2шт.
C14 — 0805 — 6,8 пФ - 1шт.
C17,C18 — К50-35-25В-10,0 мkФ - 2шт.
C20 — 0805 — 1,0 пФ - 1шт.
-
Микросхемы
D1 — 78L08 (КР1181ЕН8) - 1шт.
D2 — 78L09 (КР1181ЕН9) - 1шт. на разрез дорожки
-
Индуктивности
L1 - 0805 - LQM18A-10мкГн - 1шт.
L2* - если не удастся попасть сразу на нужную частоту, то разрезать и установить навесную перемычку
L3,L4 - скоба из провода Ø0,3мм (0,75 витка на хвостовике сверла Ø4мм)
-
Резисторы
R1* - СП4-1 — 300 Ом - 1шт. перестройка частоты
R2 — СП3-9а — 6,8 kОм - 1шт. регулировка выходного уровня
R3* — МЛТ-0,125 — 47 kОм - 1шт.
R4 — 0805 — 27 kОм - 1шт.
R5** — 0805 — 100 kОм - 1шт.
R6* — МЛТ-0,125 — 27,6 kОм - 1шт.
R7 — МЛТ-0,125 — 1 kОм - 1шт.
R8* — МЛТ-0,125 — 11 Ом - 1шт.
R9 — 0805 — 100 kОм - 1шт.
R10 — 0805 — 24 kОм - 1шт.
R11 — 0805 — 10 Ом - 1шт.
R12 — 0805 — 47 Ом - 1шт.
R13 — 0805 — 22 kОм - 1шт.
R14 — 0805 — 16 Ом - 1шт.
-
S1 - кнопка МП7
-
Диоды
VD1 - Варикап КВ153А9 - 1шт.
VD2 - Светодиод L34HD - 1шт. красный
VD2 - Диод US1M
VD2 - Диод LL4148 (на разрез дорожки) *может даже два.
-
Транзисторы
VT1 - BFR93 - 1шт.
VT2 - BFG540 - 1шт.
VT3 - BFG591 - 1шт.
-
Разъемы
X1 - K375 - 1шт.
X2 - SMA-BJ - 1шт.
Монтажная схема платы генератора R1 - СП4-1 — 300 Ом - 1шт. перестройка частоты
R3 — МЛТ-0,125 — 47 kОм - 1шт. и R6 — МЛТ-0,125 — 27,6 kОм - 1шт. - подбор по требуемому диапазону перестройки частоты
R2 — СП3-9а — 6,8 kОм - 1шт. регулировка выходного уровня
R8* — МЛТ-0,125 — 11 Ом - 1шт. - подбор по требуемому диапазону регулировки выходного уровня
Настройка генератора 1. Настройка диапазона частот
Заменяем R3 и R6 на переменные и выкручиваем ЖЕЛАЕМЫЙ диапазон перестройки по частоте, потом последовательно заменяя их на постоянные МЛТ-0,125, можно и цепочками из нескольких.
2. Настройка диапазона перестройки выходного уровня (0-+20)dBm - 100мВт
Возможно, потребуется подобрать номинал переменного сопротивления R1, чтобы достичь диапазона перестройки выходного уровня (0-+20)dBm.
Если не удается достигнуть выходного уровня +20dBm, то можно:
- погнуть выходные скобы-индуктивности ФНЧ1300,
- увеличить напряжение стабилизатора D2 до (10-12)В.
_________________
Владимир,
ex UC2CED, EU2CED, RC2CA, EU2CA
2019 год - https://observablehq.com/@eu2aa
2017 год - http://eu2aa.com
1992 год - http://eu2aa.qrz.ru
Владимир,
ex UC2CED, EU2CED, RC2CA, EU2CA
2019 год - https://observablehq.com/@eu2aa
2017 год - http://eu2aa.com
1992 год - http://eu2aa.qrz.ru
-
Не в сети
- Site Admin
- Сообщения: 905
- Зарегистрирован: 06 июн 2014 17:31
- Откуда: Молодечно
- Контактная информация:
Re: Генераторы вспомогательные
Для генераторов на 144 и 432 нашел большие остатки печатных плат,
больше, чем у нас УКВистов,
на 1296 тоже есть кому нужно, напишите, вышлю простым письмом
больше, чем у нас УКВистов,
на 1296 тоже есть кому нужно, напишите, вышлю простым письмом
_________________
Владимир,
ex UC2CED, EU2CED, RC2CA, EU2CA
2019 год - https://observablehq.com/@eu2aa
2017 год - http://eu2aa.com
1992 год - http://eu2aa.qrz.ru
Владимир,
ex UC2CED, EU2CED, RC2CA, EU2CA
2019 год - https://observablehq.com/@eu2aa
2017 год - http://eu2aa.com
1992 год - http://eu2aa.qrz.ru
-
Не в сети
- Site Admin
- Сообщения: 2581
- Зарегистрирован: 26 май 2009 04:38
- Откуда: РБ
Re: Генераторы вспомогательные
Владимир Ильич, это все эти генераторы в одном корпусе ?
Красота !!!
_________________
73! Сергей ex.EU2A, UC2CBT, UC2-009-602, Citizen Band - Лайнер, 251. On the air since 1980
Site Admin QRZ.BY
73! Сергей ex.EU2A, UC2CBT, UC2-009-602, Citizen Band - Лайнер, 251. On the air since 1980
Site Admin QRZ.BY
-
Не в сети
- Site Admin
- Сообщения: 905
- Зарегистрирован: 06 июн 2014 17:31
- Откуда: Молодечно
- Контактная информация:
Re: Генераторы вспомогательные
нет, в корпусе только три модуля:
- (1250-4390)МГц,
- (4200-6400)МГц и
- (4950-11900)МГц.
Первые ДВА модуля мне сделал Сергей Николаевич, EW1AA, схем нет,
а третий описан здесь http://qrz.by/forum/viewtopic.php?f=50&t=10389#p79789
- (1250-4390)МГц,
- (4200-6400)МГц и
- (4950-11900)МГц.
Первые ДВА модуля мне сделал Сергей Николаевич, EW1AA, схем нет,
а третий описан здесь http://qrz.by/forum/viewtopic.php?f=50&t=10389#p79789
_________________
Владимир,
ex UC2CED, EU2CED, RC2CA, EU2CA
2019 год - https://observablehq.com/@eu2aa
2017 год - http://eu2aa.com
1992 год - http://eu2aa.qrz.ru
Владимир,
ex UC2CED, EU2CED, RC2CA, EU2CA
2019 год - https://observablehq.com/@eu2aa
2017 год - http://eu2aa.com
1992 год - http://eu2aa.qrz.ru
-
Не в сети
- Сообщения: 855
- Зарегистрирован: 26 май 2013 10:07
- Откуда: Минск, KO33
Re: Генераторы вспомогательные
Для минчан, следующих путём, указанным Ильичем, объявляется раздача (абсолютно безвозмездно, т.е. даром) слонов
В наличии платы для генераторов 144, 430, 1296 (ограниченное количество) МГц, а также, парочка плат VNA 12G.
Желающие сбрасывают свои координаты в ЛС.

Остальным, кроме Минска, EU2AA вышлет сам.
В наличии платы для генераторов 144, 430, 1296 (ограниченное количество) МГц, а также, парочка плат VNA 12G.
Желающие сбрасывают свои координаты в ЛС.
Остальным, кроме Минска, EU2AA вышлет сам.
_________________
73! EW1Q
ex EU1AQ, UC2AAQ
73! EW1Q
ex EU1AQ, UC2AAQ
-
Не в сети
- Site Admin
- Сообщения: 905
- Зарегистрирован: 06 июн 2014 17:31
- Откуда: Молодечно
- Контактная информация:
Генератор на 5760МГц
Генератор на 5760МГц
-
Дополнение
-
При новом изготовлении использовал плату от трансвертера на 2400, для этой частоты длина λ/4-линий в нагрузке D7, D8, D9 равна 17мм.
Однако в каскадах на частоту 5760МГц длина λ/4-линий в нагрузке D7, D8, D9 уже короче и равна 7,5мм, поэтому на таком расстоянии от горячих концов линий напаяны дополнительно блокировочные конденсаторы 0402 4,7пФ. Дополнительный каскад усиления со вторым фильтром позволил получить на одном из экземпляров на 5760МГц выходную мощность - +22dBm.
Фильтры Z1 и Z2 - LFB315G82SN5-996
-
Дополнение
-
При новом изготовлении использовал плату от трансвертера на 2400, для этой частоты длина λ/4-линий в нагрузке D7, D8, D9 равна 17мм.
Однако в каскадах на частоту 5760МГц длина λ/4-линий в нагрузке D7, D8, D9 уже короче и равна 7,5мм, поэтому на таком расстоянии от горячих концов линий напаяны дополнительно блокировочные конденсаторы 0402 4,7пФ. Дополнительный каскад усиления со вторым фильтром позволил получить на одном из экземпляров на 5760МГц выходную мощность - +22dBm.
Фильтры Z1 и Z2 - LFB315G82SN5-996
_________________
Владимир,
ex UC2CED, EU2CED, RC2CA, EU2CA
2019 год - https://observablehq.com/@eu2aa
2017 год - http://eu2aa.com
1992 год - http://eu2aa.qrz.ru
Владимир,
ex UC2CED, EU2CED, RC2CA, EU2CA
2019 год - https://observablehq.com/@eu2aa
2017 год - http://eu2aa.com
1992 год - http://eu2aa.qrz.ru
-
Не в сети
- Site Admin
- Сообщения: 905
- Зарегистрирован: 06 июн 2014 17:31
- Откуда: Молодечно
- Контактная информация:
Re: Генераторы от 144МГц до 11ГГц своими руками
Для настройки 150W ШПУ (144-2400)МГц мне потребовался генератор на 4 частоты: 144, 432, 1296 и 2400МГц.
-
Сделал просто 4 генератора на 4 платах, описанных выше,
спаял их, уже настроенные, в виде коробочки,
сделал общий выходной каскад на MAAM-009560, презентованный EW1Q,
на один ОБЩИЙ разъем SMA,
в этом каскаде сделал регулировку выходного уровня.
-
Кнопки РТТ сделал отдельными так,
что при нажатии любой из 4-х кнопок генератор выдает именно ту частоту, которую нужно.
-
Напряжение питания +12В.
В положении регулятора выходного уровня +20dBm генераторы выдают:
144 - +20,4dBm ток потребления=270мА вторая гармоника -15dB третья -20dB
432 - +20,7,1dBm ток потребления=310мА вторая гармоника -23dB третья -35dB
1296- +19,98dBm ток потребления=320мА вторая гармоника -30dB
2400 - +19,6dBm ток потребления=320мА
Регулировка выходной мощности - от минус 3dBm до +20dBm.
При снижении выходной мощности ток потребления снижается.
-
Ток потребляется ТОЛЬКО при НАЖАТИИ одной из кнопок.
-
Сделал просто 4 генератора на 4 платах, описанных выше,
спаял их, уже настроенные, в виде коробочки,
сделал общий выходной каскад на MAAM-009560, презентованный EW1Q,
на один ОБЩИЙ разъем SMA,
в этом каскаде сделал регулировку выходного уровня.
-
Кнопки РТТ сделал отдельными так,
что при нажатии любой из 4-х кнопок генератор выдает именно ту частоту, которую нужно.
-
Напряжение питания +12В.
В положении регулятора выходного уровня +20dBm генераторы выдают:
144 - +20,4dBm ток потребления=270мА вторая гармоника -15dB третья -20dB
432 - +20,7,1dBm ток потребления=310мА вторая гармоника -23dB третья -35dB
1296- +19,98dBm ток потребления=320мА вторая гармоника -30dB
2400 - +19,6dBm ток потребления=320мА
Регулировка выходной мощности - от минус 3dBm до +20dBm.
При снижении выходной мощности ток потребления снижается.
-
Ток потребляется ТОЛЬКО при НАЖАТИИ одной из кнопок.
_________________
Владимир,
ex UC2CED, EU2CED, RC2CA, EU2CA
2019 год - https://observablehq.com/@eu2aa
2017 год - http://eu2aa.com
1992 год - http://eu2aa.qrz.ru
Владимир,
ex UC2CED, EU2CED, RC2CA, EU2CA
2019 год - https://observablehq.com/@eu2aa
2017 год - http://eu2aa.com
1992 год - http://eu2aa.qrz.ru
-
Не в сети
- Сообщения: 78
- Зарегистрирован: 23 апр 2013 20:44
Re: Генераторы от 144МГц до 11ГГц своими руками
Такое, конечно, вызывает искреннее восхищение! Но не проще ли использовать что-нибудь типа ADF5610?
https://www.analog.com/media/en/technic ... DF5610.pdf
73! Дима.
https://www.analog.com/media/en/technic ... DF5610.pdf
73! Дима.
_________________
73! EU1CC
73! EU1CC
-
Не в сети
- Сообщения: 855
- Зарегистрирован: 26 май 2013 10:07
- Откуда: Минск, KO33
Re: Генераторы от 144МГц до 11ГГц своими руками
Как минимум, не дешевле: https://www.digikey.com/en/products/det ... Z/10249599 Ну и кетайские братья пока не освоили производство отладочных плат.DimaS писал(а):Такое, конечно, вызывает искреннее восхищение! Но не проще ли использовать что-нибудь типа ADF5610?
https://www.analog.com/media/en/technic ... DF5610.pdf
73! Дима.
_________________
73! EW1Q
ex EU1AQ, UC2AAQ
73! EW1Q
ex EU1AQ, UC2AAQ
-
Не в сети
- Site Admin
- Сообщения: 905
- Зарегистрирован: 06 июн 2014 17:31
- Откуда: Молодечно
- Контактная информация:
Re: Генераторы от 144МГц до 11ГГц своими руками
Одиночными генераторами я пользуюсь уже свыше 10 лет,DimaS писал(а):Такое, конечно, вызывает искреннее восхищение! Но не проще ли использовать что-нибудь типа ADF5610?
https://www.analog.com/media/en/technic ... DF5610.pdf
73! Дима.
ADF5610 появилась в 2019 году, а купить её и в этом, 2021 году непросто.
-
Когда разработаете, напишете программу и получите фазовые шумы хотя бы минус 130dBc,
я с удовольствием повторю Вашу конструкцию, Дима.
_________________
Владимир,
ex UC2CED, EU2CED, RC2CA, EU2CA
2019 год - https://observablehq.com/@eu2aa
2017 год - http://eu2aa.com
1992 год - http://eu2aa.qrz.ru
Владимир,
ex UC2CED, EU2CED, RC2CA, EU2CA
2019 год - https://observablehq.com/@eu2aa
2017 год - http://eu2aa.com
1992 год - http://eu2aa.qrz.ru
-
Не в сети
- Сообщения: 855
- Зарегистрирован: 26 май 2013 10:07
- Откуда: Минск, KO33
Re: Генераторы от 144МГц до 11ГГц своими руками
Конструкция конечно зачетная. Особенно, если учитывать, что сделана она из того, что уже было под руками. Если нужен генератор до 4.4 (6) Гиг с меньшей трудоемкостью изготовления, вполне можно использовать ADF4351 (MAX2870/71). На посторах Али хватает платок типа отладочных от ADI и занидорога. Один из вариантов по мотивам генератора от DD7LP http://www.darc-husum.de/Frequenzsynthesizer.html (Ни разу не является конкурентом описанного выше
): Чем он удобен - имеется возможность выбора заранее предустановленных (в прошивке) частот из всего диапазона 35-4400 МГц, имеется возможность подключения внешнего высокостабильного опорника 10 МГц, имеется регулировка выходного уровня -4 +5 дБм (правда, по умолчанию всего 4 значения, но можно доработать скетч), встроенный усилитель (2 канала на MGA30689, но можно применить любые подходящие в SOT89 и включить оба каскада последовательно. У меня так и сделано - 1-й выход непосредственно с ADF4351, а второй через 2-х каскадный усилитель. Уровень после усилителя порядка +20 дБм).Ну и можно использовать, как обычный генератор. Управляется плата ADF4351 Ардуиной нано. Описание конструкции, включая скетч, доступно на сайте DD7LP по ссылке выше.
MAX2870 (сама мелкосхема по ногам, сигналам и командам управления совместима с ADF4351): https://aliexpress.ru/item/100500230729 ... web201603_
https://aliexpress.ru/item/100500135485 ... web201603_
Для тех, кому нужно больше: https://aliexpress.ru/item/400009370689 ... web201603_

MAX2870 (сама мелкосхема по ногам, сигналам и командам управления совместима с ADF4351): https://aliexpress.ru/item/100500230729 ... web201603_
https://aliexpress.ru/item/100500135485 ... web201603_
Для тех, кому нужно больше: https://aliexpress.ru/item/400009370689 ... web201603_
Последний раз редактировалось eu1aq 22 сен 2021 19:48, всего редактировалось 4 раза.
_________________
73! EW1Q
ex EU1AQ, UC2AAQ
73! EW1Q
ex EU1AQ, UC2AAQ
-
Не в сети
- Сообщения: 855
- Зарегистрирован: 26 май 2013 10:07
- Откуда: Минск, KO33
Re: Генераторы вспомогательные
Еще немного осталось ...eu1aq писал(а):Для минчан, следующих путём, указанным Ильичем, объявляется раздача (абсолютно безвозмездно, т.е. даром) слонов![]()
В наличии платы для генераторов 144, 430, 1296 (ограниченное количество) МГц.
Желающие сбрасывают свои координаты в ЛС.
_________________
73! EW1Q
ex EU1AQ, UC2AAQ
73! EW1Q
ex EU1AQ, UC2AAQ
-
Не в сети
- Сообщения: 106
- Зарегистрирован: 09 июл 2013 05:22
Re: Генераторы от 144МГц до 11ГГц своими руками
Рискну вставить свои "пять копеек"... Тоже генератор 100khz-4.4Ghz Элементная база: Ардуино SI5351 , ADF4351 ATT PE-4302 в диапазоне 100Mhz-4.4Ghz и от Х1-49 в диапазоне 100khz-160Mhz В опоре либо кварц с подогревом от "Маяка" либо от Gps синхронизируемого генератора-переключается... Автор конструкции и SERBUS VHFDX.ru Извиняюсь за внешний вид конструкции , но к сожалению, такие работы мне не доступны...