SDR PLUTO. 144МГц и выше
SDR-позиция для работы через QO-100
*поступали вопросы, внес дополнения и кооректировки
-
Электрическая принципиальная схема
Часть расположена в Операторской, часть в Коробке у окна, а парабола с патчем и LNB - уже за окном.
1. На рабочем месте кроме ноутбука располагается SDR-модуль ADALM-PLUTO,
предварительный УМ1
стрелочник для контроля тока основного УМ 10Вт,
телеграфный ключ с манипулятором и педаль РТТ.
Сигнал TX передатчика PLUTO с мощностью +3dBm частотой 2,4ГГц,
усиливается в предварительном УМ1 до уровня +23dBm,
затем подается в кабель длиной 25 метров, в котором он затухает до мощности 0dBm.
Этой мощности достаточно для раскачки основного УМ до 10Вт(+40dBm).
РТТ подается по центральной жиле кабеля.
При нажатии РТТ в предварительном усилителе УМ1 корпус подается в центральную жилу кабеля.
Внутри УМ10Вт через цепочку L3, C3 происходит управление ПРИЕМ/ПЕРЕДАЧА УМ10Вт.
L3=820нГн.
Пара трехполюсных розеток Щуко, в одну из них встоен Индикатор сети на светодиоде L517HGW
2.Вынесены на 25 метров в Коробку у окна:
Основной УМ 10Вт версии V3.1
и пара AC-DC, каждый по +12V - 4A.
3.За окном Patch с дисковым облучателем и LNB Octagon Single LO
SDR PLUTO. 144МГц и выше
- Автор
- Сообщение
-
Не в сети
- Site Admin
- Сообщения: 905
- Зарегистрирован: 06 июн 2014 17:31
- Откуда: Молодечно
- Контактная информация:
SDR PLUTO. 144МГц и выше
_________________
Владимир,
ex UC2CED, EU2CED, RC2CA, EU2CA
2019 год - https://observablehq.com/@eu2aa
2017 год - http://eu2aa.com
1992 год - http://eu2aa.qrz.ru
Владимир,
ex UC2CED, EU2CED, RC2CA, EU2CA
2019 год - https://observablehq.com/@eu2aa
2017 год - http://eu2aa.com
1992 год - http://eu2aa.qrz.ru
-
Не в сети
- Site Admin
- Сообщения: 905
- Зарегистрирован: 06 июн 2014 17:31
- Откуда: Молодечно
- Контактная информация:
Re: SDR-позиция для работы через QO-100
4.Рекомендую в обязательном порядке заземлить ноутбук (корпус компьютера) (или хотя бы соединить шину "минус" ноутбука с корпусом трансивера).
Зачем?
При втыкании кабеля USB в PLUTO контакты соединяются в случайной последовательности.
И не факт, что КОРПУСА соединятся ПЕРВЫМИ ...
У меня такое случилось и PLUTO пришлось ремонтировать.
После этого на сетевом БП припаял к минусовому проводу отросток ~100мм с гнездом 4мм. Туда воткнул штеккер и соединил шину "минус" ноутбука с корпусом трансивера.
Для тех, кто не внемлет моей рекомендации, привожу две схемы PLUTO, пригодятся для ремонта: Пришлось заменить U15 USB3320-EZK и U16 ADP198ACBZ-11
Зачем?
При втыкании кабеля USB в PLUTO контакты соединяются в случайной последовательности.
И не факт, что КОРПУСА соединятся ПЕРВЫМИ ...
У меня такое случилось и PLUTO пришлось ремонтировать.
После этого на сетевом БП припаял к минусовому проводу отросток ~100мм с гнездом 4мм. Туда воткнул штеккер и соединил шину "минус" ноутбука с корпусом трансивера.
Для тех, кто не внемлет моей рекомендации, привожу две схемы PLUTO, пригодятся для ремонта: Пришлось заменить U15 USB3320-EZK и U16 ADP198ACBZ-11
_________________
Владимир,
ex UC2CED, EU2CED, RC2CA, EU2CA
2019 год - https://observablehq.com/@eu2aa
2017 год - http://eu2aa.com
1992 год - http://eu2aa.qrz.ru
Владимир,
ex UC2CED, EU2CED, RC2CA, EU2CA
2019 год - https://observablehq.com/@eu2aa
2017 год - http://eu2aa.com
1992 год - http://eu2aa.qrz.ru
-
Не в сети
- Site Admin
- Сообщения: 905
- Зарегистрирован: 06 июн 2014 17:31
- Откуда: Молодечно
- Контактная информация:
Re: SDR-позиция для работы через QO-100
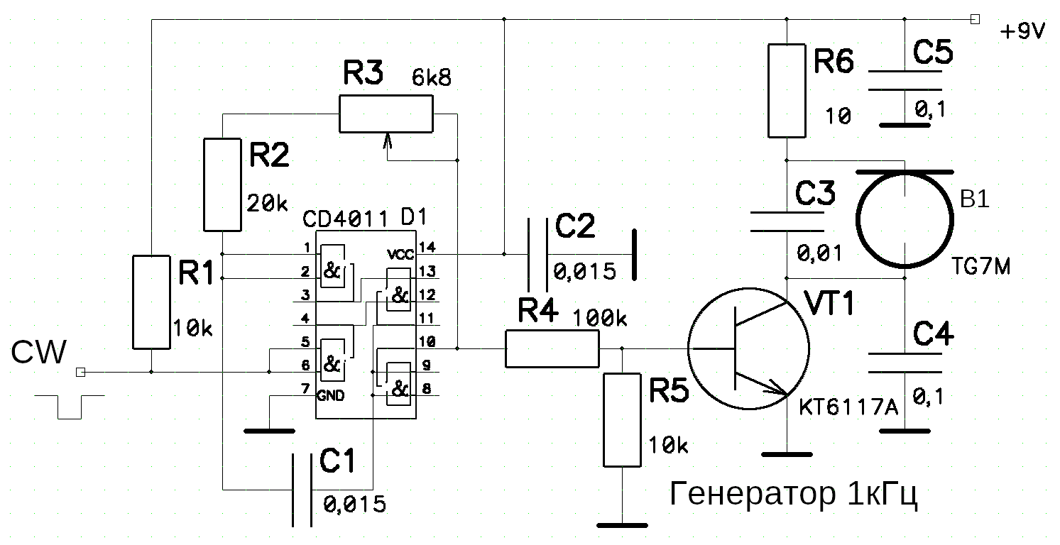
7. Телеграфный режим с помощью тонального генератора 1кгц,
размещенного в общем футляре рядом с микрофоном
Схема через акустическую связь Это удобно, когда в комнате тишина.
Если шумно, то придется использовать схему с доработкой USB-микрофона
размещенного в общем футляре рядом с микрофоном
Схема через акустическую связь Это удобно, когда в комнате тишина.
Если шумно, то придется использовать схему с доработкой USB-микрофона
_________________
Владимир,
ex UC2CED, EU2CED, RC2CA, EU2CA
2019 год - https://observablehq.com/@eu2aa
2017 год - http://eu2aa.com
1992 год - http://eu2aa.qrz.ru
Владимир,
ex UC2CED, EU2CED, RC2CA, EU2CA
2019 год - https://observablehq.com/@eu2aa
2017 год - http://eu2aa.com
1992 год - http://eu2aa.qrz.ru
-
Не в сети
- Site Admin
- Сообщения: 905
- Зарегистрирован: 06 июн 2014 17:31
- Откуда: Молодечно
- Контактная информация:
Кавитационный фильтр на 739 МГц
На выходе LNB присутствуют продукты преобразования и шумы в широкой полосе частот от 50МГц до нескольких ГГц.
Поработал ножовкой и паяльником и сделал образец кавитационного фильтра на частоту 739МГц.
Включение его на входе RX PLUTO снизило зашумленность, уровень шумов упал на 10db, кроме того исчезли сигналы неведомых станций,
которые ранее (без фильтра 739МГц) лезли то тут, то там.
Подробно динамические характеристики в формате markdown можно посмотреть здесь.
-
Последовательность сборки кавитационного фильтра 739МГц -
Конструкция 2-х звенного кавитационного фильтра 739МГц L1=110mm. L2=104mm. L3=100mm. L4=21mm.
Трубка с внешним Ø7мм и внутренним Ø6мм
Центральный проводник - биметалл медь-сталь Ø1,5мм
-
Где добыть трубку Ø7мм?
Всем известна антенна с подъемником и трубами Ø55мм, в траверсе антенны и есть такая трубка.
Это самый простой путь -
Поскольку файлы с расширением . avif сайт тоже не допускает, привожу характеристики в упрощенном виде -
*будут вопросы - отвечу здесь.
Поработал ножовкой и паяльником и сделал образец кавитационного фильтра на частоту 739МГц.
Включение его на входе RX PLUTO снизило зашумленность, уровень шумов упал на 10db, кроме того исчезли сигналы неведомых станций,
которые ранее (без фильтра 739МГц) лезли то тут, то там.
Подробно динамические характеристики в формате markdown можно посмотреть здесь.
-
Последовательность сборки кавитационного фильтра 739МГц -
Конструкция 2-х звенного кавитационного фильтра 739МГц L1=110mm. L2=104mm. L3=100mm. L4=21mm.
Трубка с внешним Ø7мм и внутренним Ø6мм
Центральный проводник - биметалл медь-сталь Ø1,5мм
-
Где добыть трубку Ø7мм?
Всем известна антенна с подъемником и трубами Ø55мм, в траверсе антенны и есть такая трубка.
Это самый простой путь -
Поскольку файлы с расширением . avif сайт тоже не допускает, привожу характеристики в упрощенном виде -
*будут вопросы - отвечу здесь.
_________________
Владимир,
ex UC2CED, EU2CED, RC2CA, EU2CA
2019 год - https://observablehq.com/@eu2aa
2017 год - http://eu2aa.com
1992 год - http://eu2aa.qrz.ru
Владимир,
ex UC2CED, EU2CED, RC2CA, EU2CA
2019 год - https://observablehq.com/@eu2aa
2017 год - http://eu2aa.com
1992 год - http://eu2aa.qrz.ru
-
Не в сети
- Site Admin
- Сообщения: 905
- Зарегистрирован: 06 июн 2014 17:31
- Откуда: Молодечно
- Контактная информация:
Подводные камни
Подводный камень №1
SDR PLUTO напрямую к вашему китайскому компьютеру USB-кабелем из комплекта PLUTO подключать нельзя.
Плуто воображает себя главным и ставит себя выше компьютера. Всё как в нашей жизни.
Только через хаб! Тогда он заткнется и будет работать под управлением F4EXB или SDR-консоли Вашего компьютера.
Например, вот такой хаб amazonbasics на 7 выходов с мощным БП, но можно и любой другой аналогичный Слева-направо против часовой стрелки:
1 - желтый USB-кабель, длинный, идет к ПЛУТО №2 9-го 5760 и 10-го 10368 МГц диапазонов.
2 - внешний БП ~220В--> +12В 4А,
3- USB-кабель к компьютеру,
4 - принтер,
5 - питание звуковых колонок,
6 - USB-микрофон,
7 - кабель к трансиверу ХАРОН (плата PLUTO №1 внутри) - 8 диапазонов: 144,432, 1296, 2300, SAT-A, SAT-B, SAT-J, SAT-Q. Из комплекта ПЛУТО.
8 - Midi-звуковая клавиатура для RIT и PTT,
9 - мышь,
10 - клава.
11 - сканер - серый USB...
Оказалось, что мне даже мало 7 портов.
SDR PLUTO напрямую к вашему китайскому компьютеру USB-кабелем из комплекта PLUTO подключать нельзя.
Плуто воображает себя главным и ставит себя выше компьютера. Всё как в нашей жизни.
Только через хаб! Тогда он заткнется и будет работать под управлением F4EXB или SDR-консоли Вашего компьютера.
Например, вот такой хаб amazonbasics на 7 выходов с мощным БП, но можно и любой другой аналогичный Слева-направо против часовой стрелки:
1 - желтый USB-кабель, длинный, идет к ПЛУТО №2 9-го 5760 и 10-го 10368 МГц диапазонов.
2 - внешний БП ~220В--> +12В 4А,
3- USB-кабель к компьютеру,
4 - принтер,
5 - питание звуковых колонок,
6 - USB-микрофон,
7 - кабель к трансиверу ХАРОН (плата PLUTO №1 внутри) - 8 диапазонов: 144,432, 1296, 2300, SAT-A, SAT-B, SAT-J, SAT-Q. Из комплекта ПЛУТО.
8 - Midi-звуковая клавиатура для RIT и PTT,
9 - мышь,
10 - клава.
11 - сканер - серый USB...
Оказалось, что мне даже мало 7 портов.
_________________
Владимир,
ex UC2CED, EU2CED, RC2CA, EU2CA
2019 год - https://observablehq.com/@eu2aa
2017 год - http://eu2aa.com
1992 год - http://eu2aa.qrz.ru
Владимир,
ex UC2CED, EU2CED, RC2CA, EU2CA
2019 год - https://observablehq.com/@eu2aa
2017 год - http://eu2aa.com
1992 год - http://eu2aa.qrz.ru