Re: Строим Ламповый мини трансивер ,,Альбатрос-80/40м
- Автор
- Сообщение
-
Не в сети
- Сообщения: 1444
- Зарегистрирован: 09 ноя 2009 17:34
- Откуда: KO13WP
Re: Строим Ламповый мини трансивер ,,Альбатрос-80/40м
А на 3.688 МГц не пробовали настраиваться? Поможет!
_________________
EW4VX-Иван-73! ew4vxc@mail.ru / ew4vxc@gmail.com
EW4VX-Иван-73! ew4vxc@mail.ru / ew4vxc@gmail.com
-
Не в сети
- Сообщения: 203
- Зарегистрирован: 23 ноя 2014 17:24
- Откуда: Республика Мордовия, село Ельники
Re: Строим Ламповый мини трансивер ,,Альбатрос-80/40м
Пробовал, но Белорусские радиолюбители появляются редко / может быть у меня такая антенна что я их не слышу /. Но некоторые частоты я обхожу стороной, как будто они куплены это 3604, 3614 и особенно 3640. С уважением Григорий R4UAC.EW4VX писал(а):А на 3.688 МГц не пробовали настраиваться? Поможет!
_________________
С уважением Григорий R4UAC.
С уважением Григорий R4UAC.
-
Не в сети
- Сообщения: 203
- Зарегистрирован: 23 ноя 2014 17:24
- Откуда: Республика Мордовия, село Ельники
Re: Строим Ламповый мини трансивер ,,Альбатрос-80/40м
Для android! Тремя постами выше я писал что мой Альбатрос работает только в однодиапазонном варианте - 80м, так что я не знаю что творится на сороковке. С уважением Григорий R4UAC.
_________________
С уважением Григорий R4UAC.
С уважением Григорий R4UAC.
-
Не в сети
- Сообщения: 203
- Зарегистрирован: 23 ноя 2014 17:24
- Откуда: Республика Мордовия, село Ельники
Re: Строим Ламповый мини трансивер ,,Альбатрос-80/40м
Уважаемые Альбатросостроители и не только! На днях земляк из г. Ростова-на-Дону прислал в подарок новую в упаковке ЦШ Макеевская. В режиме частотомера работает. Подобрал конденсатор для ЦАПЧ правда КВшек не нашел, установил варикап Д901Г / 28 - 38 пФ /. Подскажите пожалуйста в какие точки по схеме Альбатроса подключаются выводы цш F1 и "к контуру ГПД". Что - то у меня в разных местах получаются разные частоты и сбивается частота ГПД, хотя ПЧ 500 кГц я в цш записал. С уважением Григорий R4UAC.
_________________
С уважением Григорий R4UAC.
С уважением Григорий R4UAC.
-
Не в сети
- Сообщения: 203
- Зарегистрирован: 23 ноя 2014 17:24
- Откуда: Республика Мордовия, село Ельники
Re: Строим Ламповый мини трансивер ,,Альбатрос-80/40м
Уважаемые посетители сайта QRZ BY! Число просмотров повторяемых мною конструкций из журналов РАДИО очень много. Я не самолюб. Но хоть бы кто высказал свое мнение или хоть сказал спасибо хотя бы за разработанные мною чертежи печатных плат. УВЫ.... С уважением Григорий R4UAC.
_________________
С уважением Григорий R4UAC.
С уважением Григорий R4UAC.
-
Не в сети
- Site Admin
- Сообщения: 2581
- Зарегистрирован: 26 май 2009 04:38
- Откуда: РБ
Re: Строим Ламповый мини трансивер ,,Альбатрос-80/40м
Григорий, приветствую !
Судя по количеству просмотров данной темы, интерес у радиолюбителей огромный !
То, что Вы стараетесь и делаете это очень и очень здорово.
А то что мало отвечают, это ещё не значит, что ни кто ни чего не делает.
Огромное вам спасибо, за проделанную работу. Всегда рады Вам на нашем форуме.
P.S
На 80м (3688) почти каждый вечер ~ 21:00 по Москве собираются радиолюбители из РБ и не только.
Судя по количеству просмотров данной темы, интерес у радиолюбителей огромный !
То, что Вы стараетесь и делаете это очень и очень здорово.
А то что мало отвечают, это ещё не значит, что ни кто ни чего не делает.
Огромное вам спасибо, за проделанную работу. Всегда рады Вам на нашем форуме.
P.S
На 80м (3688) почти каждый вечер ~ 21:00 по Москве собираются радиолюбители из РБ и не только.
_________________
73! Сергей ex.EU2A, UC2CBT, UC2-009-602, Citizen Band - Лайнер, 251. On the air since 1980
Site Admin QRZ.BY
73! Сергей ex.EU2A, UC2CBT, UC2-009-602, Citizen Band - Лайнер, 251. On the air since 1980
Site Admin QRZ.BY
-
Не в сети
- Сообщения: 203
- Зарегистрирован: 23 ноя 2014 17:24
- Откуда: Республика Мордовия, село Ельники
Re: Строим Ламповый мини трансивер ,,Альбатрос-80/40м
Спасибо Сергей! С уважением Григорий R4UAC.
_________________
С уважением Григорий R4UAC.
С уважением Григорий R4UAC.
-
Не в сети
- Сообщения: 203
- Зарегистрирован: 23 ноя 2014 17:24
- Откуда: Республика Мордовия, село Ельники
Re: Строим Ламповый мини трансивер ,,Альбатрос-80/40м
В прошлом году во время настройки своего Альбатроса необходимо было измерять ВЧ напряжения в разных точках. И хотя у меня есть осциллограф С1-65, надоело все время переводить амплитудные значения в эффективные. Решил построить ВЧ вольтметр по схеме из журнала Радио №2 за 2011 год / автор Роберт Акопов /. Отмечу сразу что схема на 90 процентов с хвостиком повторяет схему ВЧ милливольтметра, опубликованную в том же журнале Радио №7 за 1992 год / автор А. Пугач / за исключением номиналов нескольких резисторов, количества диапазонов и типа применяемых диодов. В качестве корпуса использован корпус от блока питания компьютера. В том месте где стоял кулер стенка почти полностью удалена и на ее место прикручена дюралевая пластина а уже сверху закрыта белым пластиком. Там где стояла печатная плата БП также на четыре винта прикручена дюралевая пластина и уже на нее установлены все элементы вч милливольтметра. В качестве корпуса для измерительного щупа автор применил пластиковый пенал от губной помады. Я пошел другим путем. У меня используется отрезок латунной трубки "одетый" в термоусаживаемую трубку. В качестве передней и задней части щупа применил переднюю и заднюю часть автомобильного пробника / на третьем фото внизу /. Настроил все диапазоны кроме 10 мВ, так как пока не имею возможности померить такое напряжение. С уважением Григорий R4UAC.
Последний раз редактировалось r4uac 12 сен 2015 16:13, всего редактировалось 1 раз.
_________________
С уважением Григорий R4UAC.
С уважением Григорий R4UAC.
-
Не в сети
- Сообщения: 203
- Зарегистрирован: 23 ноя 2014 17:24
- Откуда: Республика Мордовия, село Ельники
Re: Строим Ламповый мини трансивер ,,Альбатрос-80/40м
Уважаемый Сергей EU2A! Сегодня посетил прайс лист радиолавки С.Тележникова и увидел что там есть все данные на двухтональный генератор и пятиполосный эквалайзер. Не подумайте ничего плохого, в том смысле что я занимаюсь плагиатством. Рисунок печатных плат совсем другой. Нехотел никого обидеть. С уважением Григорий R4UAC.
_________________
С уважением Григорий R4UAC.
С уважением Григорий R4UAC.
-
Не в сети
- Site Admin
- Сообщения: 2581
- Зарегистрирован: 26 май 2009 04:38
- Откуда: РБ
Re: Строим Ламповый мини трансивер ,,Альбатрос-80/40м
Григорий, нет ни каких проблем, мы с вами по этому поводу вроде всё давно решили 

_________________
73! Сергей ex.EU2A, UC2CBT, UC2-009-602, Citizen Band - Лайнер, 251. On the air since 1980
Site Admin QRZ.BY
73! Сергей ex.EU2A, UC2CBT, UC2-009-602, Citizen Band - Лайнер, 251. On the air since 1980
Site Admin QRZ.BY
-
Не в сети
- Сообщения: 203
- Зарегистрирован: 23 ноя 2014 17:24
- Откуда: Республика Мордовия, село Ельники
Re: Строим Ламповый мини трансивер ,,Альбатрос-80/40м
Спасибо. А теперь вопрос как к модератору. Почему на сайте не регулируется количество сообщений. Как было у меня в ноябре 2014 года количество сообщений 41, так до сих пор и осталось 41? С уважением Григорий R4UAC. А сейчас появилось 42?
_________________
С уважением Григорий R4UAC.
С уважением Григорий R4UAC.
-
Не в сети
- Site Admin
- Сообщения: 812
- Зарегистрирован: 02 май 2009 17:29
- Откуда: Grodno
Re: Строим Ламповый мини трансивер ,,Альбатрос-80/40м
Отличная тема и куча замечательного материала в ней! Пожалуйста, r4uac, пишите и постите фото, очень интересно!
П.С. В профиле видимом в каждом сообщении, указывается общее число сообщений, будь то первое сообщение либо последнее.
П.С. В профиле видимом в каждом сообщении, указывается общее число сообщений, будь то первое сообщение либо последнее.
-
Не в сети
- Сообщения: 203
- Зарегистрирован: 23 ноя 2014 17:24
- Откуда: Республика Мордовия, село Ельники
Re: Строим Ламповый мини трансивер ,,Альбатрос-80/40м
Уважаемый EW4BY! Хотел обратиться к Вам по имени и отчеству или просто по имени но, поиск в Callbok'e сервера QRZ.RU ничего не дал. Я уже писал что я не инженер-разработчик, но рабочих конструкций для дома повторенных "по мотивам радиолюбительских журналов" у меня много, но темы Альбатроса они не касаются. Сейчас времени стало больше и захотел закончить УМ для Альбатроса на трех ГУ50. Фото конструкции опубликованы на форуме ВТОРАЯ ЖИЗНЬ СТАРОГО РАДИО при обсуждении Альбатроса на странице 95. Но вот беда. У меня применен трехсекционный КПЕ от радиолы Мелодия-104, а у него зазор между пластинами слишком маленький и ВЧ напряжение его прошивает /на анодах ГУ50 у меня 1000 Вольт/. Сейчас занят поиском КПЕ. С уважением Григорий RR4UAC.
_________________
С уважением Григорий R4UAC.
С уважением Григорий R4UAC.
-
Не в сети
- Сообщения: 203
- Зарегистрирован: 23 ноя 2014 17:24
- Откуда: Республика Мордовия, село Ельники
Re: Строим Ламповый мини трансивер ,,Альбатрос-80/40м
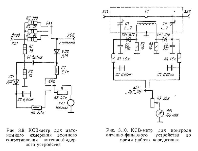
КСВ метр для Альбатроса. Моё видение данной конструкции. Схема из интернета. С уважением Григорий R4UAC.
_________________
С уважением Григорий R4UAC.
С уважением Григорий R4UAC.
-
Не в сети
- Сообщения: 13
- Зарегистрирован: 17 фев 2015 08:05
- Откуда: Витебск
Re: Строим Ламповый мини трансивер ,,Альбатрос-80/40м
Pse ссылку.r4uac писал(а):КСВ метр для Альбатроса. Моё видение данной конструкции. Схема из интернета. С уважением Григорий R4UAC.

_________________
Сергей UC2-006-156 UC2WEC
Сергей UC2-006-156 UC2WEC
-
Не в сети
- Сообщения: 203
- Зарегистрирован: 23 ноя 2014 17:24
- Откуда: Республика Мордовия, село Ельники
Re: Строим Ламповый мини трансивер ,,Альбатрос-80/40м
Ссылка на схему. Набрал в Яндексе "Измерение КСВ в фидерной линии". Высвечивается несколько сайтов. Выбираем " 3.2.2. Измерение КСВ в фидерной линии /RadioUniverse." На данном сайте две схемы рис.3.9 и 3.10 и описание . У меня КСВ метр по схеме изображенной на рис. 3.10. С уважением Григорий R4UAC.EU6AN писал(а):Pse ссылку.r4uac писал(а):КСВ метр для Альбатроса. Моё видение данной конструкции. Схема из интернета. С уважением Григорий R4UAC.
_________________
С уважением Григорий R4UAC.
С уважением Григорий R4UAC.
-
Не в сети
- Сообщения: 13
- Зарегистрирован: 17 фев 2015 08:05
- Откуда: Витебск
Re: Строим Ламповый мини трансивер ,,Альбатрос-80/40м
Спасибо!r4uac писал(а):Ссылка на схему. Набрал в Яндексе "Измерение КСВ в фидерной линии". Высвечивается несколько сайтов. Выбираем " 3.2.2. Измерение КСВ в фидерной линии /RadioUniverse." На данном сайте две схемы рис.3.9 и 3.10 и описание . У меня КСВ метр по схеме изображенной на рис. 3.10. С уважением Григорий R4UAC.EU6AN писал(а):Pse ссылку.r4uac писал(а):КСВ метр для Альбатроса. Моё видение данной конструкции. Схема из интернета. С уважением Григорий R4UAC.
_________________
Сергей UC2-006-156 UC2WEC
Сергей UC2-006-156 UC2WEC
-
Не в сети
- Сообщения: 592
- Зарегистрирован: 15 мар 2013 22:13
-
Не в сети
- Сообщения: 203
- Зарегистрирован: 23 ноя 2014 17:24
- Откуда: Республика Мордовия, село Ельники
Re: Строим Ламповый мини трансивер ,,Альбатрос-80/40м
Завершаются длинные зимние вечера. Закончил все таки как и решал построить Альбатрос навесным монтажом. Сегодня провел первую связь с радиолюбителем из Курска. Далее не захотел. 1 марта приезжает сын из Москвы и он выложит фото моего 'нового' 'старого' Альбатроса на 80 м но навесным монтажом. Монтаж получился очень плотным из-за огромного конденсатора ГПД, который мне подарил знакомый. Где он применялся ни он ни я не знаем. Если необходимо, могу выложить фото и его, так как заранее предвидел что будут вопросы по нему. Нарисовал схему блока питания который применяется и в Альбатросе №1 и №2 с применением стабилизации напряжения накала ламп от US5MSQ, а также задержку включения анодного напряжения на NE555/кр1006ви1/. Если кому надо выложу./ На выходе Альбатроса №2 используется 6П36С по схеме Ромаса. Силовой трансформатор ТС-180-2 со всеми перемотанными вторичными обмотками.Удачи всем Альбатросостроителям! С уважением Григорий R4UAC.
_________________
С уважением Григорий R4UAC.
С уважением Григорий R4UAC.
-
Не в сети
- Сообщения: 203
- Зарегистрирован: 23 ноя 2014 17:24
- Откуда: Республика Мордовия, село Ельники
Re: Строим Ламповый мини трансивер ,,Альбатрос-80/40м
Привет Альбатросостроителям!
_________________
С уважением Григорий R4UAC.
С уважением Григорий R4UAC.
-
Не в сети
- Сообщения: 203
- Зарегистрирован: 23 ноя 2014 17:24
- Откуда: Республика Мордовия, село Ельники
Re: Строим Ламповый мини трансивер ,,Альбатрос-80/40м
Схема БП Альбатроса №2
_________________
С уважением Григорий R4UAC.
С уважением Григорий R4UAC.
-
Не в сети
- Сообщения: 203
- Зарегистрирован: 23 ноя 2014 17:24
- Откуда: Республика Мордовия, село Ельники
Re: Строим Ламповый мини трансивер ,,Альбатрос-80/40м
Если кому-то не нравится схема стабилизатора накала ламп опубликованная выше, могу порекомендовать другие схемы Сергея Эдуардовича Беленецкого US5MSQ. Так на CQ HAM при обсуждении малолампового TRX US5MSQ на странице 148 пост.1472 опубликованы две схемы стабилизаторов накала ламп с плавно нарастающим выходным напряжением. В моем Альбатросе №1 работает схема ver.1. А если кому-то нужен стабилизатор накала ламп 12,6 Вольта, то нужно смотреть пост.№1625 и 1672-1684, где моя переписка /lvovich-803/ с автором. Правда по моим испытаниям и самого автора плавного нарастания выходного напряжения не получилось. Но стабилизатор работает очень хорошо и у меня он применен в усилителе мощности на трех ГУ50. С уважением Григорий R4UAC.
_________________
С уважением Григорий R4UAC.
С уважением Григорий R4UAC.
-
Не в сети
- Сообщения: 203
- Зарегистрирован: 23 ноя 2014 17:24
- Откуда: Республика Мордовия, село Ельники
Re: Строим Ламповый мини трансивер ,,Альбатрос-80/40м
И еще. В моем Альбатросе №2 в качестве катушки ГПД применена готовая от радиостанции Р-123 /L1-17/. Данные по катушкам L1-17 и L1-18 можно найти на вышеуказанном форуме пост.1722 и 1723. С уважением Григорий R4UAC.
_________________
С уважением Григорий R4UAC.
С уважением Григорий R4UAC.
-
Не в сети
- Сообщения: 203
- Зарегистрирован: 23 ноя 2014 17:24
- Откуда: Республика Мордовия, село Ельники
Re: Строим Ламповый мини трансивер ,,Альбатрос-80/40м
Неделю назад заметил интересную особенность в поведении ГПД Альбатроса №2. Включаю трансивер. Установливаю по ЦШ Макеевская частоту 3.650.0. ЦАПЧ срабатывает /вижу по загоревшемуся светодиоду/. В течении получаса частота убывает до 3.647.9. Перепробовал в ГПД конденсаторы: КСО-Г, трубчатые КТ голубого цвета, синего, красного, серого с ТКЕ М47, М75, керамические из военной аппаратуры с ТКЕ МП0 - результат один и тот же. Частота убывает именно до 3.647.9. Далее. Заново включаю трансивер и устанавливаю частоту 3.635.0. /пробовал 3.625.0, 3.640.0, 3.615.0/. В течении 3 часов частота стоит довольно таки стабильно. После 3 часов заново устанавливаю частоту 3.650.0. Теперь уже за 15 - 20 минут частота падает опять именно до 3.647.9. Кто из радиолюбителей сталкивался с таким полтергейстом?
С уважением Григорий R4UAC.
С уважением Григорий R4UAC.
_________________
С уважением Григорий R4UAC.
С уважением Григорий R4UAC.
-
Не в сети
- Сообщения: 203
- Зарегистрирован: 23 ноя 2014 17:24
- Откуда: Республика Мордовия, село Ельники
Re: Строим Ламповый мини трансивер ,,Альбатрос-80/40м
С Уважением Альбатросостроители!!! Кто будет меня искать, то я перешел на новый Форум, которому около двух месяцев. "Форум самодельной КВ аппаратуры radiokv.bbbv.ru" Данный Форум посвящен только самодельной аппаратуре опубликованной в радиолюбительских журналах и Интернете. Администратор Валерий из Киева.
С уважением Григорий R4UAC.
С уважением Григорий R4UAC.
_________________
С уважением Григорий R4UAC.
С уважением Григорий R4UAC.